电脑桌面
添加小米粒文库到电脑桌面
安装后可以在桌面快捷访问

楼宇智能模拟任务书1VIP免费

楼宇智能模拟任务书1_第1页
1/10
楼宇智能模拟任务书1_第2页
2/10
楼宇智能模拟任务书1_第3页
3/10
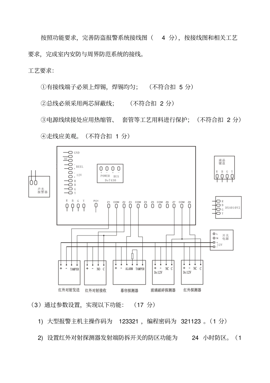
任 务 书1 任务一安防与周界防范系统安装、接线、调试与运行(25 分)通过室内安防与周界防范系统的安装、接线、设置和调试, 实现入侵检测与报警功能。(1)器件安装( 4 分)1)在赛场提供的器件中,将红外对射探测器(接收器)和红外对射探测器安装到“ 3 号网孔板”反面,位置要求: (1 分)2)将幕帘探测器安装到“6 号网孔板”反面;将液晶键盘安装在大型报警主机左侧适当位置,将玻璃破碎探测器安装在适当的位置。(1 分)3) 在赛场提供的器件中, 选择大型报警主机的主板正确安装在大型报警主机箱内,报警主机电路板用螺丝固定到黑色卡扣上。(1 分)4)将小型报警主机安装在11 号网孔板上。(1 分)(2)系统接线( 4 分)3 号网孔板反面发射器接收器按照功能要求,完善防盗报警系统接线图(4 分),按接线图和相关工艺要求,完成室内安防与周界防范系统的接线。工艺要求:①有接线端子必须上焊锡,焊锡均匀; (不符合扣 5 分)②总线必须采用两芯屏蔽线;(不符合扣 2 分)③电源线续接处应用热缩管、 套管等工艺用料进行保护;(不符合扣 2 分)④走线应美观。(不符合扣 1 分)(3)通过参数设置,实现以下功能: (17 分)1) 大型报警主机主操作码为123321 ,编程密码为 321123 。(1 分)2) 设置红外对射探测器发射端防拆开关的防区功能为24 小时防区。(1分)3) 设置红外对射探测器防区功能为周界即时防区。(1 分)4) 设置幕帘探测器、玻璃破碎探测器防区功能为内部即时防区。(2 分)5) 设置红外探测器防区功能为延时1 防区,进入延时时间为10 秒,退出延时时间为 15 秒,并在答题纸上写出指令程序。 (2 分)6) 小型报警主机的前四个防区为即时防区,信号来自硬盘录像机报警输出。(2 分)7) 设置液晶键盘 *键下方按键为火警键为脉冲报警。 (2 分)8) 声光报警器连接到可编程输出口(PO1 ),通过编程,实现防区报警 (盗警与火警)触发报警功能。 (3 分)9) 实现小型报警主机与大型报警主机的通讯,实现大型报警主机与PC 机的通讯,对 CMS7000 软件中可记录防盗报警系统的报警记录。将运行记录保存在计算机D 盘“工位号”文件夹下的“防盗报警系统运行记录”子文件夹内。(3 分)任务二对讲门禁及室内安防系统安装、接线、调试与运行(20 分)通过对讲门禁系统的器件安装、接线、设置与调试等工作, 实现单元门口主机与可视室内分机之间的可视对讲...

1、当您付费下载文档后,您只拥有了使用权限,并不意味着购买了版权,文档只能用于自身使用,不得用于其他商业用途(如 [转卖]进行直接盈利或[编辑后售卖]进行间接盈利)。
2、本站所有内容均由合作方或网友上传,本站不对文档的完整性、权威性及其观点立场正确性做任何保证或承诺!文档内容仅供研究参考,付费前请自行鉴别。
3、如文档内容存在违规,或者侵犯商业秘密、侵犯著作权等,请点击“违规举报”。

碎片内容

楼宇智能模拟任务书1

您可能关注的文档

文库响当当+ 关注
实名认证
内容提供者

该用户很懒,什么也没介绍

确认删除?
VIP
微信客服
  • 扫码咨询
会员Q群
  • 会员专属群点击这里加入QQ群
客服邮箱
回到顶部