电脑桌面
添加小米粒文库到电脑桌面
安装后可以在桌面快捷访问

楼层钢梁制作安装方案VIP免费

楼层钢梁制作安装方案_第1页
1/20
楼层钢梁制作安装方案_第2页
2/20
楼层钢梁制作安装方案_第3页
3/20
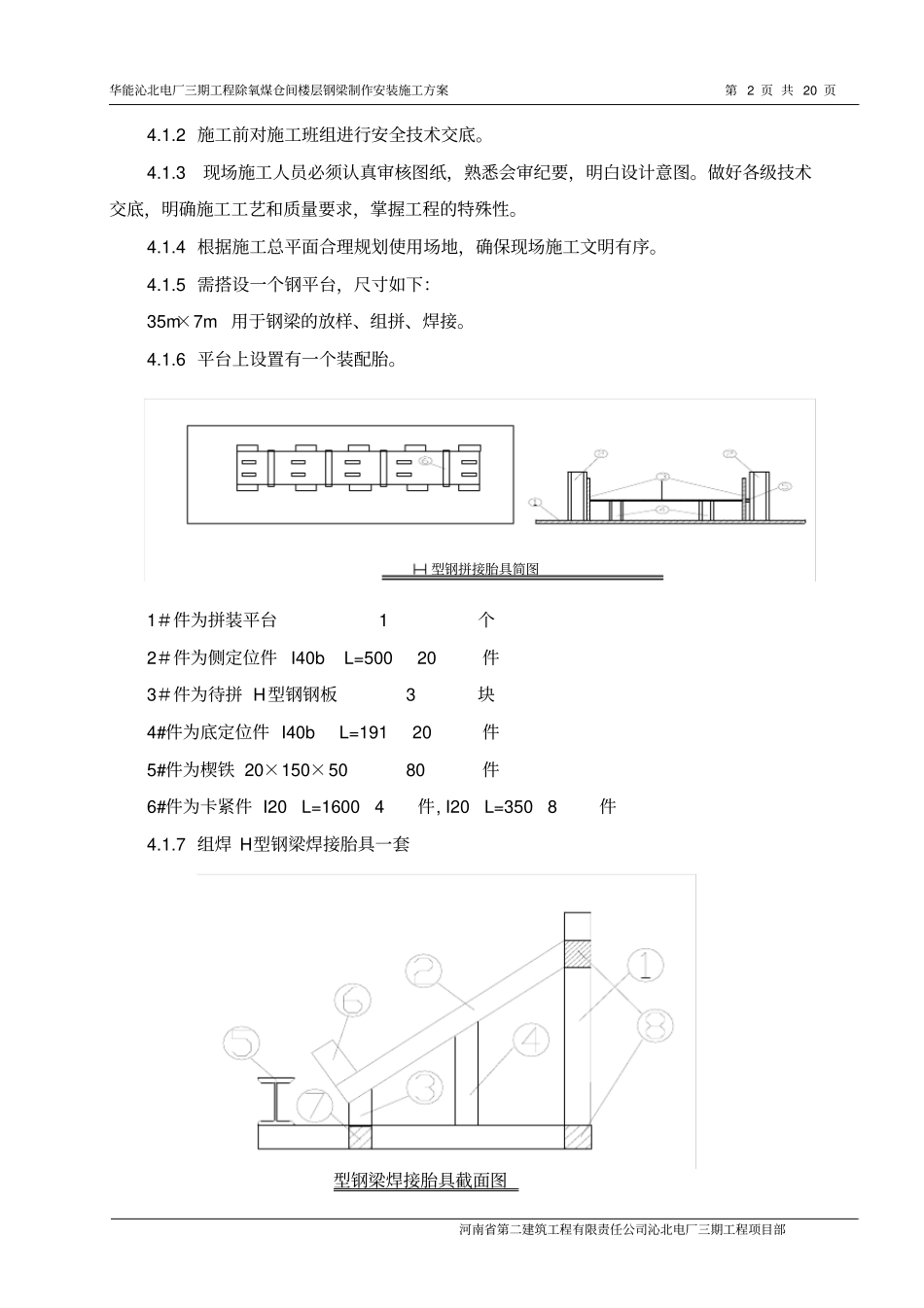
华能沁北电厂三期工程除氧煤仓间楼层钢梁制作安装施工方案第 1 页 共 20 页河南省第二建筑工程有限责任公司沁北电厂三期工程项目部1、编制依据1.1 主厂房框架运转层及以下楼板及纵梁结构施工图、图纸会审纪要、设计变更。1.2 主厂房框架运转层以上楼板及纵梁结构施工图、图纸会审纪要、设计变更。1.3 《电力建设施工质量验收及评定规程》第1 部分:土建工程( DL/T5210.1-2005 )。1.4 《钢结构工程施工质量验收规范》 (GB50205-2001)。1.5 《建筑钢结构焊接技术规程》 (JGJ81-2002)。1.6 《钢结构设计规范》(GB50017-2003)。1.7 《钢结构制作安装工艺手册》 (中国计划出版社2006 年 05 月第一版)。1.8 《钢结构节点设计手册》 。2、工程概况2.1 华能沁北电厂三期扩建( 2×1000MW)机组工程, #6 主厂房上部结构除氧煤仓间楼层钢梁位于主厂房B~D列,11a~25 轴线间。主要由H型钢、工字钢及其连接件组成,H型钢梁分别位于3.95m、7.95m 等标高层上。分别由HM340*250*9*14、 HM390*300*10*16、HM488*300*11*18、HM588*300*12*20、HN700*300*13*24、HN800*300*14*26、HN900*300*16*28、HN1000*300*19*36、I32b 等型号组成。钢梁上翼缘设置圆柱头栓钉抗剪连接件与之固定,钢梁上采用 1.0mm厚 YX28-100-800(1)型压型钢板作底模的现浇钢筋砼楼板。钢梁插入砼横梁内,钢梁与钢梁连接采用角钢连接件焊接连接。2.2 除氧煤仓间楼层钢梁制作安装具有工作量大、工期紧、现场交叉施工等特点, 这给施工增加了难度。要求参加施工的工程人员要高度重视,提前作好工艺流程、设备选型、焊接技术措施等多项准备工作。本着“确保国家电力优质工程,争创国家优质工程金奖,建国家一流电厂”的质量目标,科学组织、精心施工,高质量、高标准、按期完成任务。2.3 本工程设计使用年限50 年,安全等级为二级;结构抗震设防烈度为7 度,框架结构抗震等级为一级,环境作用等级为I-A 。3、施工内容《主厂房框架运转层及以下楼板及纵梁结构》、《主厂房框架运转层以上楼板及纵梁结构》施工图(检索号为60-F1833S-T030702~05)中所包括的钢结构制作、安装内容。4、施工准备4.1 技术准备4.1.1 施工前图纸已进行过图纸会审。华能沁北电厂三期工程除氧煤仓间楼层钢梁制作安装施工方案第 2 页 共 20 页河南省第二建筑工程有限责任公司沁北电厂三期工程项目部4.1.2 施工前对施工班组进行安全技术交底。4.1.3现场施工人员...

1、当您付费下载文档后,您只拥有了使用权限,并不意味着购买了版权,文档只能用于自身使用,不得用于其他商业用途(如 [转卖]进行直接盈利或[编辑后售卖]进行间接盈利)。
2、本站所有内容均由合作方或网友上传,本站不对文档的完整性、权威性及其观点立场正确性做任何保证或承诺!文档内容仅供研究参考,付费前请自行鉴别。
3、如文档内容存在违规,或者侵犯商业秘密、侵犯著作权等,请点击“违规举报”。

碎片内容

楼层钢梁制作安装方案

您可能关注的文档

确认删除?
VIP
微信客服
  • 扫码咨询
会员Q群
  • 会员专属群点击这里加入QQ群
客服邮箱
回到顶部