电脑桌面
添加小米粒文库到电脑桌面
安装后可以在桌面快捷访问

模具设计知识VIP免费

模具设计知识_第1页
1/5
模具设计知识_第2页
2/5
模具设计知识_第3页
3/5
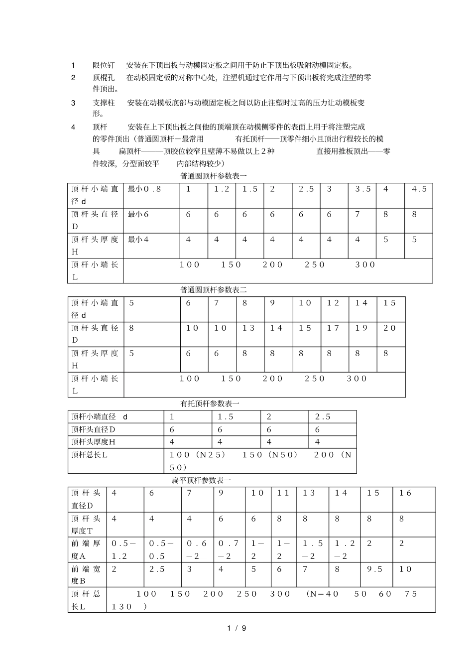
1 / 9 1限位钉安装在下顶出板与动模固定板之间用于防止下顶出板吸附动模固定板。2顶棍孔在动模固定板的对称中心处,注塑机通过它作用与下顶出板将完成注塑的零件顶出。3支撑柱安装在动模板底部与动模固定板之间以防止注塑时过高的压力让动模板变形。4顶杆安装在上下顶出板之间他的顶端顶在动模侧零件的表面上用于将注塑完成的零件顶出(普通圆顶杆-最常用有托顶杆――顶零件细小且顶出行程较长的模具扁顶杆―――顶胶位较窄且壁薄不易做以上2种直接用推板顶出――零件较深,分型面较平内部结构较少)普通圆顶杆参数表一顶 杆 小 端 直径 d 最小0 .811.21.522 .533.544.5顶 杆 头 直 径D最小6666666788顶 杆 头 厚 度H最小4444444455顶 杆 小 端 长L100150200250300普通圆顶杆参数表二顶 杆 小 端 直径 d 5678910121415顶 杆 头 直 径D81010131415171920顶 杆 头 厚 度H566888888顶 杆 小 端 长L100150200250300有托顶杆参数表一顶杆小端直径d 11.522.5顶杆头直径D6666顶杆头厚度H4444顶杆总长L100 (N25)150(N50)200 (N50)扁平顶杆参数表一顶 杆 头直径D4679101113141516顶 杆 头厚度T4446688888前 端 厚度A0 .5-1.20 .5-0.50 . 6-20 . 7-21-21-21 . 5-21 . 2-222前 端 宽度B22.53456789.510顶 杆 总长L100150200250300(N=40506075130)2 / 9 5复位杆 (回针)安装在上下顶出板之间他的顶端顶在分型面上面,用于将顶出后的的上下顶出板及上面的相关运动机构复位。6拉杆安装在定模侧用于确保模具多次分型动作按顺序依次开启。7导柱和导套安装在动模侧动模板底部和动模固定板之间用于防止顶杆顶出零件时顶出不均衡损坏零件。8冷却水道要做到快速冷却均匀模温加工方便,利用水道的排列方式保持冷却的平衡,尽可能减少入水和出水的温差。1 内模水道,是冷却的最为普通的一种,水道经过模板和模仁,冷却水从模板进入模仁,带着热量又从模仁进入模板这样循环。冷却水道的中心线与型腔壁的距离应为冷却水道直径的1 倍---2 倍; 两冷却水道中心距约为水道直径3 倍-----5 倍,水道直径一般在8mm 以上...

1、当您付费下载文档后,您只拥有了使用权限,并不意味着购买了版权,文档只能用于自身使用,不得用于其他商业用途(如 [转卖]进行直接盈利或[编辑后售卖]进行间接盈利)。
2、本站所有内容均由合作方或网友上传,本站不对文档的完整性、权威性及其观点立场正确性做任何保证或承诺!文档内容仅供研究参考,付费前请自行鉴别。
3、如文档内容存在违规,或者侵犯商业秘密、侵犯著作权等,请点击“违规举报”。

碎片内容

模具设计知识

您可能关注的文档

确认删除?
VIP
微信客服
  • 扫码咨询
会员Q群
  • 会员专属群点击这里加入QQ群
客服邮箱
回到顶部