电脑桌面
添加小米粒文库到电脑桌面
安装后可以在桌面快捷访问

xxx建筑外墙粘贴石材通用技术标准》VIP免费

xxx建筑外墙粘贴石材通用技术标准》_第1页
1/6
xxx建筑外墙粘贴石材通用技术标准》_第2页
2/6
xxx建筑外墙粘贴石材通用技术标准》_第3页
3/6
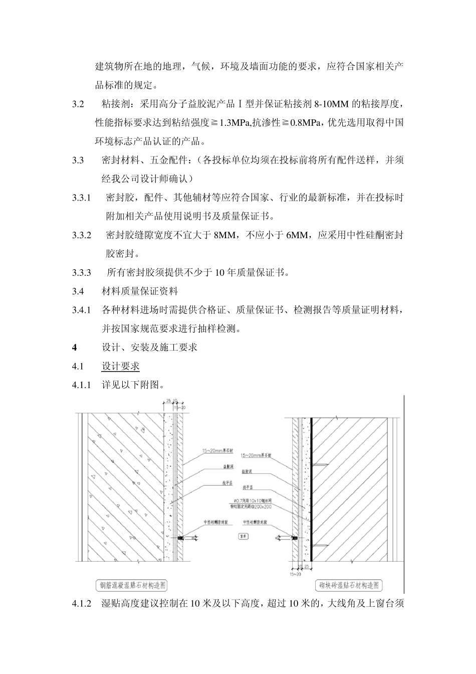
X X X 住宅外墙粘贴石材通用技术要求 1 编制目的及适用范围 为精细控制住宅建筑外墙石材的使用,降低施工难度,控制成本,特对普通住宅类项目外墙湿贴石材设计及施工提出技术要求。 本技术要求适用于XXX 所有住宅及会所外墙粘贴石材类工程招投标及现场施工指导。 2 编制依据 2.1 除另有注明外, 本工程须符合设计、图纸和相关国家、地方及行业标准,主要包括但不限于: 2.1.1 《工程建设标准强制性条文》2002 年版 2.1.2 《建筑工程施工质量验收统一标准》 (GB50300-2001) 2.1.3 《建筑装饰装修工程质量验收规范》 (GB50210-2001) 2.1.4 《住宅装饰装修工程施工规范》 (GB50327-2001) 2.1.5 《民用建筑工程室内环境污染控制规范》 (GB 50325-2001) 2.1.6 《建筑结构荷载规范》 (GB50009-2001) 2.1.7 《建筑抗震设计规范》 (GB50011-2001) 2.1.8 《砌体结构设计规范》 (GBJ50003-2001) 2.1.9 《建筑工程饰面砖粘接强度检验标准》 (JGJ110) 2.1.10 《建筑幕墙用瓷板》 (JG/T217) 2.1.11 《外墙面装修》 (DBJT13-05) 2.1.12 《益胶泥》 (DB35/516-2005) 2.2 若承包商对以下要求有任何疑义,应立即向 XXX 地产提出,由 XXX 地产做最终决定,否则视为接受。 3 材料要求 3.1 石材:选用厚度15-20MM 厚天然花岗岩荔枝面或光面,规格板选用不大于600X900MM 尺寸石材,安装前应对石材饰面采用防碱背涂剂进行五面处理,(粘结面机切面处理,不采用防护处理),刷浆后阴干养护(各投标单位均须在投标前送样,并须经我公司设计师确认),石材的性能应满足 建筑物所在地的地理,气候,环境及墙面功能的要求,应符合国家相关产品标准的规定。 3.2 粘接剂:采用高分子益胶泥产品Ⅰ型并保证粘接剂8-10MM 的粘接厚度,性能指标要求达到粘结强度≧1.3MPa,抗渗性≧0.8MPa,优先选用取得中国环境标志产品认证的产品。 3.3 密封材料、五金配件:(各投标单位均须在投标前将所有配件送样,并须经我公司设计师确认) 3.3.1 密封胶,配件、其他辅材等应符合国家、行业的最新标准,并在投标时附加相关产品使用说明书及质量保证书。 3.3.2 密封胶缝隙宽度不宜大于 8MM,不应小于 6MM,应采用中性硅酮密封胶密封。 3.3.3 所有密封胶须提供不少于 10 年质量保证书。 3.4 材料质量保证资料 3.4.1 各种材料进场时需提供合格证、质量保证书、检测报告等质量证明材料,并...

1、当您付费下载文档后,您只拥有了使用权限,并不意味着购买了版权,文档只能用于自身使用,不得用于其他商业用途(如 [转卖]进行直接盈利或[编辑后售卖]进行间接盈利)。
2、本站所有内容均由合作方或网友上传,本站不对文档的完整性、权威性及其观点立场正确性做任何保证或承诺!文档内容仅供研究参考,付费前请自行鉴别。
3、如文档内容存在违规,或者侵犯商业秘密、侵犯著作权等,请点击“违规举报”。

碎片内容

xxx建筑外墙粘贴石材通用技术标准》

小辰3+ 关注
实名认证
内容提供者

出售各种资料和文档

确认删除?
VIP
微信客服
  • 扫码咨询
会员Q群
  • 会员专属群点击这里加入QQ群
客服邮箱
回到顶部