电脑桌面
添加小米粒文库到电脑桌面
安装后可以在桌面快捷访问

常用电源设计电路VIP免费

常用电源设计电路_第1页
1/10
常用电源设计电路_第2页
2/10
常用电源设计电路_第3页
3/10
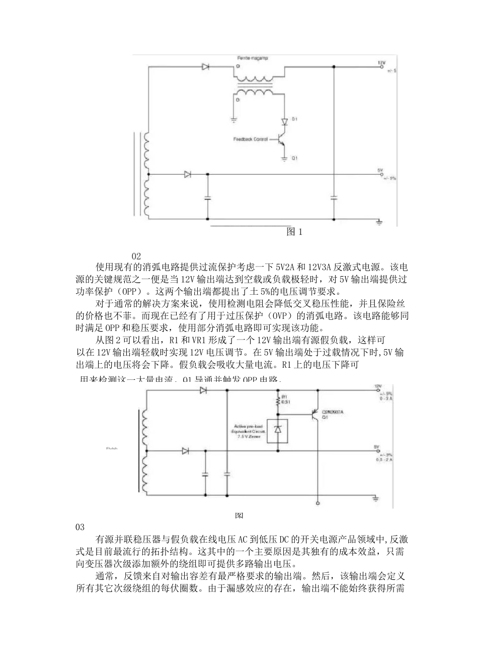
电子信息技术的飞速发展推动了电源技术这一领域的飞速前进,同时也给电源工程技术人员带来了前所未有的机遇和挑战,小到家用电器,大到大型电力行业所用的仪器设备,无不需要电源来提供能源,这也更需要大量具有电源专业知识水平的工程师来完成设计和开发。而电源工程师主要是指从事开关、通讯、设备等电源的设计与研发工作的相关人员。那么,一个成熟的电源工程师是怎样工作的呢?主要有十点:•一:接过电源设计要求!评估成本,定可行性方案。•二:根据客户报价!给定大体的元件成本与生产成本,可行性电路。•三:构想出原理图!确定所选取的功率管,变压器,最稳定最简单生产又方便的原理方案。•四:根据原理图,客户给定的样板要求或外壳要求设计 CB。•五:根据原理图,装配合适元件,对电器参数调整。让本机在最低要求下能正常工作。•六:上负载测试,功率达 80 测式,检查输出波形,电压要求,电磁性能,功率管温度,电压稳定度,转换效率。在这一个程中,对电子元件进行合适的参数调整。•七:强化测试!也就是超负何,短路,低压,过压,强温,防震等测试。•八:根据样板确定原理图准确的参数,定好方位图,物料图,发给生产部,仓管,跟单员,对样板进行小批量生产。•九:对样板进行严格测试,各种性能)K,由业务员发给客户评估°OK 了,可以量产。•十:以后生产对项目进行跟踪,改良,以最短时间,最好质量给客户出货。作为一名合格的电源工程师平时工作经验的积累很重要,但同时也应该提高理论水平,通过积累几个常用的电源电路,说不定下次就能用上,真是学习吧!01反激式电源中的铁氧体磁放大器对于两个输出端都提供实际功率(5V2A 和12V3A),两者都可实现土 5%调节)的双路输出反激式电源来说,当电压达到 12V时会进入零负载状态,而无法在 5%限度内进行调节。线性稳压器是一个可实行的解决方案,但由于价格昂贵且会降低效率,仍不是理想的解决我们建议的解决方案是在 12V 输出端使用一个磁放大器,即便是反激式拓扑结构也可使用。为了降低成本,建议使用铁氧体磁放大器。然而,铁氧体磁放大器的控制电路与传统的矩形磁滞回线材料(高磁导率材料)的控制电路有所不用。铁氧体的控制电路(D1 和 Q1)可吸收电流以便维持输出端供电。该电路已经过全面测试。变压器绕组设计为 5V 和 13V 输出。该电路在实现 12V 输出土 5%调节的同时,甚至还可以达到低于 1W 的输入功率(5V300mW 和 12V 零负载)。...

1、当您付费下载文档后,您只拥有了使用权限,并不意味着购买了版权,文档只能用于自身使用,不得用于其他商业用途(如 [转卖]进行直接盈利或[编辑后售卖]进行间接盈利)。
2、本站所有内容均由合作方或网友上传,本站不对文档的完整性、权威性及其观点立场正确性做任何保证或承诺!文档内容仅供研究参考,付费前请自行鉴别。
3、如文档内容存在违规,或者侵犯商业秘密、侵犯著作权等,请点击“违规举报”。

碎片内容

常用电源设计电路

您可能关注的文档

wxg+ 关注
实名认证
内容提供者

该用户很懒,什么也没介绍

确认删除?
VIP
微信客服
  • 扫码咨询
会员Q群
  • 会员专属群点击这里加入QQ群
客服邮箱
回到顶部