电脑桌面
添加小米粒文库到电脑桌面
安装后可以在桌面快捷访问

氯气参考资料液化机组培训资料VIP专享VIP免费

氯气参考资料液化机组培训资料_第1页
1/20
氯气参考资料液化机组培训资料_第2页
2/20
氯气参考资料液化机组培训资料_第3页
3/20
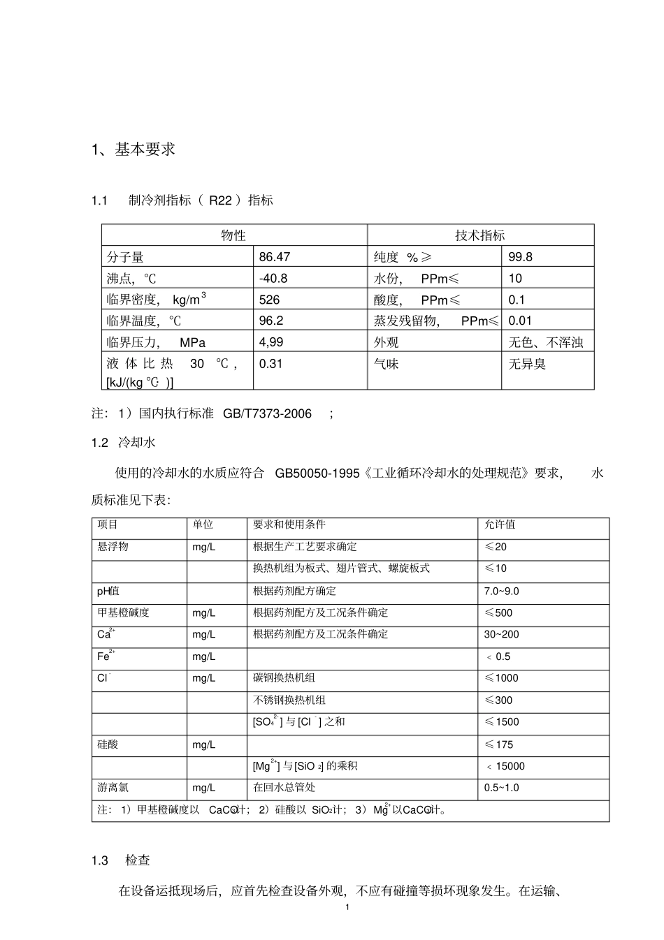
氯气液化机组培训资料目录1、基本要求2、指导说明3、制冷系统概述4、设备安装说明5、操作指导6、机组运转7、维护1 1、基本要求1.1 制冷剂指标( R22 )指标物性技术指标分子量86.47 纯度 % ≥99.8 沸点,℃-40.8 水份, PPm ≤10 临界密度, kg/m 3526 酸度, PPm ≤0.1 临界温度,℃96.2 蒸发残留物,PPm ≤ 0.01 临界压力,MPa 4,99 外观无色、不浑浊液 体 比 热30 ℃ ,[kJ/(kg·℃ )] 0.31 气味无异臭注: 1)国内执行标准 GB/T7373-2006;1.2 冷却水使用的冷却水的水质应符合GB50050-1995《工业循环冷却水的处理规范》要求,水质标准见下表:项目单位要求和使用条件允许值悬浮物mg/L 根据生产工艺要求确定≤20换热机组为板式、翅片管式、螺旋板式≤10pH值根据药剂配方确定7.0~9.0 甲基橙碱度mg/L 根据药剂配方及工况条件确定≤500Ca2+mg/L 根据药剂配方及工况条件确定30~200 Fe2+mg/L ﹤0.5 Cl-mg/L 碳钢换热机组≤1000不锈钢换热机组≤300[SO42-] 与 [Cl- ] 之和≤1500 硅酸mg/L ≤175 [Mg2+] 与[SiO 2] 的乘积﹤15000 游离氯mg/L 在回水总管处0.5~1.0 注: 1)甲基橙碱度以CaCO3计; 2)硅酸以 SiO2计; 3)Mg2+以CaCO3计。1.3 检查在设备运抵现场后,应首先检查设备外观,不应有碰撞等损坏现象发生。在运输、2 吊运、安装过程中,都应注意,杜绝碰撞发生。如有明显损坏,如果发现有任何已损坏部件,应立即通知设备供应商。1.4 存放 1.4.1 如该机组准备存放一段时间才安装或调试,则应采取一些保护措施以防止损坏、锈蚀或磨损,所有开口应确保已盖封或密封。 1.4.2 设备应存放在通风、干燥与清洁的室内,尤其在建筑施工区域不可露天储放。建议存放环境温度不应超过45℃,不低于 0℃,避免雨、雪与阳光直射。 1.4.3 为减少意外损失(如被砸、碰撞等)的可能性,尽可能将设备存放在各种活动最少发生的地带。 1.4.4 设备内应充一定的高纯干燥氮气(99.99%),应充压至 0.2-0.3 bar。至少每四周一次,手动盘旋压缩机轴和电动机轴。同时,应检查内部压力,若不足0.2bar ,请补充氮气。 1.4.5 将电控柜钥匙取下,交现场负责人保管。 1.4.6 存放期间要定期检视。 1.4.7 本项目的设备长期储存后,再次使用,需要请专业服务工程师进行检查确认后才能投入使用。1.5 安全阀使用安全阀进气口的下部接管上安装有截止阀,该截止阀必须常开,必须挂有警示牌,内容如“...

1、当您付费下载文档后,您只拥有了使用权限,并不意味着购买了版权,文档只能用于自身使用,不得用于其他商业用途(如 [转卖]进行直接盈利或[编辑后售卖]进行间接盈利)。
2、本站所有内容均由合作方或网友上传,本站不对文档的完整性、权威性及其观点立场正确性做任何保证或承诺!文档内容仅供研究参考,付费前请自行鉴别。
3、如文档内容存在违规,或者侵犯商业秘密、侵犯著作权等,请点击“违规举报”。

碎片内容

氯气参考资料液化机组培训资料

确认删除?
VIP
微信客服
  • 扫码咨询
会员Q群
  • 会员专属群点击这里加入QQ群
客服邮箱
回到顶部