电脑桌面
添加小米粒文库到电脑桌面
安装后可以在桌面快捷访问

水暖预留预埋技术交底大全VIP免费

水暖预留预埋技术交底大全_第1页
1/9
水暖预留预埋技术交底大全_第2页
2/9
水暖预留预埋技术交底大全_第3页
3/9
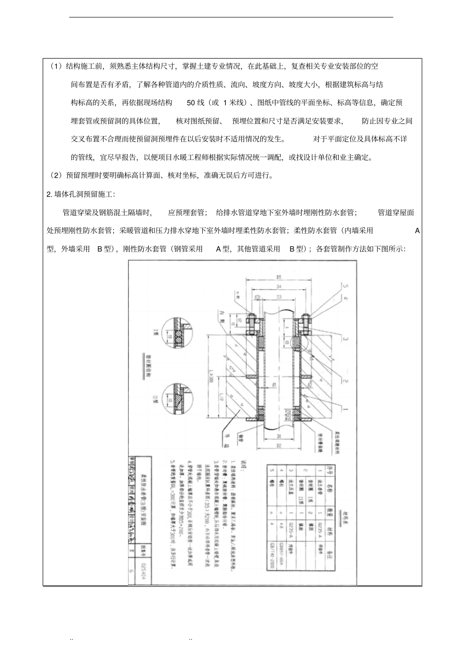
.. .. 中国建筑项目管理表格分项工程技术交底卡表格编号CSCEC-PM-0803 工程名称及编码津滨塘(挂) 2014-1 号地块三期楼栋号分项工程名称工程量分包公司负责人交底内容:一、范围本交底适用于XXX项目。预留预埋阶段施工内容:给水,排水,热水,中水,采暖,通风空调、消火栓,自动喷淋,雨水及空调冷凝水管道的预留预埋。二、施工准备1. 材料、设备要求:a. 钢材、管材、管件及附属制品等,在进场后使用前应认真检查,必须符合国家或部颁标准有关质量、技术要求,并有产品出厂合格证明或检测报告。b. 电、气焊条等质量都必须符合设计及规范要求。2. 主要机具a. 机具:砂轮锯、砂轮机、电焊机、台钻等。b. 工具:管钳、活扳子、手锯、压力案、气焊工具、铁锤等。c. 量具:水平尺、钢卷尺、线坠、焊口检测器、卡尺、小线等。3. 作业条件a. 根据施工方案安排好现场工作场地、工作棚、料具库,在管道层、地下室、地沟内操作时,要接通低压照明灯。b. 在各项预制加工项目进行前要根据安装测绘草图及材料计划,将需用材料、 设备的规格型号、 质量、数量确认合格并准备齐全,运到现场。三、操作工艺1. 工艺流程:准备工作→制作套管→放线标记→安装套管→复核检查→砼浇筑→拆模结构工程预留预埋工作质量对结构外观质量具有一定影响,直接关系到土建结构施工的外观质量和以后设备安装能否顺利进行。.. .. (1)结构施工前,须熟悉主体结构尺寸,掌握土建专业情况,在此基础上,复查相关专业安装部位的空间布置是否有矛盾,了解各种管道内的介质性质、流向、坡度方向、坡度大小,根据建筑标高与结构标高的关系,再依据现场结构50 线(或 1 米线)、图纸中管线的平面坐标、标高等信息,确定预埋套管或预留洞的具体位置,核对图纸预留、 预埋位置和尺寸是否满足安装要求,防止因专业之间交叉布置不合理而使预留洞预埋件在以后安装时不适用情况的发生。对于平面定位及具体标高不详的管线,宜尽早报告,以便项目水暖工程师根据实际情况统一调配,或找设计单位和业主确定。(2)预留预埋时要明确标高计算面、核对坐标,准确无误后方可进行。2. 墙体孔洞预留施工:管道穿梁及钢筋混土隔墙时,应预埋套管; 给排水管道穿地下室外墙时埋刚性防水套管;管道穿屋面处预埋刚性防水套管;采暖管道和压力排水穿地下室外墙时埋柔性防水套管;柔性防水套管(内墙采用A型,外墙采用B 型),刚性防水套管(钢管采用A 型,其他管道采用B 型)...

1、当您付费下载文档后,您只拥有了使用权限,并不意味着购买了版权,文档只能用于自身使用,不得用于其他商业用途(如 [转卖]进行直接盈利或[编辑后售卖]进行间接盈利)。
2、本站所有内容均由合作方或网友上传,本站不对文档的完整性、权威性及其观点立场正确性做任何保证或承诺!文档内容仅供研究参考,付费前请自行鉴别。
3、如文档内容存在违规,或者侵犯商业秘密、侵犯著作权等,请点击“违规举报”。

碎片内容

水暖预留预埋技术交底大全

您可能关注的文档

文库当当响+ 关注
实名认证
内容提供者

该用户很懒,什么也没介绍

确认删除?
VIP
微信客服
  • 扫码咨询
会员Q群
  • 会员专属群点击这里加入QQ群
客服邮箱
回到顶部