电脑桌面
添加小米粒文库到电脑桌面
安装后可以在桌面快捷访问

水泥混凝土道路路面施工方案VIP免费

水泥混凝土道路路面施工方案_第1页
1/18
水泥混凝土道路路面施工方案_第2页
2/18
水泥混凝土道路路面施工方案_第3页
3/18
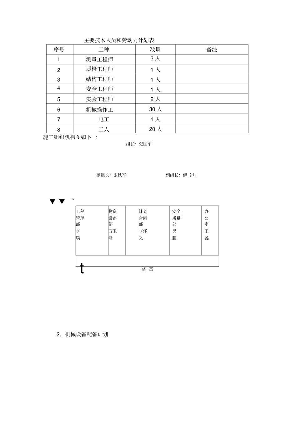
道路面水泥混凝土施工方案道路面水泥混凝土施工方案一、编制依据1、《公路水泥混凝土路面施工技术规范》JTG F30— 20032、《公路工程质量检验评定标准》JTGF80/1-20043、《公路工程施工安全技术规程》JTJ076/1-954、设计主要依据的规范、规定和标准二、 工程概况新鑫桥路基全长2691.195 米,为二级公路,与群英桥交叉以西K0+000~K0+384.9 和 K0+884.9~K2+458.4 路段,路面宽9 米,路基宽 12 米。路面横坡 1.5%,土路肩横坡3%; 与群英桥交叉以东K2+458.4~K3+196.455 路段,路面宽 12 米,路基宽 15 米。路面横坡1.5%, 土路肩横坡 3%。路面结构为30cm12%石灰稳定土+18cm水泥 稳定碎石 +乳化沥青下圭寸层+24cm水泥混凝土路面。全线水泥混凝土路面共 26480 讥三、 施工准备1、人员与施工组织针对本工程工期紧、地方干扰因素多,协调难度大的现状,准备选调一支有丰富施工经验协调能力强,善打硬仗的优秀施工队伍,并配以足够的技术管理人员。根据工程数量和现场施工条件,我项目部计划安排充足的人员和机械设备,投入主要技术人员和劳动力安排如下:主要技术人员和劳动力计划表序号工种数量备注1测量工程师3 人2质检工程师1 人3结构工程师1 人4安全工程师1 人5实验工程师2 人6机械操作工30 人7电工1 人8工人20 人施工组织机构图如下 : 组长:张国军副组长:张铁军副组长:伊书杰▼ ▼ “工程物资计划安全办管理设备合同质量公部部部部室李万卫李泽吴王璞峰义鹏鑫t路 基2、机械设备配备计划投入设备见下表 : 主要机械设备表名称型号单位数量备注全站仪拓普康 102台1水准仪DS3台1振动梁台1滚筒台1吸浆机台1抹面机台1抹光机台1压纹器台1切缝机台1发电机组30KW台2振动棒台2钢筋切断机1钢筋调直机13、材料的准备及其性能检验(1) 、水泥:水泥的物理性质和化学性质要符合国家标准,并且每一批水泥都应有质保书。并且按照公路工程质量检验评定标准要求的频率进行自检。(2)、砂:质地坚硬、耐光、洁净、符合规定级配,细度模量在2.5 以上。含泥量(冲洗法)不大于3%, 有机含量(比色法)不深与标准溶液的颜色。(3)、碎石:质地坚硬、耐光、洁净、符合规定级配,最大粒径不应超过31.5mm。石料的等级强度大于H级,压碎值符合规范规定,针、片状颗粒含量大于 15%,含泥量(冲洗法)不大于1%。(4)、根据施工进度计划,组织好各种材料的进场。并对已进场的砂、碎石、水泥、钢筋要进行各种性能检验,若有不符合...

1、当您付费下载文档后,您只拥有了使用权限,并不意味着购买了版权,文档只能用于自身使用,不得用于其他商业用途(如 [转卖]进行直接盈利或[编辑后售卖]进行间接盈利)。
2、本站所有内容均由合作方或网友上传,本站不对文档的完整性、权威性及其观点立场正确性做任何保证或承诺!文档内容仅供研究参考,付费前请自行鉴别。
3、如文档内容存在违规,或者侵犯商业秘密、侵犯著作权等,请点击“违规举报”。

碎片内容

水泥混凝土道路路面施工方案

爱的疯狂+ 关注
实名认证
内容提供者

该用户很懒,什么也没介绍

确认删除?
VIP
微信客服
  • 扫码咨询
会员Q群
  • 会员专属群点击这里加入QQ群
客服邮箱
回到顶部