电脑桌面
添加小米粒文库到电脑桌面
安装后可以在桌面快捷访问

水泥稳定土类基层讲解VIP免费

水泥稳定土类基层讲解_第1页
1/9
水泥稳定土类基层讲解_第2页
2/9
水泥稳定土类基层讲解_第3页
3/9
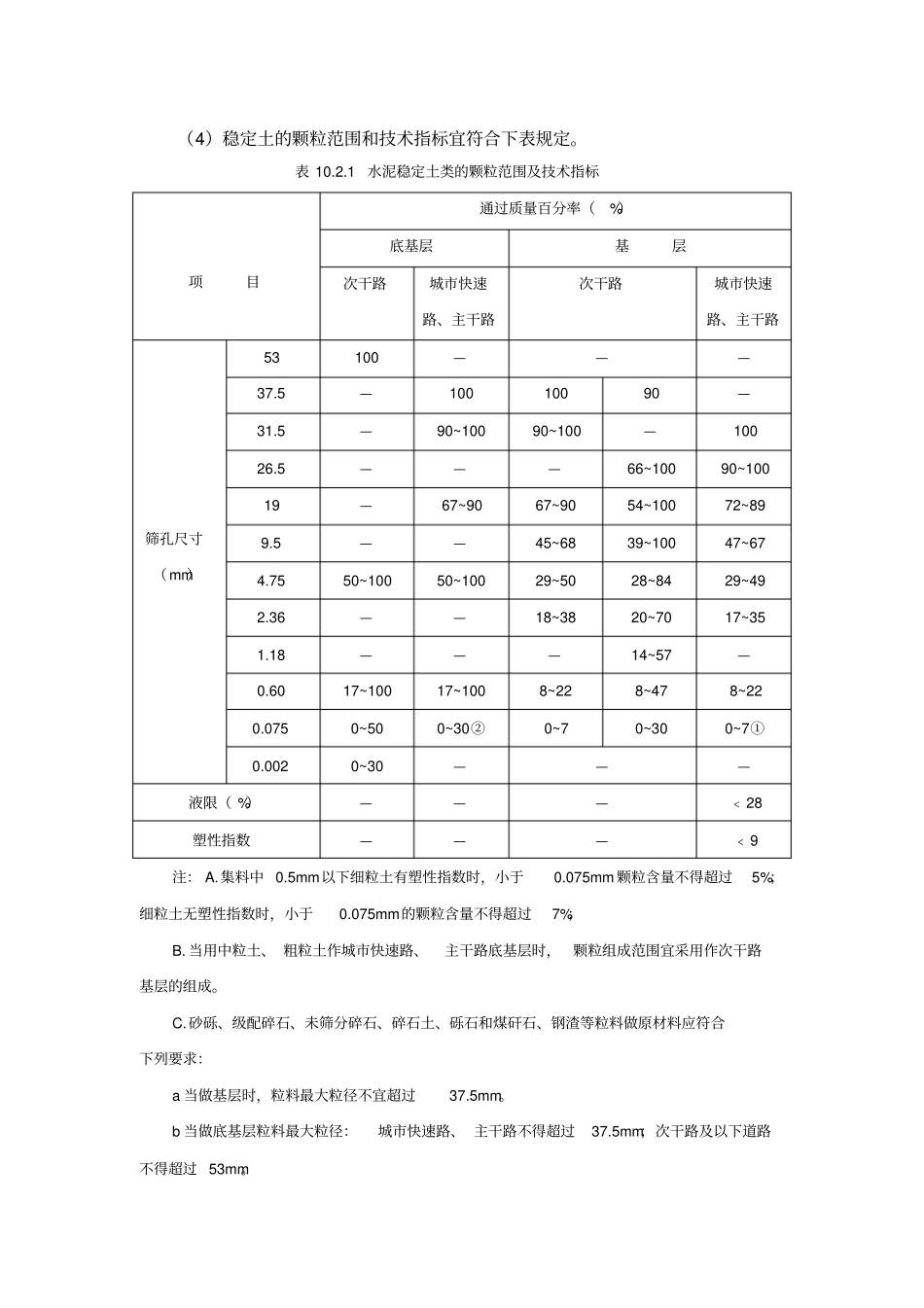
水泥稳定土类基层1、引用文件《城镇道路工程施工及质量验收规范》CJJ 1-2008 《城镇道路路面设计规范》CJJ 169-2012 2、施工准备2.1 作业条件下承层已通过各项指标验收,其表面平整、坚实,压实度、平整度、纵断高程、中线偏差、宽度、横坡度、边坡等各项指标必须符合有关规定。当下承层为新施工的水稳或石灰土层时,应确保其养护期在7d 以上。路肩填土、中央分隔带填土已完成。施工前对下承层进行清扫,并适当洒水湿润。相关地下管道的预埋及回填已完成并经验收合格。根据设计文件的要求,确定配合比,确定最佳含水量、最大干容量。施工前进行 100~200m试验段施工,确定机械设备组合效果、压实虚铺系数和施工方法。2.2 材料及机具2.2.1 材料1)水泥应符合下列要求:(1)应选用初凝时间大于3h,终凝时间不小于6h 的普通硅酸盐水泥、矿渣硅酸盐水泥、 火山灰硅酸盐水泥。 水泥应有出厂合格证与生产日期,复验合格方可使用。(2)水泥贮存期超过3 个月或受潮,应进行性能试验,合格后方可使用。2)土应符合下列要求:(1)土的不均匀系数不得小于5,宜大于 10。(2)土中小于 0.6mm颗粒的含量应小于30%。(3)宜选用粗粒土、中粒土。(4)稳定土的颗粒范围和技术指标宜符合下表规定。表 10.2.1水泥稳定土类的颗粒范围及技术指标项目通过质量百分率(%)底基层基层次干路城市快速路、主干路次干路城市快速路、主干路筛孔尺寸(mm)53 100 ———37.5 —100 100 90 —31.5 —90~100 90~100 —100 26.5 ———66~100 90~100 19 —67~90 67~90 54~100 72~89 9.5 ——45~68 39~100 47~67 4.75 50~100 50~100 29~50 28~84 29~49 2.36 ——18~38 20~70 17~35 1.18 ———14~57 —0.60 17~100 17~100 8~22 8~47 8~22 0.075 0~50 0~30②0~7 0~30 0~7①0.002 0~30 ———液限( %)———﹤28 塑性指数———﹤9 注: A.集料中 0.5mm以下细粒土有塑性指数时,小于0.075mm 颗粒含量不得超过5%;细粒土无塑性指数时,小于0.075mm的颗粒含量不得超过7%;B. 当用中粒土、 粗粒土作城市快速路、主干路底基层时,颗粒组成范围宜采用作次干路基层的组成。C.砂砾、级配碎石、未筛分碎石、碎石土、砾石和煤矸石、钢渣等粒料做原材料应符合下列要求:a 当做基层时,粒料最大粒径不宜超过37.5mm。b 当做底基层粒料最大粒径:城市快速路、 主干路不得超过37.5mm;次干路及以下道路不得超过 53m...

1、当您付费下载文档后,您只拥有了使用权限,并不意味着购买了版权,文档只能用于自身使用,不得用于其他商业用途(如 [转卖]进行直接盈利或[编辑后售卖]进行间接盈利)。
2、本站所有内容均由合作方或网友上传,本站不对文档的完整性、权威性及其观点立场正确性做任何保证或承诺!文档内容仅供研究参考,付费前请自行鉴别。
3、如文档内容存在违规,或者侵犯商业秘密、侵犯著作权等,请点击“违规举报”。

碎片内容

水泥稳定土类基层讲解

您可能关注的文档

确认删除?
VIP
微信客服
  • 扫码咨询
会员Q群
  • 会员专属群点击这里加入QQ群
客服邮箱
回到顶部