电脑桌面
添加小米粒文库到电脑桌面
安装后可以在桌面快捷访问

《凸缘法兰Excal计算程序》依据HG205821998《钢制化工容器强度计算规定》制作——[阿贤E苑]出品VIP专享VIP免费

《凸缘法兰Excal计算程序》依据HG205821998《钢制化工容器强度计算规定》制作——[阿贤E苑]出品_第1页
1/6
《凸缘法兰Excal计算程序》依据HG205821998《钢制化工容器强度计算规定》制作——[阿贤E苑]出品_第2页
2/6
《凸缘法兰Excal计算程序》依据HG205821998《钢制化工容器强度计算规定》制作——[阿贤E苑]出品_第3页
3/6
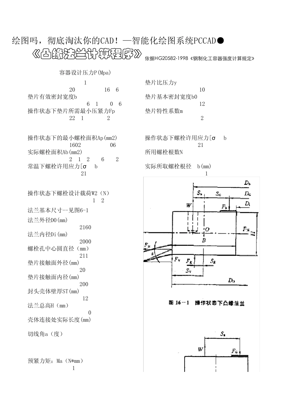
垫片基本数据预紧状态下螺栓所需的螺栓最小载荷Wa560436.0635操作状态下的最小螺栓载荷Wp3478192.758端面力F3254018.333螺栓数据预紧状态下所需螺栓最小面积Aa(mm2)2582.65467需要的螺栓面积Am(mm2)16028.53806最小要求螺栓根径尺寸(mm)25.25381685螺栓设计载荷预紧状态下螺栓设计载荷W1(N)4359649.608法兰计算螺栓中心圆与形心间距Sb(mm)17.5Sa(mm)39.76417709液压作用中心与法兰形心间距Sr(mm)8.867911457法兰形心半径R。(mm)1040总压作用线与Do间距SV(mm)80垫片压紧力作用中心圆直径DG(mm)2035.471646垫片力作用线与法兰形心间距SG(mm)22.26417709SH(mm)20.775预紧状态作用力与力矩预紧作用力:W预=FG(N)4359649.608●您还在用CAD绘图吗操作状态作用力与力矩W(N)3478192.758FM(N)314159.2654Mp(N*mm)-166284274.2法兰截面模数We(mm3)8046404.184法兰应力计算预紧状态下21.54476398操作状态下20.66566263预紧状态是否满足要求满足要求BY:徐和贤 录入并校对 Mar《凸缘法兰计算程序》依 据 HG20582-1998《 钢 制 化 工 容 器 强 度 计 算 规 定 》容器设计压力P(Mpa)1垫片比压力y2035.47164610垫片有效密封宽度b垫片基本密封宽度b0 8.76417708612操作状态下垫片所需最小压紧力Fp垫片特性系数m224174.42542操作状态下的最小螺栓面积Ap(mm2)操作状态下螺栓许用应力[σ ]b,t16028.53806217实际螺栓面积Ab(mm2)所用螺栓根数N24152.564328常温下螺栓许用应力[σ ]b实际所取螺栓根径db(mm)21731操作状态下螺栓设计载荷W2(N)3478192.758法兰基本尺寸--见图6-1法兰外径D0(mm)2160法兰内径Di(mm)2000螺栓孔中心圆直径(mm)2115垫片接触面外径(mm)2053垫片接触面内径(mm)2005封头壳体壁厚ST(mm)12法兰总高H(mm)50壳体连接处实际长度(mm)8.45切线角a(度)53预紧力矩:Ma(N*mm)173357879绘图吗,彻底淘汰你的CAD!—智能化绘图系统PCCAD●Fr(N)410335.3381Fv(N)3664353.671FH(n)2761288.55图例常温下法兰材料许用应力(Mpa)手工输入(已知)125.5自动计算操作下法兰材料许用应力(Mpa)分类说明125.5核算结果主要核算参数操作状态是否满足要求满足要求对 Mar.16,2008 更多…尽在【阿贤E苑】http://xuhexian.ys168.com/

1、当您付费下载文档后,您只拥有了使用权限,并不意味着购买了版权,文档只能用于自身使用,不得用于其他商业用途(如 [转卖]进行直接盈利或[编辑后售卖]进行间接盈利)。
2、本站所有内容均由合作方或网友上传,本站不对文档的完整性、权威性及其观点立场正确性做任何保证或承诺!文档内容仅供研究参考,付费前请自行鉴别。
3、如文档内容存在违规,或者侵犯商业秘密、侵犯著作权等,请点击“违规举报”。

碎片内容

《凸缘法兰Excal计算程序》依据HG205821998《钢制化工容器强度计算规定》制作——[阿贤E苑]出品

小辰8+ 关注
实名认证
内容提供者

出售各种资料和文档

确认删除?
VIP
微信客服
  • 扫码咨询
会员Q群
  • 会员专属群点击这里加入QQ群
客服邮箱
回到顶部