电脑桌面
添加小米粒文库到电脑桌面
安装后可以在桌面快捷访问

吊装方案模板分解

吊装方案模板分解_第1页
1/21
吊装方案模板分解_第2页
2/21
吊装方案模板分解_第3页
3/21
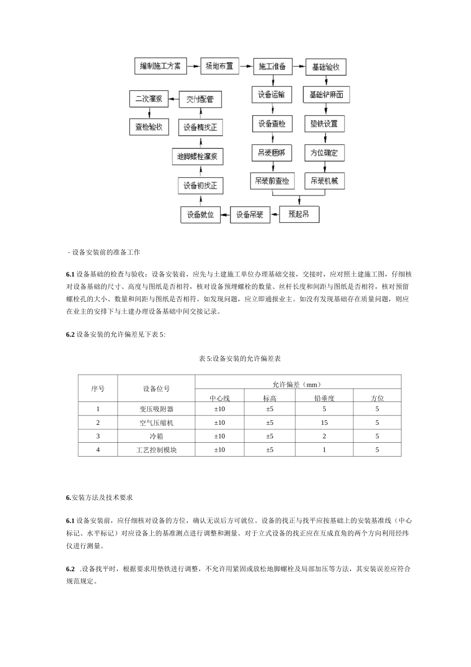
吊装方案1.概述本工程为空气化工产品(中国)投资有限公司空气化工产品(广州)有限公司东莞 Ferroxcube11HPN 项目,该项目中有五台设备进行吊装,其中最长设备为 15.74 米,最重设备为 15.48 吨,其余设备重量都在 10 吨左右。具体情况见表 1。表 1:设备参数表序号位号名称外形尺寸(mm)数量重量(Kg)1C181A/B变压吸附器申 1440x6186mm289142K111空气压缩机3390x2031x1981mm1102003S218冷箱申 1524x15740mm1158404U004工艺控制模块5350x2100x3200mm18500•施工中执行的规范及要求2.1业主或制造厂提供的设备安装规范2.2《化工机械安装工程施工及验收规范(通用规定)》HSJ203-832.3《中低压化工设备施工及验收规范》HGJ209-832.4《现场设备工业管道焊接工程施工及验收规范》GB50236-983.设备总体安装原则:4.1到场的设备只要具备安装条件的,到场后立即安装。4.2安装设备的总体原则是先大后小,先里后外。4.设备安装工艺流程表 2:设备安装工艺流程图・设备安装前的准备工作6.1 设备基础的检查与验收:设备安装前,应先与土建施工单位办理基础交接,交接时,应对照土建施工图,仔细核对设备基础的尺寸、高度与图纸是否相符,核对设备预埋螺栓的数量、丝杆长度和间距与图纸是否相符,核对预留螺栓孔的大小、数量和间距与图纸是否相符。如发现问题,应立即通报业主。如没有发现基础存在质量问题,则应在业主的安排下与土建办理设备基础中间交接记录。6.2 设备安装的允许偏差见下表 5:表 5:设备安装的允许偏差表序号设备位号允许偏差(mm)中心线标高铅垂度方位1变压吸附器±10±5552空气压缩机±10±51553冷箱±10±5254工艺控制模块±10±5156.安装方法及技术要求6.1 设备安装前,应仔细核对设备的方位,确认无误后方可就位。设备的找正与找平应按基础上的安装基准线(中心标记、水平标记)对应设备上的基准测点进行调整和测量。对于立式设备的找正应在互成直角的两个方向利用经纬仪进行测量。6.2 .设备找平时,根据要求用垫铁进行调整,不允许用紧固或放松地脚螺栓及局部加压等方法,其安装误差应符合规范规定。6.2.1 设备的垫铁组高度为 30〜60mm。6.2.2预留螺栓孔安装的设备,先用临时垫铁对设备进行初找正、找平后,进行地脚螺栓的灌浆工作,水泥灌浆料通常采用麦斯特(牌号为 98c),待混凝土强度达到 75%以上时,在地脚螺栓旁布置垫铁进行最终的找正、找平工作。6.2.3垫铁应露出设备支座底板外缘 10~20mm,垫铁伸入长...

1、当您付费下载文档后,您只拥有了使用权限,并不意味着购买了版权,文档只能用于自身使用,不得用于其他商业用途(如 [转卖]进行直接盈利或[编辑后售卖]进行间接盈利)。
2、本站所有内容均由合作方或网友上传,本站不对文档的完整性、权威性及其观点立场正确性做任何保证或承诺!文档内容仅供研究参考,付费前请自行鉴别。
3、如文档内容存在违规,或者侵犯商业秘密、侵犯著作权等,请点击“违规举报”。

碎片内容

吊装方案模板分解

确认删除?
VIP
微信客服
  • 扫码咨询
会员Q群
  • 会员专属群点击这里加入QQ群
客服邮箱
回到顶部