电脑桌面
添加小米粒文库到电脑桌面
安装后可以在桌面快捷访问

水系统中水流速的推荐值

水系统中水流速的推荐值_第1页
1/8
水系统中水流速的推荐值_第2页
2/8
水系统中水流速的推荐值_第3页
3/8
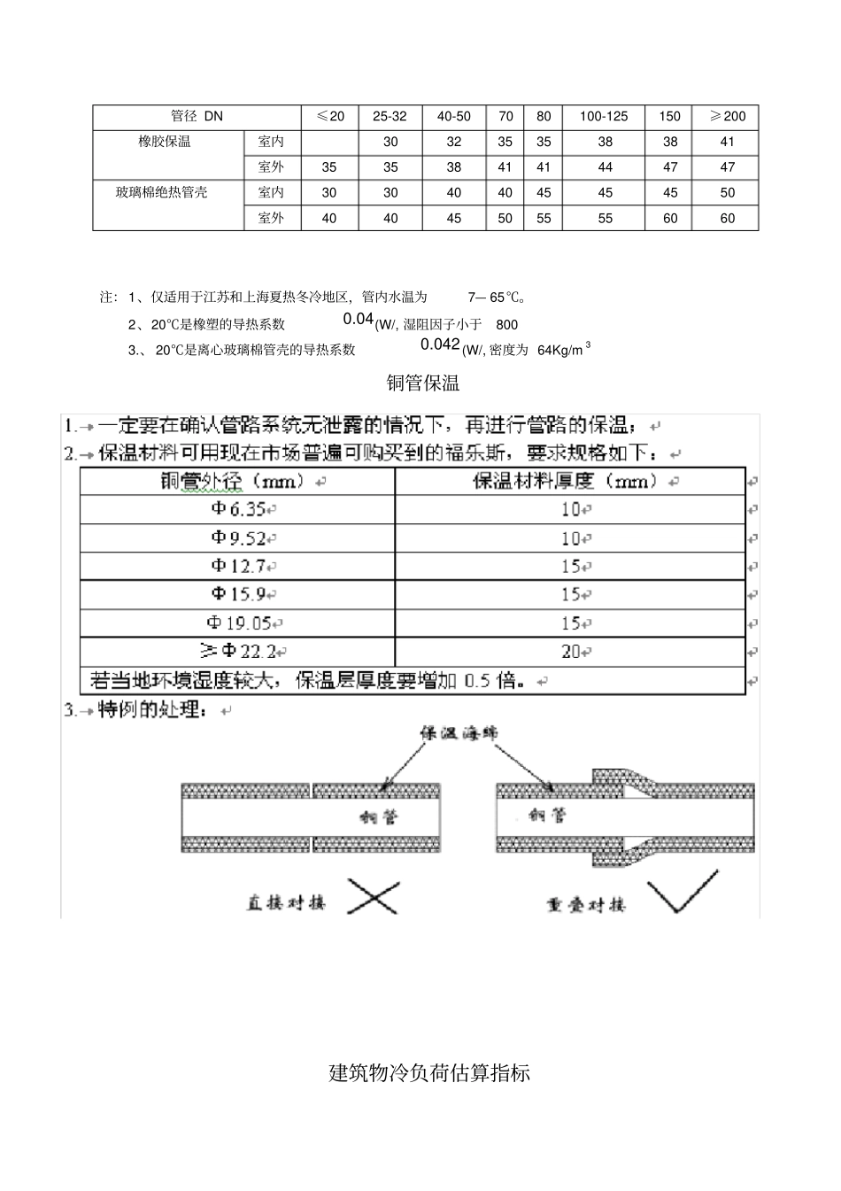
水系统中水流速的推荐值管件15 20 25 3240506580闭式系统开式系统管径100125150200250300350400闭式系统开式系统查表确定冷冻水管管径管径mm202532405065in3/411-1/41-1/222-1/2制冷量 KW<10-3030-4040-6565-120流量 m 3/h1-23-45-67-1011-18参照流速m/s1管径Mm80100125150200250In3456810制冷量 KW120-210210-410410-750750-12001200-25002035-3250流量 m 3/h19-3233-6566-115116-185186-350350-560参照流速m/s22冷凝水管径的简易确定方法空调设备冷量KW≤7冷凝水管径202532405080注: 1. 做冷凝水主管是应考虑脏堵问题,最小不小于ND32。2. 应合理考虑坡度,从设备接出的支管保证,主管保证。空调冷热水管最小保温厚度表(mm )管径 DN≤2025-3240-507080100-125150≥200橡胶保温室内30323535383841室外3535384141444747玻璃棉绝热管壳室内3030404045454550室外4040455055556060注: 1、仅适用于江苏和上海夏热冬冷地区,管内水温为7— 65℃。2、20℃是橡塑的导热系数04.0(W/, 湿阻因子小于8003.、 20℃是离心玻璃棉管壳的导热系数042.0(W/, 密度为 64Kg/m3铜管保温建筑物冷负荷估算指标建筑物冷负荷 W/m2逗留者m2/人照明 W/m2送风量l/sm2显冷负荷总冷负荷办公室中部区659510605周边11016010606个人办公室16024015608会议室1852703609学校教室130190409图书馆1301906309自助餐厅1502603010公寓高层,南向110160102010高层,北向8013010209戏院、大会堂11026012012实验室150230105010图书馆、博物馆9515010408医院手术室1103806208公共场所5015010308卫生所、诊所130200104010理发室、美容院11020045010百货商店地下1502504012中间层13022526010上层1102003408药店11021033010零售店1101604010精品店11016053010酒吧13026021510餐厅11032021712饭店房间8013010157公共场所11016010158工厂装配室150260459轻工业1602601530101.冷却水流量: 一般按照产品样本提供数值选取,或按照如下公式进行计算,公式中的Q 为制冷主机制冷量)2.1~15.1(1.1635)-(4.5Q(Kw)/h)L(m32.冷冻水流量: 在没有考虑同时使用率的情况下选定的机组,可根据产品样本提供的数值选用或根据如下公式进行计算。如果考虑了同时使用率,建议用如下公式进行计算。公式中的Q 为建筑没有考虑同时使用率情况下的总冷负荷。1.1635)-(4.5Q(Kw)/h)L(m3水泵的选择注意:一般,选择水泵时,水泵的进出口管径应比水泵所在管段的管径小一个型号。例如:水泵所在管段...

1、当您付费下载文档后,您只拥有了使用权限,并不意味着购买了版权,文档只能用于自身使用,不得用于其他商业用途(如 [转卖]进行直接盈利或[编辑后售卖]进行间接盈利)。
2、本站所有内容均由合作方或网友上传,本站不对文档的完整性、权威性及其观点立场正确性做任何保证或承诺!文档内容仅供研究参考,付费前请自行鉴别。
3、如文档内容存在违规,或者侵犯商业秘密、侵犯著作权等,请点击“违规举报”。

碎片内容

水系统中水流速的推荐值

您可能关注的文档

确认删除?
VIP
微信客服
  • 扫码咨询
会员Q群
  • 会员专属群点击这里加入QQ群
客服邮箱
回到顶部