电脑桌面
添加小米粒文库到电脑桌面
安装后可以在桌面快捷访问

永久气体气瓶充装试题与答案资料

永久气体气瓶充装试题与答案资料_第1页
1/8
永久气体气瓶充装试题与答案资料_第2页
2/8
永久气体气瓶充装试题与答案资料_第3页
3/8
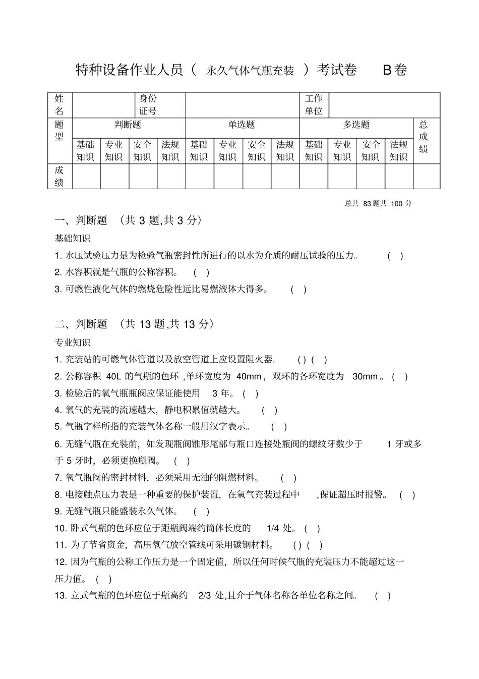
特种设备作业人员(永久气体气瓶充装 )考试卷B卷姓名身份证号工作单位题型判断题单选题多选题总成绩基础知识专业知识安全知识法规知识基础知识专业知识安全知识法规知识基础知识专业知识安全知识法规知识成绩总共 83 题共 100 分一、判断题 (共 3 题,共 3 分)基础知识1. 水压试验压力是为检验气瓶密封性所进行的以水为介质的耐压试验的压力。 ( ) 2. 水容积就是气瓶的公称容积。 ( ) 3. 可燃性液化气体的燃烧危险性远比易燃液体大得多。 ( ) 二、判断题 (共 13 题,共 13 分)专业知识1. 充装站的可燃气体管道以及放空管道上应设置阻火器。( ) ( ) 2. 公称容积 40L 的气瓶的色环 ,单环宽度为 40mm ,双环的各环宽度为30mm 。 ( ) 3. 检验后的氧气瓶瓶阀应保证能使用3 年。 ( ) 4. 氧气的充装的流速越大,静电积累值就越大。 ( ) 5. 气瓶字样所指的充装气体名称一般用汉字表示。 ( ) 6. 无缝气瓶在充装前,如发现瓶阀锥形尾部与瓶口连接处瓶阀的螺纹牙数少于1 牙或多于 5 牙时,必须更换瓶阀。 ( ) 7. 氧气瓶阀的密封材料,必须采用无油的阻燃材料。 ( ) 8. 电接触点压力表是一种重要的保护装置,在氧气充装过程中,保证超压时报警。 ( ) 9. 无缝气瓶只能盛装永久气体。 ( ) 10. 卧式气瓶的色环应位于距瓶阀端约筒体长度的1/4 处。 ( ) 11. 为了节省资金,高压氧气放空管线可采用碳钢材料。( ) ( ) 12. 因为气瓶的公称工作压力是一个固定值,所以任何时候气瓶的充装压力不能超过这一压力值。 ( ) 13. 立式气瓶的色环应位于瓶高约2/3 处,且介于气体名称各单位名称之间。 ( ) 三、判断题 (共 11 题,共 11 分)安全知识1. 永久气体在充装时以及允许的工作温度下贮运和使用过程中均为气态。 ( ) 2. 钢印标记、颜色标记不符合规定的气瓶不能充装 ( ) 3. 运输瓶装氧气时,车辆必须配备灭火器材。 ( ) 4. 瓶装液化石油气可以和瓶装氧气可以同车运输。 ( ) 5. 天然气不能被压缩或液化。 ( ) 6. 充装过程中检查发现气瓶变形的,立即停止充装。 ( ) 7. 充装过程中检查发现充装管路阀门、充装卡具,导管等发生漏气时,如果压力够的话,就可以等到充装结束后再处理。 ( ) 8. 运输瓶装液化石油气时,车辆必须配备灭火器材。 ( ) 9. 在工业上常用氮气作为安全防火防爆的置换或试验用气。 ( ) 10. 运输小容积气瓶应将...

1、当您付费下载文档后,您只拥有了使用权限,并不意味着购买了版权,文档只能用于自身使用,不得用于其他商业用途(如 [转卖]进行直接盈利或[编辑后售卖]进行间接盈利)。
2、本站所有内容均由合作方或网友上传,本站不对文档的完整性、权威性及其观点立场正确性做任何保证或承诺!文档内容仅供研究参考,付费前请自行鉴别。
3、如文档内容存在违规,或者侵犯商业秘密、侵犯著作权等,请点击“违规举报”。

碎片内容

永久气体气瓶充装试题与答案资料

您可能关注的文档

确认删除?
VIP
微信客服
  • 扫码咨询
会员Q群
  • 会员专属群点击这里加入QQ群
客服邮箱
回到顶部