电脑桌面
添加小米粒文库到电脑桌面
安装后可以在桌面快捷访问

汽车保养与维护实操考核

汽车保养与维护实操考核_第1页
1/4
汽车保养与维护实操考核_第2页
2/4
汽车保养与维护实操考核_第3页
3/4
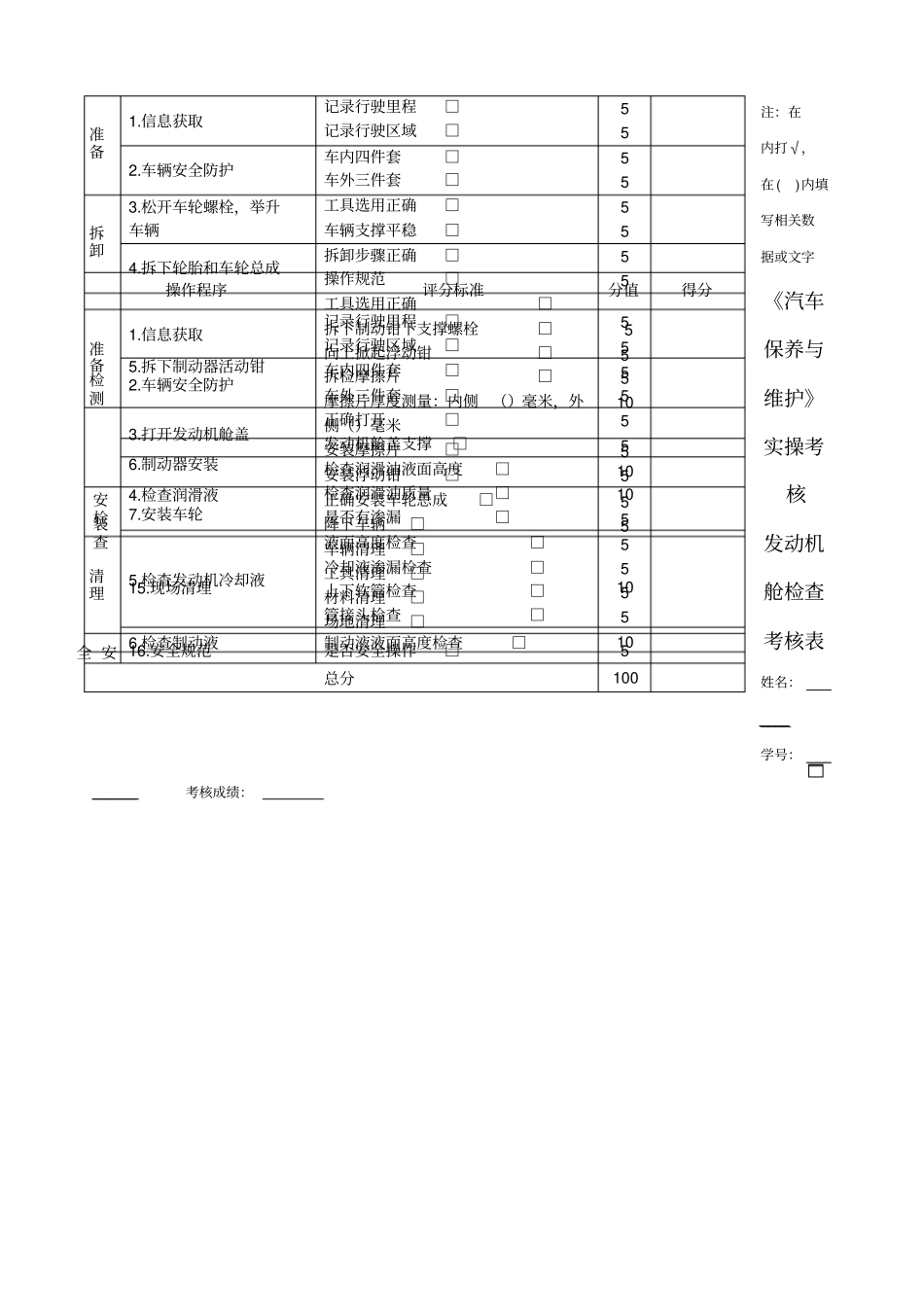
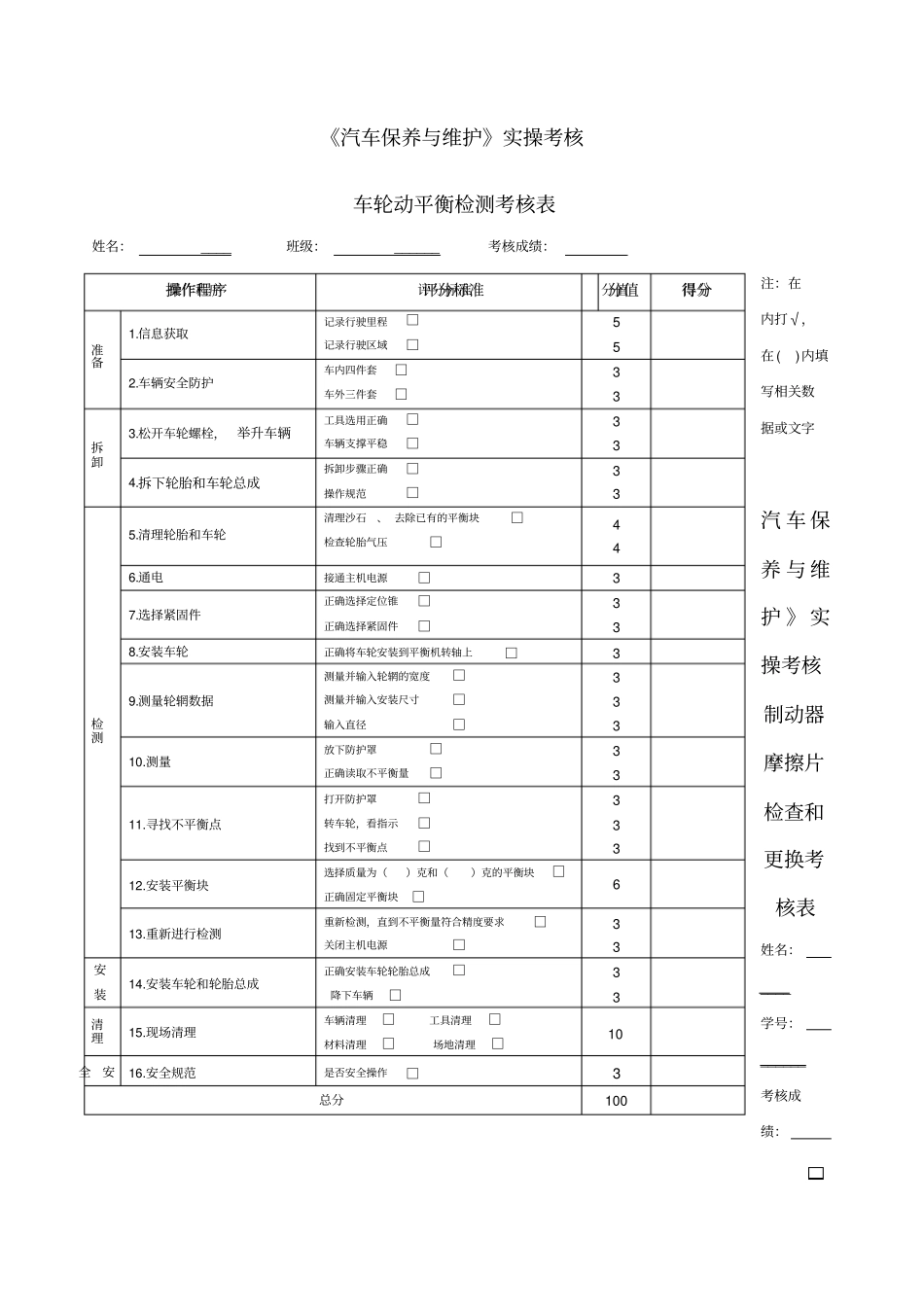
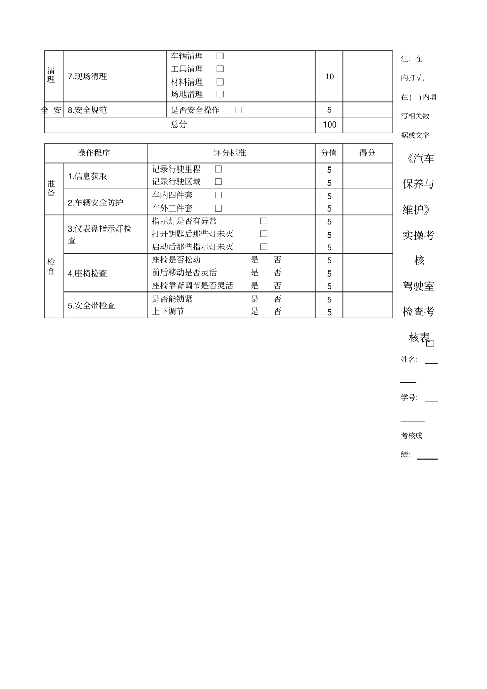
《汽车保养与维护》实操考核车轮动平衡检测考核表姓名:____ 班级:______ 考核成绩:注:在内打√,在( )内填写相关数据或文字汽 车 保养 与 维护 》 实操考核制动器摩擦片检查和更换考核表姓名:____ 学号:______ 考核成绩:操作程序评分标准分值得分准备1.信息获取记录行驶里程□记录行驶区域□5 5 2.车辆安全防护车内四件套□车外三件套□3 3 拆卸3.松开车轮螺栓, 举升车辆工具选用正确□车辆支撑平稳□3 3 4.拆下轮胎和车轮总成拆卸步骤正确□操作规范□3 3 检测5.清理轮胎和车轮清理沙石、 去除已有的平衡块□检查轮胎气压□4 4 6.通电接通主机电源□3 7.选择紧固件正确选择定位锥□正确选择紧固件□3 3 8.安装车轮正确将车轮安装到平衡机转轴上□3 9.测量轮辋数据测量并输入轮辋的宽度□测量并输入安装尺寸□输入直径□3 3 3 10.测量放下防护罩□正确读取不平衡量□3 3 11.寻找不平衡点打开防护罩□转车轮,看指示□找到不平衡点□3 3 3 12.安装平衡块选择质量为()克和()克的平衡块□正确固定平衡块□6 13.重新进行检测重新检测,直到不平衡量符合精度要求□关闭主机电源□3 3 安装14.安装车轮和轮胎总成正确安装车轮轮胎总成□降下车辆□3 3 清理15.现场清理车辆清理□工具清理□材料清理□场地清理□10 安全16.安全规范是否安全操作□3 总分100 操作程序评分标准分值得分注:在内打√,在( )内填写相关数据或文字《汽车保养与维护》实操考核发动机舱检查考核表姓名:____ 学号:______ 考核成绩:准备1.信息获取记录行驶里程□记录行驶区域□5 5 2.车辆安全防护车内四件套□车外三件套□5 5 拆卸3.松开车轮螺栓,举升车辆工具选用正确□车辆支撑平稳□5 5 4.拆下轮胎和车轮总成拆卸步骤正确□操作规范□5 5 检测5.拆下制动器活动钳工具选用正确□拆下制动钳下支撑螺栓□向上掀起浮动钳□拆检摩擦片□摩擦片厚度测量:内侧()毫米,外侧()毫米5 5 5 10 6.制动器安装安装摩擦片□安装浮动钳□5 5 安装7.安装车轮正确安装车轮总成□降下车辆□5 5 清理15.现场清理车辆清理□工具清理□材料清理□场地清理□10 安全16.安全规范是否安全操作□5 总分100 操作程序评分标准分值得分准备1.信息获取记录行驶里程□记录行驶区域□5 5 2.车辆安全防护车内四件套□车外三件套□5 5 检查3.打开发动机舱盖正确打开□发动机舱盖支撑□5 5 4.检查润滑液检查润滑油液面高...

1、当您付费下载文档后,您只拥有了使用权限,并不意味着购买了版权,文档只能用于自身使用,不得用于其他商业用途(如 [转卖]进行直接盈利或[编辑后售卖]进行间接盈利)。
2、本站所有内容均由合作方或网友上传,本站不对文档的完整性、权威性及其观点立场正确性做任何保证或承诺!文档内容仅供研究参考,付费前请自行鉴别。
3、如文档内容存在违规,或者侵犯商业秘密、侵犯著作权等,请点击“违规举报”。

碎片内容

汽车保养与维护实操考核

爱的疯狂+ 关注
实名认证
内容提供者

该用户很懒,什么也没介绍

确认删除?
VIP
微信客服
  • 扫码咨询
会员Q群
  • 会员专属群点击这里加入QQ群
客服邮箱
回到顶部