电脑桌面
添加小米粒文库到电脑桌面
安装后可以在桌面快捷访问

汽车抢修外出服务记录表模板

汽车抢修外出服务记录表模板_第1页
1/2
汽车抢修外出服务记录表模板_第2页
2/2
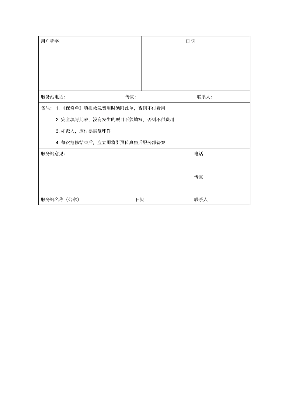
汽车抢修外出服务记录表年月日车型车辆编号购车日期行驶里程服务种类:1.抢修服务□ 2.外出服务□服务地点:名称:距离(往返里程) :方式:服务车□工其它方式□服务站接到求授时间:年月日到达时间:年月日经时分钟排除故障, 故障排除不了, 拖到站修理, 车辆停修天小时待工时间小时待料时间小时停驶时间小时修理时间小时客户直接求援□助外服管理员通知□书服务部通知□因车辆损坏,□车主将客户转移,□未转移,□其它外出任务处理结果:签字:外出人姓名:日期:共天:差旅费:过路过桥费:出车补助:其它费用以下由用户填写用户地址联系人电话驾驶证车牌号来服务车,牌号是,来人用户意见:很满意□满意□一般□较满意□不满意□收费维修:工时费:元材料费:元未收费用:其它用户签字:日期服务站电话:传真:联系人:备注: 1. 《保修单》填报救急费用时须附此单,否则不付费用2. 完全填写此表,没有发生的项目不须填写,否则不付费用3. 如派人,应付票据复印件4. 每次抢修结束后,应立即将引页传真售后服务部备案服务站意见:电话传真服务站名称(公章)日期联系人

1、当您付费下载文档后,您只拥有了使用权限,并不意味着购买了版权,文档只能用于自身使用,不得用于其他商业用途(如 [转卖]进行直接盈利或[编辑后售卖]进行间接盈利)。
2、本站所有内容均由合作方或网友上传,本站不对文档的完整性、权威性及其观点立场正确性做任何保证或承诺!文档内容仅供研究参考,付费前请自行鉴别。
3、如文档内容存在违规,或者侵犯商业秘密、侵犯著作权等,请点击“违规举报”。

碎片内容

汽车抢修外出服务记录表模板

您可能关注的文档

确认删除?
VIP
微信客服
  • 扫码咨询
会员Q群
  • 会员专属群点击这里加入QQ群
客服邮箱
回到顶部