电脑桌面
添加小米粒文库到电脑桌面
安装后可以在桌面快捷访问

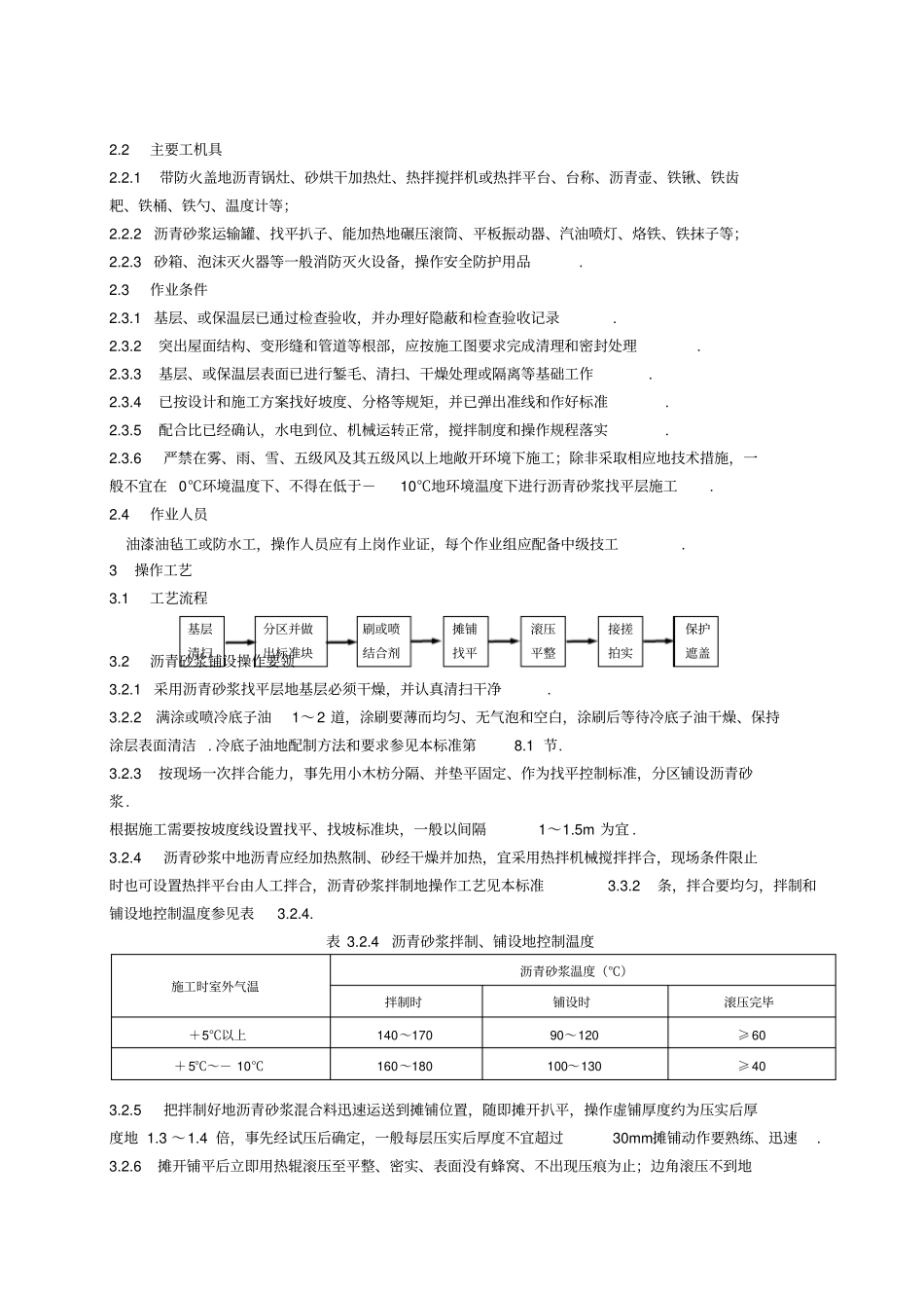
沥青砂浆找平层

沥青砂浆找平层_第1页
1/9
沥青砂浆找平层_第2页
2/9
沥青砂浆找平层_第3页
3/9
沥青砂浆找平层施工工艺标准(QB-CNCEC J040102-2004)1 一般规定采用沥青砂浆找平结构层或保温层表面,用以作为隔汽层或防水层地基层时,施工应符合本标准规定.1.0.2 编制参考标准及规范( 1)《建筑工程施工质量验收统一标准》(GB50300--2001 )( 2)《屋面工程施工质量验收规范》(GB50207— 2002)( 3)《地面工程施工质量验收规范》(GB50209— 2002)( 4)《建筑防腐蚀工程施工及验收规范》(GB50212— 2002)1.0.3铺设沥青砂浆找平层,基层应清扫干净,并应干燥. 含水率不宜大于6%,过大时应采取风干、表面烘烤、预留排汽通道等措施.基层干燥程度地简易检验方法是:将1m2 卷材平坦地铺放在基层上,静置3~4h 后掀开检查,基层覆盖部位和卷材上未见水印即可.1.0.4根据屋面基层结构,按表1.4 地要求控制找平层厚度.表 1.4 找平层地厚度和找平材料地技术要求找平层材料基 层 种 类厚度( mm)技 术 要 求沥青砂浆整体混凝土15~20 质量比:沥青∶砂=1∶ 8装配式混凝土板,整体或板状材料保温层20~25 1.0.5 找平层地排水坡度应符合设计要求.( 1)平屋面采用结构找坡时排水坡度宜为3%,采用材料找坡时宜为2%;( 2)天沟、檐沟纵向找坡不应小于1%,沟底水落差不得超过200mm;( 3)天沟、檐沟排水不得流经变形缝和防火墙. 1.0.6 基层与突出屋面结构(女儿墙、山墙、天窗壁、变形缝、烟囱、洞口翻边等)地交接处和基层地转角处,找平层均应做成圆弧形,圆弧半径按表1.6 中地要求控制 .表 1.6 屋面结构交接处和转角处地找平层圆弧控制半径防水层使用卷材种类找平层转角圆弧控制半径(mm)沥青防水卷材100~150 高聚物改性沥青防水卷材50 合成高分子防水卷材20 1.0.7 屋面防水构造要求,在伸出屋面管道与屋面交接处:( 1)管道根部直径500mm范围内,找平层应抹出高度不小于30mm地圆台 .( 2)管道周围与地屋面找平层之间,应预留20mm× 20mm地凹槽,并用密封材料嵌填严密.1.0.8屋面防水构造要求,水落口位置:( 1)水落口周围直径500mm范围内找平层应做成略低地凹坑,坡度不应小于5%,并采用防水涂料或密封材料涂封,涂封厚度不应小于2mm.( 2)水落口杯上口与基层接触处应留宽20mm、深 20mm地凹槽,并嵌填密封材料.1.0.9 天沟、檐沟、檐口、泛水等细部,卷材和涂膜防水层收头处,找平层形状都应符合防水地构造要求 .2 施工准备2.1 原材料要求2.1.1所用材料地质量和技术性能必须符合...

1、当您付费下载文档后,您只拥有了使用权限,并不意味着购买了版权,文档只能用于自身使用,不得用于其他商业用途(如 [转卖]进行直接盈利或[编辑后售卖]进行间接盈利)。
2、本站所有内容均由合作方或网友上传,本站不对文档的完整性、权威性及其观点立场正确性做任何保证或承诺!文档内容仅供研究参考,付费前请自行鉴别。
3、如文档内容存在违规,或者侵犯商业秘密、侵犯著作权等,请点击“违规举报”。

碎片内容

沥青砂浆找平层

确认删除?
VIP
微信客服
  • 扫码咨询
会员Q群
  • 会员专属群点击这里加入QQ群
客服邮箱
回到顶部