电脑桌面
添加小米粒文库到电脑桌面
安装后可以在桌面快捷访问

油罐区操作规程

油罐区操作规程_第1页
1/12
油罐区操作规程_第2页
2/12
油罐区操作规程_第3页
3/12
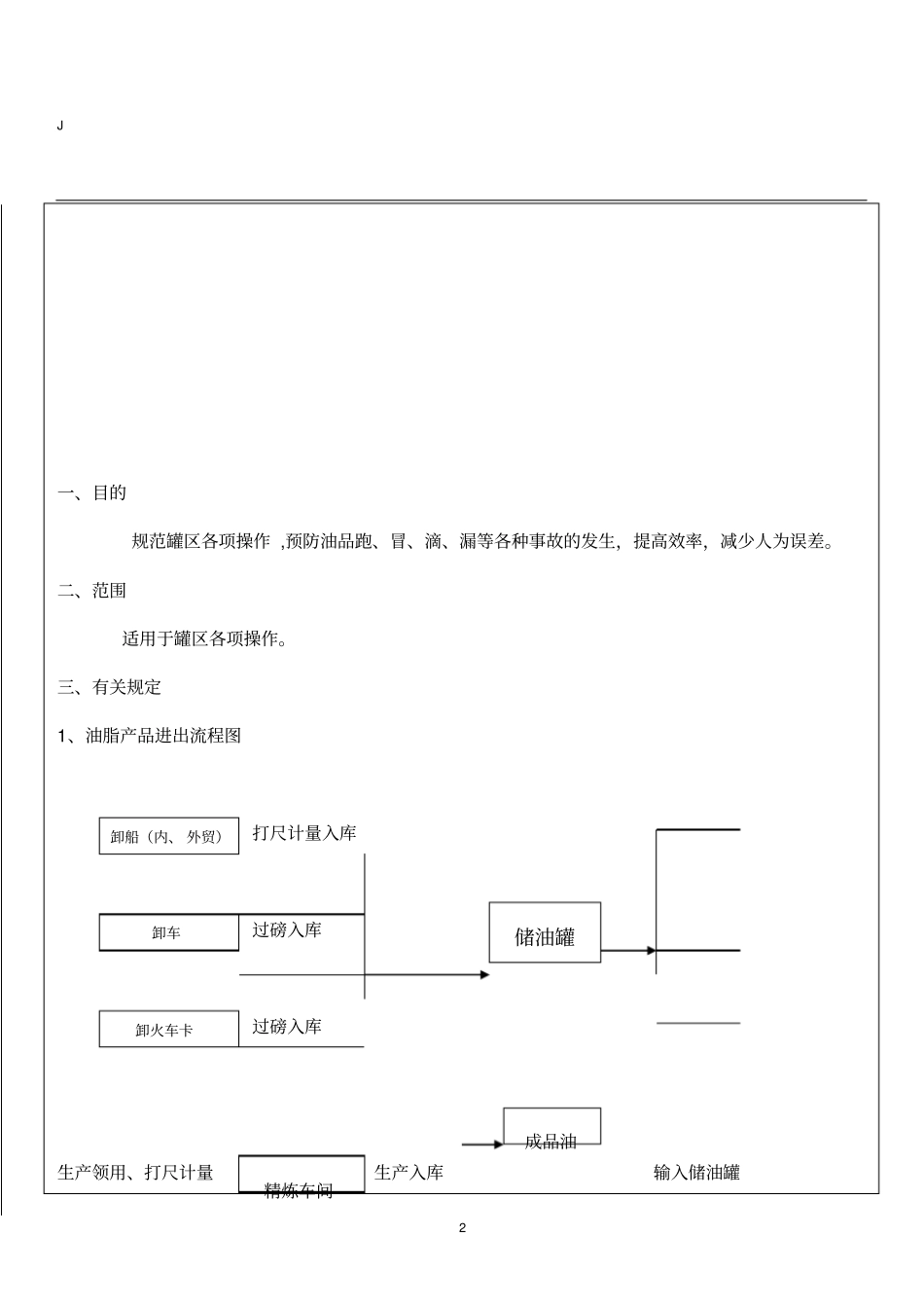
J 1 目录1、油脂产品进出流程图⋯⋯⋯⋯⋯⋯⋯⋯⋯⋯⋯⋯⋯⋯⋯⋯⋯⋯⋯⋯⋯⋯⋯⋯⋯⋯⋯⋯⋯⋯3 2、罐区油品输送作业指导总则⋯⋯⋯⋯⋯⋯⋯⋯⋯⋯⋯⋯⋯⋯⋯⋯⋯⋯⋯⋯⋯⋯⋯⋯⋯⋯3 3、罐区各项作业操作规程⋯⋯⋯⋯⋯⋯⋯⋯⋯⋯⋯⋯⋯⋯⋯⋯⋯⋯⋯⋯⋯⋯⋯⋯⋯⋯⋯⋯4 3.1 装卸船操作规程⋯⋯⋯⋯⋯⋯⋯⋯⋯⋯⋯⋯⋯⋯⋯⋯⋯⋯⋯⋯⋯⋯⋯⋯⋯⋯⋯⋯⋯⋯⋯4 3.2 汽车装卸操作规程⋯⋯⋯⋯⋯⋯⋯⋯⋯⋯⋯⋯⋯⋯⋯⋯⋯⋯⋯⋯⋯⋯⋯⋯⋯⋯⋯⋯⋯⋯6 3.3 火车卡装油操作规程⋯⋯⋯⋯⋯⋯⋯⋯⋯⋯⋯⋯⋯⋯⋯⋯⋯⋯⋯⋯⋯⋯⋯⋯⋯⋯⋯⋯⋯6 3.4 精炼厂各种油品进出油罐区作业操作规程⋯⋯⋯⋯⋯⋯⋯⋯⋯⋯⋯⋯⋯⋯⋯⋯⋯⋯⋯⋯⋯73.5 倒罐作业操作规程⋯⋯⋯⋯⋯⋯⋯⋯⋯⋯⋯⋯⋯⋯⋯⋯⋯⋯⋯⋯⋯⋯⋯⋯⋯⋯⋯⋯⋯⋯7 3.6 皂脚发货操作规程⋯⋯⋯⋯⋯⋯⋯⋯⋯⋯⋯⋯⋯⋯⋯⋯⋯⋯⋯⋯⋯⋯⋯⋯⋯⋯⋯⋯⋯⋯⋯7 3.7 罐区打尺计量操作规程⋯⋯⋯⋯⋯⋯⋯⋯⋯⋯⋯⋯⋯⋯⋯⋯⋯⋯⋯⋯⋯⋯⋯⋯⋯⋯⋯⋯⋯8 3.8 油罐、油管清洗操作规程⋯⋯⋯⋯⋯⋯⋯⋯⋯⋯⋯⋯⋯⋯⋯⋯⋯⋯⋯⋯⋯⋯⋯⋯⋯⋯⋯⋯9 3.9 小包装调油操作规程⋯⋯⋯⋯⋯⋯⋯⋯⋯⋯⋯⋯⋯⋯⋯⋯⋯⋯⋯⋯⋯⋯⋯⋯⋯⋯⋯⋯⋯⋯10 J 2 一、目的规范罐区各项操作 ,预防油品跑、冒、滴、漏等各种事故的发生,提高效率,减少人为误差。二、范围适用于罐区各项操作。三、有关规定1、油脂产品进出流程图打尺计量入库过磅入库过磅入库生产领用、打尺计量生产入库输入储油罐卸船(内、 外贸)卸车卸火车卡储油罐精炼车间成品油J 3 打尺计量调油领用、打尺计量过磅出库2、罐区油品输送作业指导总则任何时候绝对不允许开错阀门,以防止油品混合受污染。2.1 在输油出罐区前, 一人先根据计划启用的管线, 沿着输油流向进行检查, 无误后从指定的油罐开始向输油泵方向开启管路上的阀门,在启动输油泵之前另一人必须再次检查将要启用的管线上的阀门是否处在正确的状态。检查无误后再用压缩空气进行试气,以确认管线是否畅通、准确,试气正确后再开启出油口的阀门,启动输油泵。2.2 在输油进罐前,一人先根据计划启用的管线,正确开启管线上的阀门,另一人必须再次检查将要启用管线上的阀门是否处在正确状态,然后通知输油方用压缩空气试气,以确认管线是否畅通、准确,试气正确后,通知输油方进行输油操作。(接收油操作)2.3 油罐在进 / 出油输送同时,绝对不允许油罐满溢,...

1、当您付费下载文档后,您只拥有了使用权限,并不意味着购买了版权,文档只能用于自身使用,不得用于其他商业用途(如 [转卖]进行直接盈利或[编辑后售卖]进行间接盈利)。
2、本站所有内容均由合作方或网友上传,本站不对文档的完整性、权威性及其观点立场正确性做任何保证或承诺!文档内容仅供研究参考,付费前请自行鉴别。
3、如文档内容存在违规,或者侵犯商业秘密、侵犯著作权等,请点击“违规举报”。

碎片内容

油罐区操作规程

确认删除?
VIP
微信客服
  • 扫码咨询
会员Q群
  • 会员专属群点击这里加入QQ群
客服邮箱
回到顶部