电脑桌面
添加小米粒文库到电脑桌面
安装后可以在桌面快捷访问

2024年市区管网移交表格与要求VIP免费

2024年市区管网移交表格与要求_第1页
1/16
2024年市区管网移交表格与要求_第2页
2/16
2024年市区管网移交表格与要求_第3页
3/16
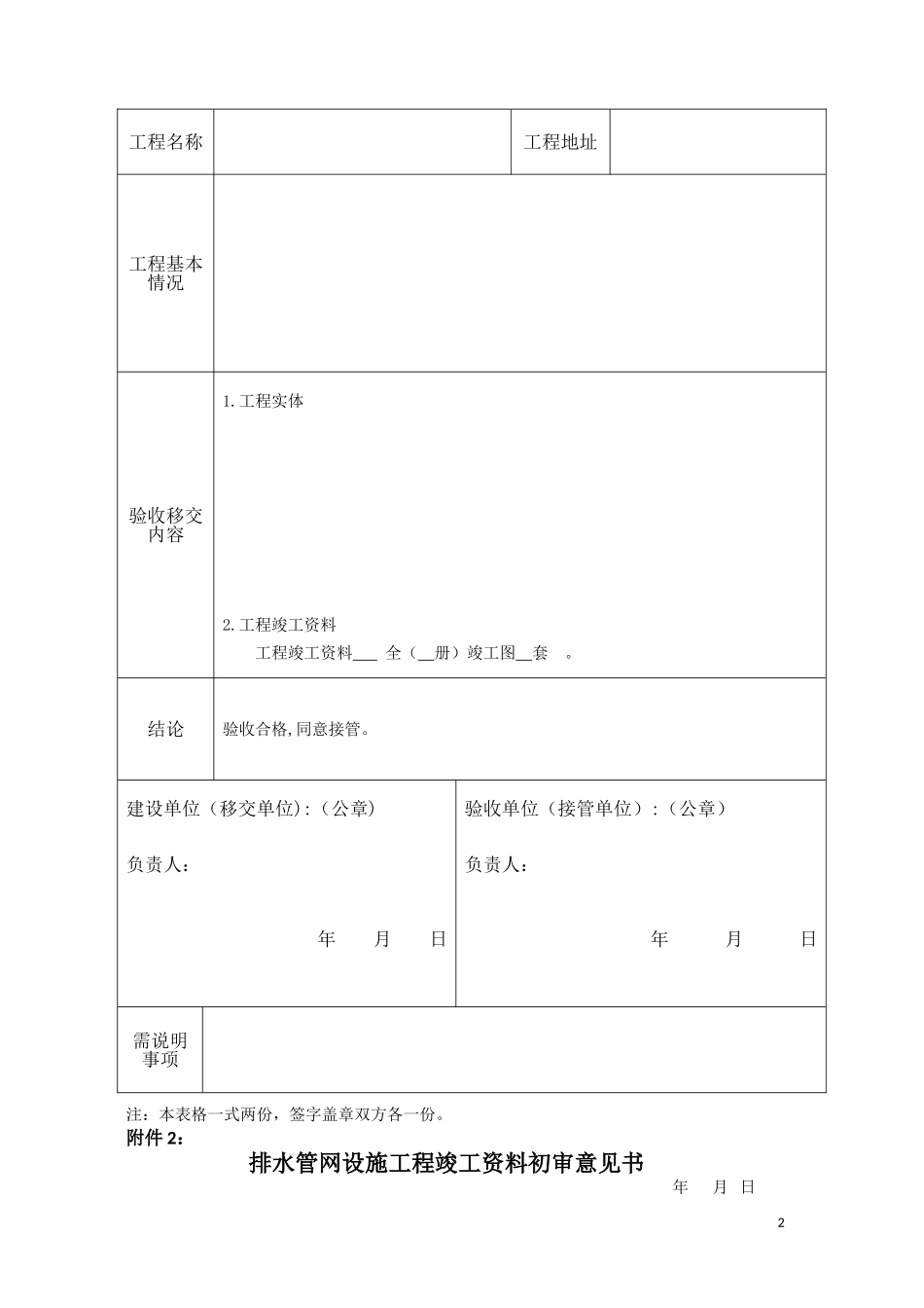
附件1:公共排水设施工程竣工验收移交书1注:本表格一式两份,签字盖章双方各一份。附件2:排水管网设施工程竣工资料初审意见书年月日工程名称工程地址工程基本情况验收移交内容1.工程实体2.工程竣工资料工程竣工资料全(册)竣工图套。结论验收合格,同意接管。建设单位(移交单位):(公章)负责人:年月日验收单位(接管单位):(公章)负责人:年月日需说明事项2工程名称工程地址施工单位长度竣工资料内容与编制审查意见:根据《市政基础设施工程资料管理规程》(DB11/T-2011)、排水集团排水管网设施竣工资料验收要求。对本工程竣工资料的基建文件、监理文件、施工技术文件、工程竣工测量及竣工图进行了初步审查,经审查,存在以下问题:针对以上问题,竣工资料编制单位应认真进行整改,并于10日内报排水集团客服中心进行复审。施工单位负责人:联系人:客服中心负责人:审查人:附件3:排水管网设施工程竣工资料验收合格通知书3排水管线工程项目竣工资料移交目录(一式二份)序号案卷题名册数备注移交单位(章):接收单位(章):移交人:接收人:年月日4附件5:排水管线工程项目资料移交书向北京排水集团移交工程档案共计册。其中:竣工文字材料全册:册,简册:册。竣工图全册:册,简册:册。其他材料:张。光盘张。附:移交明细表移交单位(公章):接收单位(公章):单位负责人:单位负责人:移交人:接收人:年月日年月日ﻬ附件6:北排建设排水管网设施竣工资料移交管理要求一、集团投资建设的,排水管网设施竣工资料及竣工图,由集团负责5施工过程管理的人员进行审核,并出具审核通知单,见审核通知单后,客服中心接收竣工资料,具体要求如下:(一)报送竣工资料全册一套(二)竣工资料必须包含竣工测量座标以便录入GIS,竣工图要求与竣工测量座标一致。(三)编制档案号并装订成册(四)档案盒的正面和脊背已经贴好标签(五)竣工档案案卷题名以设施所在的现况路名(含起止点)命名所有内容全部录入档案信息系统(六)将主要竣工文件内容(包括批复文件、合同文件、工程质量监督注册登记表、质量评估报告、工程洽商记录、污水闭水记录、竣工验收记录、竣工报告、竣工测量报告)及竣工图进行扫描上传到档案信息系统二、办理交接手续:(一)核对移交清单是否与实物资料一致(包括数量和名称)(二)双方在移交清单上签字,并将移交清单保存备案(一式两份)(北排建设、客服中心各一份)6附件7:竣工资料编制内容、质量及组卷要求竣工资料编制内容、质量及组卷要求,包含基建文件、竣工图及竣工测量、监理资料、施工文件等方面要求,具体如下:第一、基建文件:卷内应包括:工程立项批复文件、规划许可证、施工许可证、质量监督注册登记表、重要的会议纪要、设计图纸等。第二、竣工总结:(一)竣工总结的内容要按规定编写,并清楚注明管线流域面积、工程起止点、上下游衔接情况。重要的设计变更及洽商的处理情况以及工程遗留问题和处理意见要重点说明并反映在竣工图中。(二)竣工总结中要有对工程量的描述,所列的工程量应与工程竣工数量表及鉴定书中的工程数量及竣工图纸保持一致。(三)竣工总结中应有对现况勾头打堵情况的描述和对特殊结构的介绍,并附管线竣工平面示意图(要求有桩号、坐标、管径、长度)。(四)竣工总结要对管线施工中采用的新工艺、新技术、新材料加以记载。第三、洽商:(一)工程洽商签字要齐全,如有附件或附图都应附在相关洽商后面。(二)工程洽商编号不能重复,应按时间顺序组卷。第四、施工文件:(一)工程施工过程文件,如原材料出厂证明和试验报告、施工试验报告、施工记录等文件按照工程实际发生的工程项目,对照新规程进行竣工资料的组卷,不应有漏项和缺项(二)各种试验记录,如要求由各方签字的记录都应签字齐全,试验记录填写要完整,如:隐检记录中检查结果及处理意见一栏不能为空或写无,必须填写检查的情况和处理意见。第五、竣工图及竣工测量:(一)无论竣工图是重新绘制还是二底图上修改或是利用施工蓝图直接改绘,要完整、准确、真实地反映工程竣工的现状,应把工程图纸会审、设计交底、工程洽商或设计变更修改的内容及对旧管线接入情况如实地反映在竣工图上,同时将洽商编号...

1、当您付费下载文档后,您只拥有了使用权限,并不意味着购买了版权,文档只能用于自身使用,不得用于其他商业用途(如 [转卖]进行直接盈利或[编辑后售卖]进行间接盈利)。
2、本站所有内容均由合作方或网友上传,本站不对文档的完整性、权威性及其观点立场正确性做任何保证或承诺!文档内容仅供研究参考,付费前请自行鉴别。
3、如文档内容存在违规,或者侵犯商业秘密、侵犯著作权等,请点击“违规举报”。

碎片内容

2024年市区管网移交表格与要求

山水人家+ 关注
实名认证
内容提供者

读万卷书,行万里路。

确认删除?
VIP
微信客服
  • 扫码咨询
会员Q群
  • 会员专属群点击这里加入QQ群
客服邮箱
回到顶部