电脑桌面
添加小米粒文库到电脑桌面
安装后可以在桌面快捷访问

交直流导线截面的计算

交直流导线截面的计算_第1页
1/29
交直流导线截面的计算_第2页
2/29
交直流导线截面的计算_第3页
3/29
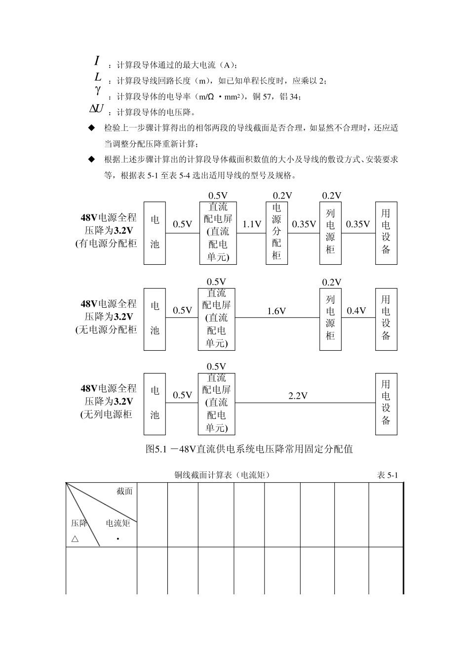
第一节 直流供电回路导线的截面计算 根据允许压降计算选择直流供电回路导线的截面,一般有三种方法,即电流矩法、固定压降分配法和最小金属用量法 (一)电流矩法 电流矩法是以欧姆定律为依据,在直流供电回路中,某段导线通过最大电流I 时,根据欧姆定律,该段导线上由于直流电阻造成的压降可按(公式5.1)计算: Δ U=IR=Iρ L/S=IL/(γ S) (公式5.1) 对于单条分段线路,不论分段各点有无负荷,线路的导体总压降可按(公式5.3)计算: Δ U 总=Δ U1+Δ U2+Δ U3+……Δ Un (公式5.2) 公式5.2 中: Δ U 总:单条分段线路导体总压降(V),是指从直流电源设备(如蓄电池、变换器等)的输出端子到用电设备(如变换器,通信设备等)的进线端子的最大允许压降中,扣除设备和元器件的实际压降后,所余下的那一部分; Δ U1、Δ U2、Δ Un:导体第一段、第二段、第 n段的压降(V)。 将公式(5.3)按欧姆定律展开后,再进行等值变换,可以导出靠近直流电源设备的第一段导线的截面面积,根据计算结果选取导线截面后,再用同样的办法计算得出第二段、第三段……第 n段导线的截面面积。 对于有多条分支或同时兼有若干分流(负荷)点的线路,也可通过等值变换依次求得第一段、第二段……第 n段导线的截面面积。 (二)固定分配压降法 所谓固定分配压降法,就是把要计算的直流供电系统全程允许压降的数值,根据经验适当的分配到每个压降段落上去,从而计算各段落导线截面面积。如先后两段计算所得的导线截面显然不合理时,还应适当调整分配压降重新计算。根据以往的工程经验,这种方法可简化计算,只是精确性较差。 -48V 直流供电系统电压降常用固定分配值如图 5.1 所示: 采用固定分配压降法计算各段导线的步骤如下:  确定各段导线的材质,一般情况下采用铜导线,也可根据需要采用铝导线;  了解各段导线负荷和导线最大长度;  分配各段导线上电压降数值;  根据上述各条已知数据,按(公式5.2)计算出各段导线的截面积。 公式5.3 中: :计算段导体截面面积计算值(mm2); ULIS S(公式5.3) :计算段导体通过的最大电流(A); :计算段导线回路长度(m),如已知单程长度时,应乘以2; :计算段导体的电导率(m/Ω ·mm2),铜 57,铝 34; :计算段导体的电压降。  检验上一步骤计算得出的相邻两段的导线截面是否合理,如显然不合理时,还应适当调...

1、当您付费下载文档后,您只拥有了使用权限,并不意味着购买了版权,文档只能用于自身使用,不得用于其他商业用途(如 [转卖]进行直接盈利或[编辑后售卖]进行间接盈利)。
2、本站所有内容均由合作方或网友上传,本站不对文档的完整性、权威性及其观点立场正确性做任何保证或承诺!文档内容仅供研究参考,付费前请自行鉴别。
3、如文档内容存在违规,或者侵犯商业秘密、侵犯著作权等,请点击“违规举报”。

碎片内容

交直流导线截面的计算

小辰9+ 关注
实名认证
内容提供者

出售各种资料和文档

确认删除?
VIP
微信客服
  • 扫码咨询
会员Q群
  • 会员专属群点击这里加入QQ群
客服邮箱
回到顶部