电脑桌面
添加小米粒文库到电脑桌面
安装后可以在桌面快捷访问

产品设计开发常见问题分析

产品设计开发常见问题分析_第1页
1/11
产品设计开发常见问题分析_第2页
2/11
产品设计开发常见问题分析_第3页
3/11
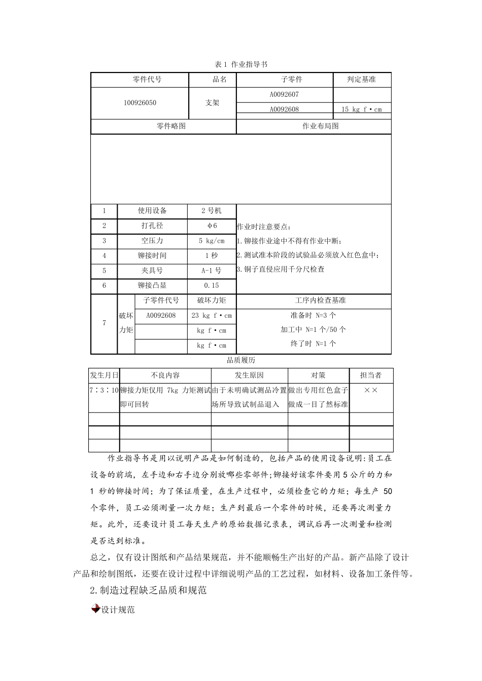
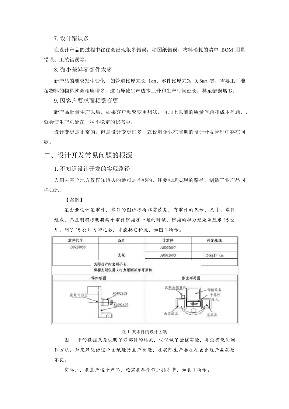
学习导航 通过学习本课程,你将能够: ● 知晓设计开发中的常见问题; ● 了解设计规范和工艺标准; ● 掌握设计开发常见问题的根源; ● 了解并行开发模式。 产品设计开发常见问题分析 一、设计开发中常见的问题 企业在设计开发新产品时常常会面临一些问题,比较典型的有九个:第一,新产品品质问题多;第二,新产品开发时间长;第三,新材料不能及时提供或者频繁更换供应商;第四,开发后设计变更多;第五,设计的产品成本高;第六,设计的产品难制造;第七,设计错误多;第八,微小差异零部件太多;第九,因客户要求而频繁变更。 1.新产品品质问题多 新产品刚开发时的稳定性不够,容易出现品质问题。 2.新产品开发时间长 如果新产品的技术含量很高,就会延长开发时间,进而延迟推出时间。 3.新材料不能及时提供或者频繁更换供应商 设计时间的拖延,会导致新材料不能及时提供给供应商甚至频繁更换供应商的现象。例如,设计初期选定了一个供应商,批量生产时候又更换供应商,产品品质就会发生波动。 4.开发后设计变更多 新产品在设计过程中会遇到很多变更,如原来的设计思路过时了或市场发生了变化,需 要追 加 功 能或外 观 上 的变化;前 期的品质不稳定,在后期找 到了解决 办 法 ,需 要进行设计变更;客户的要求发生变化,需 要临时改 变设计方 案 等 。这 些变更都 会导致时间的延迟。 5.设计的产品成本高 有些新设计的产品要求生产设备 必 须 进行重 新配 套 ,加 上 企业为 了使 老 客户认 可 产品而加 大 力 度 进行宣 传 ,会导致新产品的成本增 加 、利 润 减 少 。 6.设计的产品难制造 有时产品的设计方 案 很好 ,但 不方 便 生产和制造,给生产车 间、制造部门 以 及供应商造成很大 麻 烦 ,如影 响 生产进度 和导致营 业额 下 降 等 。 7.设计错误多 在设计产品的过程中往往会出现很多错误,如图纸错误、物料消耗的清单 BOM 用量错误、工装错误等。 8.微小差异零部件太多 新产品的要求发生变化,如管道比原来长 1cm、零件比原来短 0.5mm 等,需要工厂准备物料的物料就会相应增多,进而导致生产成本上升和生产时间延长,甚至错误增多。 9.因客户要求而频繁变更 新产品批量生产以后,如果客户频繁变更想法,再加上以前的质量问题和成本问题,,就会使生产总处在一种不稳定的状态中。 设计变更是正常的,但是设计变更过多,就...

1、当您付费下载文档后,您只拥有了使用权限,并不意味着购买了版权,文档只能用于自身使用,不得用于其他商业用途(如 [转卖]进行直接盈利或[编辑后售卖]进行间接盈利)。
2、本站所有内容均由合作方或网友上传,本站不对文档的完整性、权威性及其观点立场正确性做任何保证或承诺!文档内容仅供研究参考,付费前请自行鉴别。
3、如文档内容存在违规,或者侵犯商业秘密、侵犯著作权等,请点击“违规举报”。

碎片内容

产品设计开发常见问题分析

您可能关注的文档

确认删除?
VIP
微信客服
  • 扫码咨询
会员Q群
  • 会员专属群点击这里加入QQ群
客服邮箱
回到顶部