电脑桌面
添加小米粒文库到电脑桌面
安装后可以在桌面快捷访问

人工挖孔桩技术交底(正式版)

人工挖孔桩技术交底(正式版)_第1页
1/35
人工挖孔桩技术交底(正式版)_第2页
2/35
人工挖孔桩技术交底(正式版)_第3页
3/35
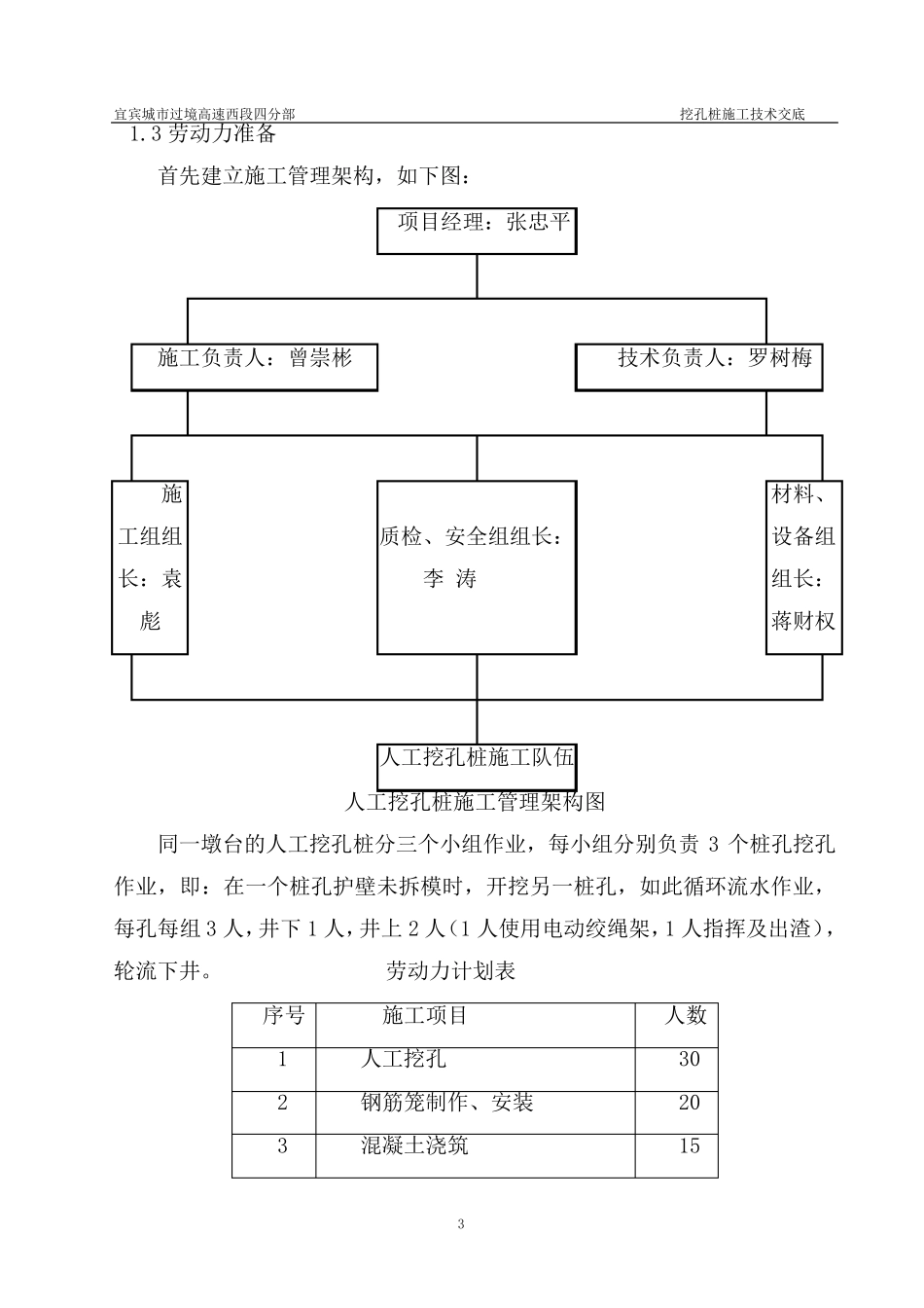
宜宾城市过境高速西段四分部 挖孔桩施工技术交底 1 人工挖孔灌注桩施工技术交底 名称:宜宾城市过境高速公路工程 部位名称:桥梁基础及下部构造工程 工序名称: 人工挖孔桩 交底单位: 宜宾城市过境高速公路工程西四项目部 交底日期:2016 年8 月4 日 交底人:曾崇彬 接收单位: 工程部 接收人:何肖全 交底内容: 1 施工准备 1.1 技术准备 (1)人工挖孔桩适用于持力层埋藏较浅、单桩承载力要求较高的基础。挖孔桩受力性能可靠,结构传力明确,沉降量小;成孔后可直观检查孔内直径、垂直度及持力层的土质情况,保证桩的质量。工程造价相对低廉;不需要大型机械设备,施工操作工艺简单,因此被广泛应用于大直径灌注桩施工。结合本项目实际情况,选用人工挖孔灌注桩施工工艺。 (2)组建以项目经理、项目技术负责人为核心的技术管理体系,下设施工技术、质量、材料、资料、计划等分支部门。 (3)审查施工图纸,提 出 合理化 建议 ,取 得 建设单位和 设计单位同 意 ,以达到 节 约 投 资、加 快 进 度、保证质量和 施工简便 的目的,并 提 出 合理性的审图意 见 。 (4)施工之 前 作好 开 工报 告 ,作好 桩基分部施工方 案 ,作好 分项工程技术交底。 宜宾城市过境高速西段四分部 挖孔桩施工技术交底 2 (5)建立完善的信息、资料档案制度。 (6)编制钢筋、水泥、木材、等材料计划,相应编制材料试验计划,指导材料定货、供应和技术把关。 (7)按资源计划安排机械设备,周转工具进场,并完备相应手续。 (8)建立完善的质量保证体系。 (9)会同勘察设计、建设单位、监理单位等部门复核定点坐标、及验基。 (10)做好对班组人员的技术,安全交底工作。开工前,必须强调劳动纪律,向工人班组进行技术交底,学习图纸及有关施工规范,掌握施工顺序,保证工作质量和安全生产的技术措施落实到人。 1.2 现场准备 (1)平整场地,清除坡面危石、浮土,坡面有裂缝或坍塌迹象者应加设必要的保护 ,铲 除松 软 的土层 并夯 实。 (2)全站 仪 测 量出 各 桩基中 心 精 确 位置 (由 测 量员完成 ),埋 设中 心 桩,以中 心 桩为 圆 心 ,孔位应比 孔径 大 10~ 20cm,护 壁 可 根 据 地质情 况 采 用 素 砼 护壁 或钢筋混 凝 土护 壁 ,护 壁 砼 桩基直 径 为 内 径 ,加上 护 壁 厚 度进行桩基开挖。采 用 与 桩基同...

1、当您付费下载文档后,您只拥有了使用权限,并不意味着购买了版权,文档只能用于自身使用,不得用于其他商业用途(如 [转卖]进行直接盈利或[编辑后售卖]进行间接盈利)。
2、本站所有内容均由合作方或网友上传,本站不对文档的完整性、权威性及其观点立场正确性做任何保证或承诺!文档内容仅供研究参考,付费前请自行鉴别。
3、如文档内容存在违规,或者侵犯商业秘密、侵犯著作权等,请点击“违规举报”。

碎片内容

人工挖孔桩技术交底(正式版)

小辰3+ 关注
实名认证
内容提供者

出售各种资料和文档

确认删除?
VIP
微信客服
  • 扫码咨询
会员Q群
  • 会员专属群点击这里加入QQ群
客服邮箱
回到顶部