电脑桌面
添加小米粒文库到电脑桌面
安装后可以在桌面快捷访问

人工挖孔桩隐蔽验收记录VIP专享

人工挖孔桩隐蔽验收记录_第1页
1/71
人工挖孔桩隐蔽验收记录_第2页
2/71
人工挖孔桩隐蔽验收记录_第3页
3/71
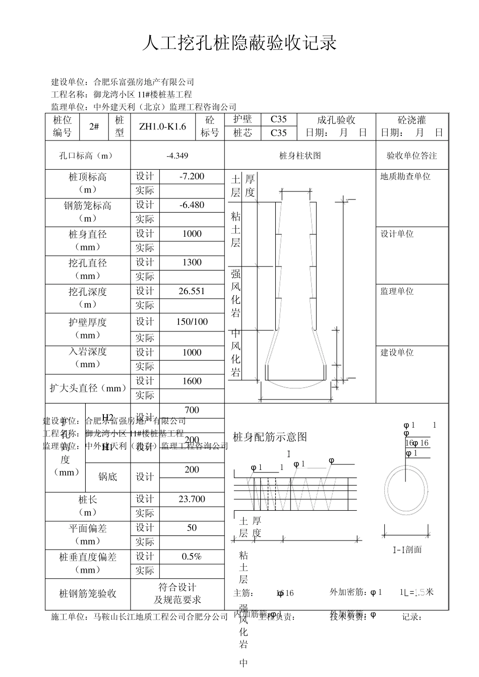
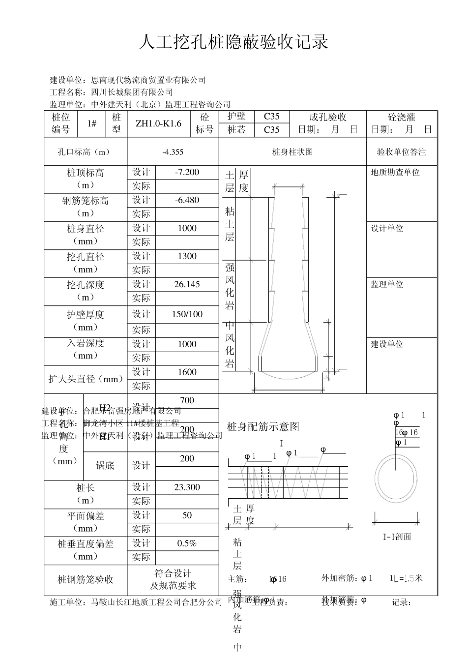
桩身配筋示意图主筋: 16φ 16外加密筋: φ 10@100 米外加筋箍: φ 8@200内加筋箍:φ 14@2000剖面φ 8@200φ 10@10016φ 16φ 14@2000φ 10@100φ 8@200φ 14@2000土 层厚 度粘土层强风化岩中风化岩人工挖孔桩隐蔽验收记录 建设单位:思南现代物流商贸置业有限公司 工程名称:四川长城集团有限公司 监理单位:中外建天利(北京)监理工程咨询公司 桩位 编号 1# 桩型 ZH1.0-K1.6 砼 标号 护壁 C35 成孔验收 日期: 月 日 砼浇灌 日期: 月 日 桩芯 C35 孔口标高(m ) -4.355 桩身柱状图 验收单位答注 桩顶标高 (m ) 设计 -7.200 地质勘查单位 实际 钢筋笼标高 (m ) 设计 -6.480 实际 桩身直径 (m m ) 设计 1000 设计单位 实际 挖孔直径 (m m ) 设计 1300 实际 挖孔深度 (m ) 设计 26.145 监理单位 实际 护壁厚度 (m m ) 设计 150/100 实际 入岩深度 (m m ) 建设单位:合肥乐富强房地产有限公司 工程名称:御龙湾小区 11#楼桩基工程 监理单位:中外建天利(北京)监理工程咨询公司 土 层厚 度粘土层强风化岩中设计 1000 建设单位 实际 扩大头直径(m m ) 设计 1600 实际 扩 孔 高 度(m m ) H2 设计 700 H1 设计 200 锅底 设计 200 桩长 (m ) 设计 23.300 实际 平面偏差 (m m ) 设计 50 实际 桩垂直度偏差(m m ) 设计 0.5% 实际 桩钢筋笼验收 符合设计 及规范要求 施工单位:马鞍山长江地质工程公司合肥分公司 工程负责: 技术负责: 记录: 桩身配筋示意图主筋: 16φ 16外加密筋: φ 10@100 米外加筋箍: φ 8@200内加筋箍:φ 14@2000剖面φ 8@200φ 10@10016φ 16φ 14@2000φ 10@100φ 8@200φ 14@2000土 层厚 度粘土层强风化岩中风化岩人工挖孔桩隐蔽验收记录 建设单位:合肥乐富强房地产有限公司 工程名称:御龙湾小区 11#楼桩基工程 监理单位:中外建天利(北京)监理工程咨询公司 桩位 编号 2# 桩型 ZH1.0-K1.6 砼 标号 护壁 C35 成孔验收 日期: 月 日 砼浇灌 日期: 月 日 桩芯 C35 孔口标高(m ) -4.349 桩身柱状图 验收单位答注 桩顶标高 (m ) 设计 -7.200 地质勘查单位 实际 钢筋笼标高 (m ) 设计 -6.480 实际 桩身直径 (m m ) 设计 1000 设计单位 实际 挖孔直径 (m...

1、当您付费下载文档后,您只拥有了使用权限,并不意味着购买了版权,文档只能用于自身使用,不得用于其他商业用途(如 [转卖]进行直接盈利或[编辑后售卖]进行间接盈利)。
2、本站所有内容均由合作方或网友上传,本站不对文档的完整性、权威性及其观点立场正确性做任何保证或承诺!文档内容仅供研究参考,付费前请自行鉴别。
3、如文档内容存在违规,或者侵犯商业秘密、侵犯著作权等,请点击“违规举报”。

碎片内容

人工挖孔桩隐蔽验收记录

确认删除?
VIP
微信客服
  • 扫码咨询
会员Q群
  • 会员专属群点击这里加入QQ群
客服邮箱
回到顶部