电脑桌面
添加小米粒文库到电脑桌面
安装后可以在桌面快捷访问

注射用水系统风险评价

注射用水系统风险评价_第1页
1/5
注射用水系统风险评价_第2页
2/5
注射用水系统风险评价_第3页
3/5
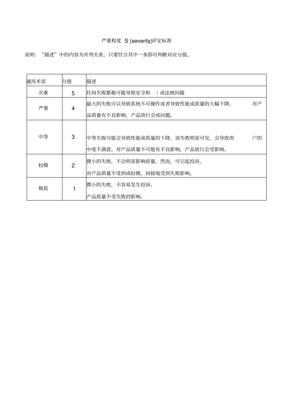
注射用水系统风险评估报告1.概述本风险评估的注射用水系统主要为冻干粉针车间的生产操作等提供合格的注射用水,该系统是由山东海德生化设备科技有限公司生产。该制备系统利用纯化水作为原水,通过多效蒸馅制备成注射用水,制备后的注射用水通过储罐由卫生输送泵输送到各使用点,部分使用点按工艺要求经冷却器冷却后使用。2.目的注射用水制备、储存、分配、循环、清洁消毒等过程均有可能影响注射用水质量,进而影响生产的正常进行或产品质量。为保证注射用水系统的正常运行,提高注射用水质量, 预防和控制由注射用水质量而引发的质量事故,故此对注射用水系统进行风险分析,依据评估的结果对注射用水系统存在的风险制订纠正和预防措施。从而降低注射用水系统的风险顺序数。将注射用水系统风险水平降低至可接受水平。3.风险评估方法:根据鱼骨图和失效模式与影响分析( FMEA) 进行风险评估和评分。4.风险评估标准4 丄本文应用鱼骨图和失败模式效果分析,识别潜在的失败模式,根据经验和历史生产数据对风险的严重度、发生概率和可检测性评分。严重程度 S (severity)评定标准说明:“描述”中的内容为并列关系,只要符合其中一条即可判断对应分值。通用术语分值描述灾难5任何失败都极可能导致安全和/ 或法规问题严重4最大的失败可以导致系统不可操作或者导致性能或质量的大幅下降。对产品质量有不良影响,产品放行会成问题。中等3中等失败可能会导致性能或质量的下降,该失败明显可见,会导致用户的中度不满意。对产品质量不可能有不良影响,产品放行会受影响。轻微2微小的失败,不会明显影响质量,然而,可引起投诉。对产品质量不受到或轻微,间接地受到失败影响。极低1微小的失败,不容易发生投诉。产品质量不受失败的影响。发生概率 P (probability)评定标准发生频率得分评定标准经常发生5失败是有规律的发生,又可以合理地预见在每个部件或每个工艺步骤发生。(很高的可能性:1/10)所选择的供应商不可靠,在制药行业中没有经验(第一个项目)。有时发生4失败在一个有规律的基础上发生。这些失败不是每次都发生,但是其发生会引起重大的关注(高可能性:1/100) o 供应商在制药行业以及确认/ 验证方面经验有限。偶尔发生3失败只是偶尔发生,然后发生的频率不会对生产造成很大的影响(中等发生率: 1/1000) o供应商在制药行业具备了多年的工作经验,但是未自己独立做过项目。很少发生2失败极少出现,失败率几乎不会造成生产问题。(...

1、当您付费下载文档后,您只拥有了使用权限,并不意味着购买了版权,文档只能用于自身使用,不得用于其他商业用途(如 [转卖]进行直接盈利或[编辑后售卖]进行间接盈利)。
2、本站所有内容均由合作方或网友上传,本站不对文档的完整性、权威性及其观点立场正确性做任何保证或承诺!文档内容仅供研究参考,付费前请自行鉴别。
3、如文档内容存在违规,或者侵犯商业秘密、侵犯著作权等,请点击“违规举报”。

碎片内容

注射用水系统风险评价

您可能关注的文档

确认删除?
VIP
微信客服
  • 扫码咨询
会员Q群
  • 会员专属群点击这里加入QQ群
客服邮箱
回到顶部