电脑桌面
添加小米粒文库到电脑桌面
安装后可以在桌面快捷访问

人防穿墙套管预留技术交底

人防穿墙套管预留技术交底_第1页
1/6
人防穿墙套管预留技术交底_第2页
2/6
人防穿墙套管预留技术交底_第3页
3/6
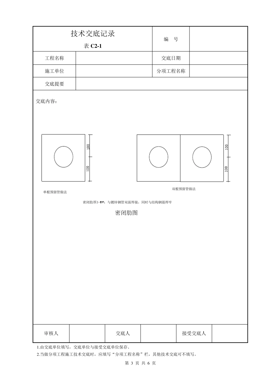
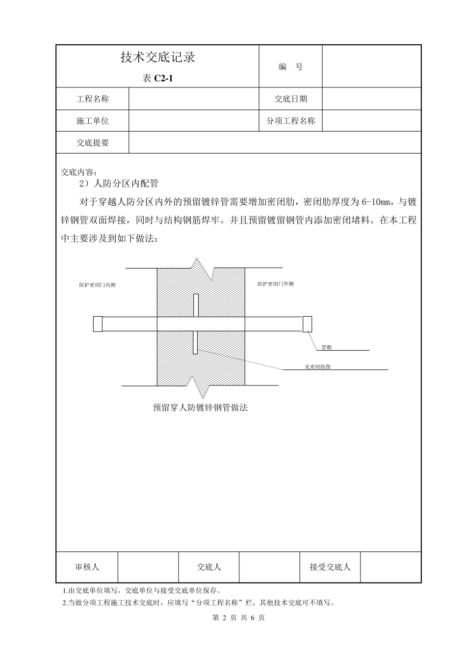
第 1 页 共 6 页 技 术 交 底 记 录 表 C 2-1 编 号 工 程 名 称 交 底 日 期 施 工 单 位 分 项 工 程 名 称 交 底 提 要 交 底 内 容 : 1、 施 工 队 伍 进 场 后 , 要 立 即 进 行 细 致 的 审 图 , 对 图 纸 中 所 发 现 的 问 题 及 时 提 出 来 , 并 反 映 到 责任 工 程 师 处 解 决 。 2、 在 审 图 时 , 要 充 分 考 虑 到 今 后 的 安 装 工 作 及 美 观 , 避 免 出 现 以 下 问 题 : 1) 留 洞 距 墙 过 近 , 导 致 管 道 安 装 时 , 接 头 在 墙 里 , 不 符 合 验 收 规 范 。 2) 留 洞 距 墙 过 远 , 管 道 安 装 后 不 够 美 观 , 影 响 装 修 。 3、 施 工 前 , 检 查 并 核 对 现 场 的 定 位 线 及 标 高 线 , 无 法 满 足 要 求 的 及 时 向 主 管 责 任 师 提 出 解 决 。 4、 施 工 人 员 应 认 真 仔 细 对 照 现 场 核 对 图 纸 , 不 得 出 现 漏 埋及 错埋现 象。 5、 管 道 在 穿外墙 及 人 防墙 体的 套管 均按设计要 求 采用柔性或刚性防水套管 。 6、 管 道 套管 原则上应 比管 径大两号 ;底 板套管 下 端与结构面平齐, 厨卫间上端高 出 装 修地面50M M , 其余房间高 出 装 修 地面20M M 。 7、 管 及 埋地管 道 安 装 完后 , 两端必须进 行 封堵保护, 以 防止杂物灌入堵塞管 道 。 8、 密闭套管 止水环采用10M M 厚, 50M M 宽钢板, 与套管 双面满 焊。 9、 通风管 道 穿密闭墙 时 , 需在 墙 内 预埋套管 , 套管 两端各出 墙100M M 。 采用 5M M 厚, 30M M 宽钢板做密闭环, 与预埋管 道 双面满 焊。 10、 制作 套管 前 , 必须对 管 道 进 行 充 分 的 除锈。 11、 套管 切割后 , 必须进 行 扫口;管 径较大, 需用气焊进 行 切割的 , 必须对 切口进 行 打磨处 理。 12、 成排或成行 套管 必须拉线 检 查 , 以 确保在 同一条直线 上, 所 有预埋套管 必须横平、 竖直。 审 核 人 交 底 人 接 受交 底 人 1. 由交 底 单 位 填写, 交 底 单 位 与接 受交...

1、当您付费下载文档后,您只拥有了使用权限,并不意味着购买了版权,文档只能用于自身使用,不得用于其他商业用途(如 [转卖]进行直接盈利或[编辑后售卖]进行间接盈利)。
2、本站所有内容均由合作方或网友上传,本站不对文档的完整性、权威性及其观点立场正确性做任何保证或承诺!文档内容仅供研究参考,付费前请自行鉴别。
3、如文档内容存在违规,或者侵犯商业秘密、侵犯著作权等,请点击“违规举报”。

碎片内容

人防穿墙套管预留技术交底

您可能关注的文档

小辰7+ 关注
实名认证
内容提供者

出售各种资料和文档

确认删除?
VIP
微信客服
  • 扫码咨询
会员Q群
  • 会员专属群点击这里加入QQ群
客服邮箱
回到顶部