电脑桌面
添加小米粒文库到电脑桌面
安装后可以在桌面快捷访问

2024年隧道安全专项施工方案VIP免费

2024年隧道安全专项施工方案_第1页
1/58
2024年隧道安全专项施工方案_第2页
2/58
2024年隧道安全专项施工方案_第3页
3/58
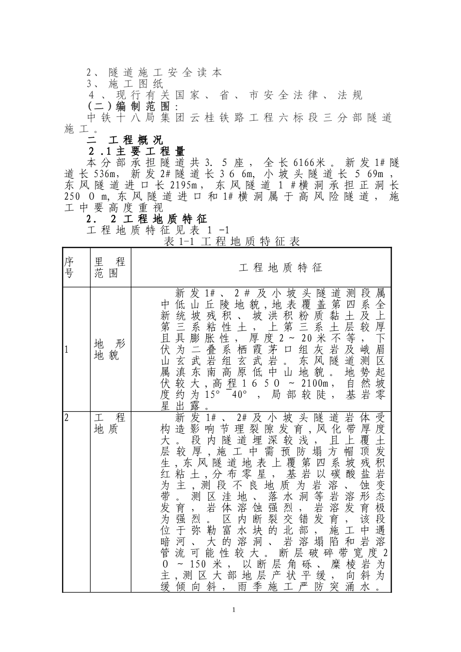
新建云桂铁路第六标段三分部隧道施工安全技术方案编制:审核:签发:中铁十八局集团云桂铁路项目经理部三分部二0一0年六月隧道施工安全技术方案一、编制依据和范围(一)编制依据1、《铁路工程施工安全技术规程》(TB10401.1-2003,J259-2003;TB10401.2-2003,J260-2003)2、隧道施工安全读本3、施工图纸4、现行有关国家、省、市安全法律、法规(二)编制范围:中铁十八局集团云桂铁路工程六标段三分部隧道施工。二工程概况2.1主要工程量本分部承担隧道共3.5座,全长6166米。新发1#隧道长536m,新发2#隧道长366m,小坡头隧道长569m,东风隧道进口长2195m,东风隧道1#横洞承担正洞长2500m,东风隧道进口和1#横洞属于高风险隧道,施工中要高度重视2.2工程地质特征工程地质特征见表1-1表1-1工程地质特征表序号里程范围工程地质特征1地形地貌新发1#、2#及小坡头隧道测段属中低山丘陵地貌,地表覆盖第四系全新统坡残积、坡洪积粉质黏土及上第三系粘性土,上第三系土层较厚且具膨胀性,厚度2~20米不等,下伏为二叠系栖霞茅口组灰岩及峨眉山玄武岩组玄武岩。东风隧道测区属滇东南高原低中山地貌。地势起伏较大,高程1650~2100m,自然坡度约为15°~40°,局部较陡,基岩零星出露。2工程地质新发1#、2#及小坡头隧道岩体受构造影响节理裂隙发育,风化带厚度大。段内隧道埋深较浅,且上覆土层较厚,施工中需预防塌方帽顶发生,东风隧道地表上覆第四系坡残积红粘土,分布零星,基岩以碳酸盐岩为主,测段不良地质为岩溶、蚀变带。测区洼地、落水洞等岩溶形态发育,岩体溶蚀强烈,岩溶发育极为强烈。区内断裂交错发育,该段位于弥勒富水块的北部,施工中遇暗河、大的溶洞、岩溶塌陷和岩溶管流可能性较大。断层破碎带宽度20~150米,以断层角砾、糜棱岩为主,测区大部地层产状平缓,向斜为缓倾向斜,雨季施工严防突涌水。1序号里程范围工程地质特征测区施工大部分岩石为硬质岩石,构造裂隙较为发育。施工中加强超前地质预报工作。工程地质条件一般。3水文地质地表水为大气降水,较不发育,新发1#出口、新发2#隧道进出口沟槽雨季会有少量流水,旱季一般干涸。东风隧道处于云贵高原向弥勒盆地过度的岩溶斜坡地段,隧道洞身地表无大的地表水系及迳流,局部岩溶洼地内有少量积水。地表水主要为线路右侧1.0~2.0Km附近在弥勒盆地边缘分布的以岩溶泉为主补给的水库(塘)水。2.3气象、水文属亚热带湿润季风气候区,直接承受印度洋及太平洋水汽补给。其气候特点是温暖湿润,雨量充沛,夏季长而炎热,冬季短偶有奇寒,有明显的干湿两季之分。弥勒县年平均气温为17.2℃,极端最高气温为36.1℃(1969年5月15日);极端最低气温为-4.1℃(1999年12月27日);年平均风速为2.6m/s,最大风速为17.0m/s,风向为南南西。年平均降雨量为956.7mm,历史最大年降雨量为1326.4mm(1961年),最小为724.9mm(1963年);最大一日降雨量为144.7mm(1995年6月1日);雨季为5~10月,占全年降雨量的85.6%。年平均日照时数为2083.8小时。年平均蒸发量为1906.9mm。年平均雷暴日数为70天。最大积雪深为7cm(1980年),年平均霜冻期为20天。相对湿度为73%。2.4地震动参数根据《中国地震动峰值加速度区划图》(GB18306-2001),测区地震动峰值加速度为0.15g。2.5施工条件(1)交通条件本管段所经地区多属于平地加深丘地形,地形相对较好,地方道路相对发达。主要可以利用的道路有:G326以及当地县乡道路。(2)通讯条件采用有线和无线相结合的通信方式。三、编制方案(一)安全事故原因2隧道施工安全事故主要原因如下:(1)土石方塌方和结构坍塌事故;(2)特种设备或施工机械事故;(3)火灾、爆炸、危险化学品及环境污染事故;(4)道路交通事故;(5)高空坠落事故;(6)隧道突水、突泥事故;(7)触电、雷击事故;(8)工程质量安全事故;(9)其他原因造成的工程建设安全事故。(二)施工安全措施1、施工现场安全保证措施1.1根据施组和工程实际情况,编制详细的安全操作规程、细则,并制定切实可行的安全技术措施,分发至工班,组织逐条学习、落实,所有工人在进场作业前必须严格进行“三级”教育,考核并颁发安全上...

1、当您付费下载文档后,您只拥有了使用权限,并不意味着购买了版权,文档只能用于自身使用,不得用于其他商业用途(如 [转卖]进行直接盈利或[编辑后售卖]进行间接盈利)。
2、本站所有内容均由合作方或网友上传,本站不对文档的完整性、权威性及其观点立场正确性做任何保证或承诺!文档内容仅供研究参考,付费前请自行鉴别。
3、如文档内容存在违规,或者侵犯商业秘密、侵犯著作权等,请点击“违规举报”。

碎片内容

2024年隧道安全专项施工方案

您可能关注的文档

确认删除?
VIP
微信客服
  • 扫码咨询
会员Q群
  • 会员专属群点击这里加入QQ群
客服邮箱
回到顶部