电脑桌面
添加小米粒文库到电脑桌面
安装后可以在桌面快捷访问

人防设计结构计算书

人防设计结构计算书_第1页
1/21
人防设计结构计算书_第2页
2/21
人防设计结构计算书_第3页
3/21
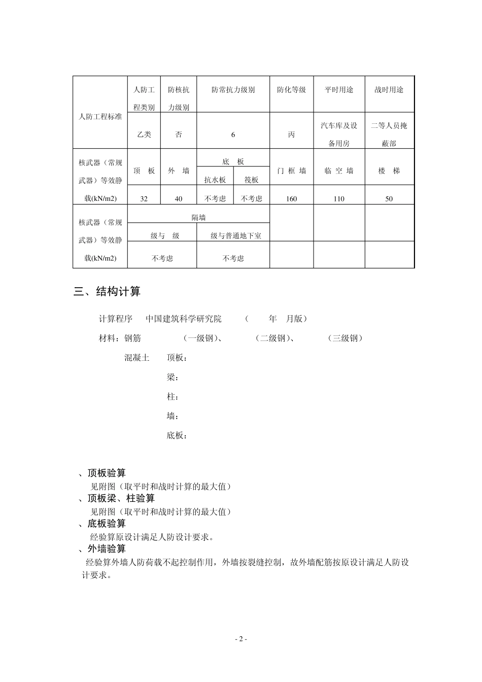
- 1 - 结构设计计算书 一、结构计算依据: 1. 设计相关规范: 1 建筑结构可靠度设计统一标准(GB50068-2008)  2 建筑抗震设防分类标准(GB50223-2008)  3 建筑结构荷载规范(GB50009-2012)  4 混凝土结构设计规范 (GB50010-2010)  7 建筑抗震设计规范(GB50011-2010)  8 高层建筑混凝土结构技术规程 (JGJ3-2010)  10 地基基础设计规范 (GB50007-2011)  11 建筑桩基技术规范 (JGJ94-2008)  13 人民防空地下室设计规范 (GB50038-2005)  14 地下工程防水技术规范 (GB50108-2008)  16 全国民用建筑工程设计技术措施 结构(2009 版)  17 住宅工程质量通病控制标准(DGJ32/J16-2005)  2. 核工业西南勘察设计研究院有限公司 2013 年 8 月提供的《香颂城商住. 小区一期岩土工程勘察报告》(详细勘察)进行设计。 3. 民用设计院提供的平时使用条件(模型及荷载) 二 、工程概况 本工程为眉山市森林家园房产开发有限公司香颂城防空地下室,位于地下负一层和地下负二层。共2个防护单元。 结构设计使用年限为50年。 本设计只对人防工程部分进行设计;非防护区部分不在本设计范围,按原设计(民用设计院设计)实施。 人防工程概况 - 2 - 人防工程标准 人防工程类别 防核抗力级别 防常抗力级别 防化等级 平时用途 战时用途 乙类 否 6 丙 汽车库及设备用房 二等人员掩蔽部 核武器(常规武器)等效静载(kN/m 2) 顶 板 外 墙 底 板 门 框 墙 临 空 墙 楼 梯 抗水板 筏板 32 40 不考虑 不考虑 160 110 50 核武器(常规武器)等效静载(kN/m 2) 隔墙 6级与6级 6级与普通地下室 不考虑 不考虑 三、结构计算 计算程序---中国建筑科学研究院PKPM(2012年6月版) 材料:钢筋---HPB300(一级钢)、HRB335(二级钢)、HRB400(三级钢) 混凝土--- 顶板: C30 梁: C30 柱: C30 墙: C30 底板: C30 1、顶板验算 见附图(取平时和战时计算的最大值) 2、顶板梁、柱验算 见附图(取平时和战时计算的最大值) 3、底板验算 经验算原设计满足人防设计要求。 4、外墙验算 经验算外墙人防荷载不起控制作用,外墙按裂缝控制,故外墙配筋按原设计满足人防设计要求。 - 3 - 5、临空墙验算 ******************************************************************************************** 计算项目: 临空墙...

1、当您付费下载文档后,您只拥有了使用权限,并不意味着购买了版权,文档只能用于自身使用,不得用于其他商业用途(如 [转卖]进行直接盈利或[编辑后售卖]进行间接盈利)。
2、本站所有内容均由合作方或网友上传,本站不对文档的完整性、权威性及其观点立场正确性做任何保证或承诺!文档内容仅供研究参考,付费前请自行鉴别。
3、如文档内容存在违规,或者侵犯商业秘密、侵犯著作权等,请点击“违规举报”。

碎片内容

人防设计结构计算书

确认删除?
VIP
微信客服
  • 扫码咨询
会员Q群
  • 会员专属群点击这里加入QQ群
客服邮箱
回到顶部