电脑桌面
添加小米粒文库到电脑桌面
安装后可以在桌面快捷访问

消防管道试压安装方案

消防管道试压安装方案_第1页
1/6
消防管道试压安装方案_第2页
2/6
消防管道试压安装方案_第3页
3/6
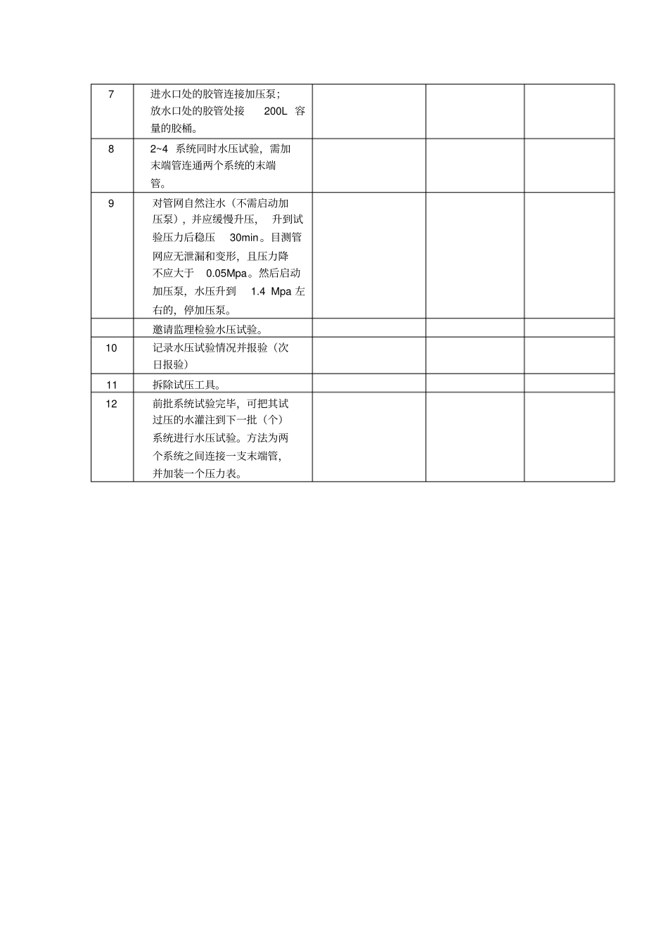
消防管道试压冲洗方案第一节一次试压一、管道试压1)试压用的压力表不少于2 只,其精度不应低于1.5 级,量程应为试验压力的 1.5-2 倍。2)对不能参与试压的设备、仪表、阀门及附件应以隔离拆除,加设的盲板应做明显标记,并记录临时盲板的数量。3)水压强度试验的测试点应设在系统管网的最低点,对管网注水时,应将管网内的空气排净,并应缓慢升压,升到试验压力后稳压30min。目测管网应无泄漏和变形,且压力降不应大于0.05Mpa。0.1Mpa=1 公斤。4)水压严密性试验应在水压强度试验和管网冲洗合格后进行,试验压力为设计工作压力,稳压24h 应无泄漏。5)系统试压过程中当出现泄漏时,应停止试压并放空管网中的水,消除缺陷后,重新再试,试压完成后,应及时拆除所有临时盲板及试验用的管道,并应与记录核对无误,且应按规范填写记录卡。6)试压时必须设有专用的放水测试阀 ,不得随便乱拆管道进行放水。7)本工程分高区和低区两个系统,地下室车库和±0.00 以上至 5 层商铺喷淋系统为低区的强度试验压力为1.4Mpa,严密性试验压力为0.6Mpa。6 层以上的标准层喷淋系统的强度试验压力为1.4Mpa,严密性试验压力为0.8Mpa。高区系统的给水主管道强度试验压力为1.9Mpa。消火栓系统管道试验压力为低区0.97MPa,高区干管 1.75MPa,支管 1.4 MPa二、管道冲洗1)管网的冲洗应在强度试验合格后分段进行,应先地下,后地上,其顺序:配水干管配水管配水支管。2)冲洗前,应对系统的仪表采取保护措施,止回阀和报警阀等应拆除,在其结束后及时复位,对管道的支架,吊架进行检查,必要时应采取加固措施。3)对不能经受冲洗的设备和冲洗后可能存留脏物、杂物的管段应进行清理,冲洗直径100mm 以上的管道时,应对其死角和底部进行敲打,但不得损伤管道。4)水压试验和冲洗应用生活用水进行,冲洗时,排水管道的截面不得小于被冲洗管道截面的60%,水流速度应大于3m/s,其流量应大于设计流量, 冲洗时应连续进行,当出水口的颜色透明度与入口一致时方可结束, 水流和方向应与其工作方向一致, 冲洗结束后,应将管内的水排清,并按规范填写记录卡。三、管道强度 严密性试压工序检查记录顺序工序项目主控 /一般检查项目是否向工人交底落实情况如何1 拆除不能参与试压的设备、仪表、阀门及附件。2 加设的盲板应做明显标记,并记录临时盲板的数量。或者关闭出口和入口阀门。3 在靠近水源处,与系统管网最低位末端管连接试压用的压力表。并封闭进水口...

1、当您付费下载文档后,您只拥有了使用权限,并不意味着购买了版权,文档只能用于自身使用,不得用于其他商业用途(如 [转卖]进行直接盈利或[编辑后售卖]进行间接盈利)。
2、本站所有内容均由合作方或网友上传,本站不对文档的完整性、权威性及其观点立场正确性做任何保证或承诺!文档内容仅供研究参考,付费前请自行鉴别。
3、如文档内容存在违规,或者侵犯商业秘密、侵犯著作权等,请点击“违规举报”。

碎片内容

消防管道试压安装方案

您可能关注的文档

确认删除?
VIP
微信客服
  • 扫码咨询
会员Q群
  • 会员专属群点击这里加入QQ群
客服邮箱
回到顶部