电脑桌面
添加小米粒文库到电脑桌面
安装后可以在桌面快捷访问

混凝土分项工程混凝土施工检验批质量验收记录----TJ27

混凝土分项工程混凝土施工检验批质量验收记录----TJ27_第1页
1/1
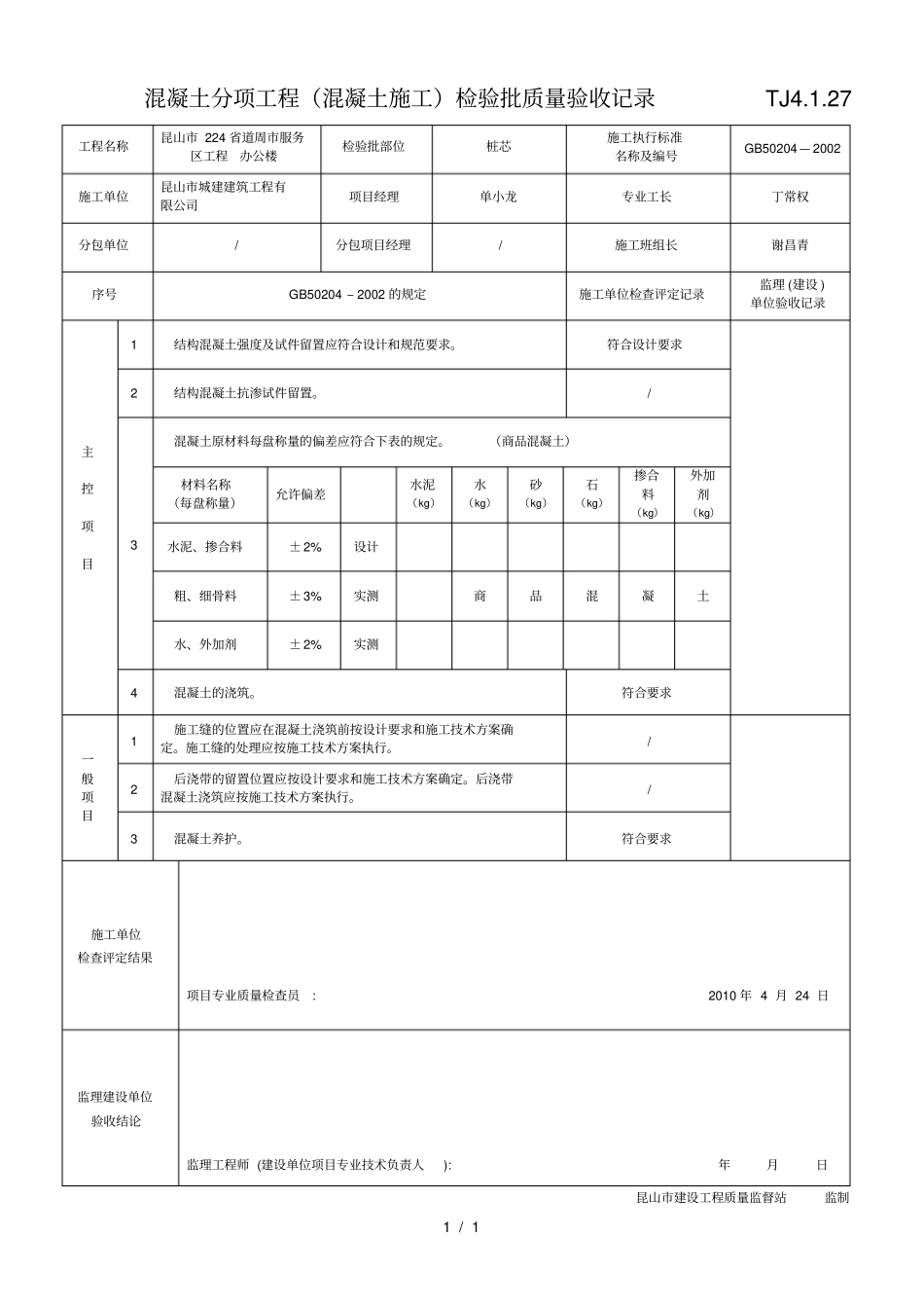
1 / 1 混凝土分项工程(混凝土施工)检验批质量验收记录TJ4.1.27工程名称昆山市 224 省道周市服务区工程办公楼检验批部位桩芯施工执行标准名称及编号GB50204 — 2002 施工单位昆山市城建建筑工程有限公司项目经理单小龙专业工长丁常权分包单位/ 分包项目经理/ 施工班组长谢昌青序号GB50204 – 2002 的规定施工单位检查评定记录监理 (建设 ) 单位验收记录主控项目1 结构混凝土强度及试件留置应符合设计和规范要求。符合设计要求2 结构混凝土抗渗试件留置。/ 3 混凝土原材料每盘称量的偏差应符合下表的规定。(商品混凝土)材料名称(每盘称量)允许偏差水泥(kg)水(kg)砂(kg)石(kg)掺合料(kg)外加剂(kg)水泥、掺合料± 2%设计粗、细骨料± 3%实测商品混凝土水、外加剂± 2%实测4 混凝土的浇筑。符合要求一般项目1 施工缝的位置应在混凝土浇筑前按设计要求和施工技术方案确定。施工缝的处理应按施工技术方案执行。/ 2 后浇带的留置位置应按设计要求和施工技术方案确定。后浇带混凝土浇筑应按施工技术方案执行。/ 3 混凝土养护。符合要求施工单位检查评定结果项目专业质量检查员: 2010 年 4 月 24 日监理建设单位验收结论监理工程师 (建设单位项目专业技术负责人): 年月日昆山市建设工程质量监督站监制

1、当您付费下载文档后,您只拥有了使用权限,并不意味着购买了版权,文档只能用于自身使用,不得用于其他商业用途(如 [转卖]进行直接盈利或[编辑后售卖]进行间接盈利)。
2、本站所有内容均由合作方或网友上传,本站不对文档的完整性、权威性及其观点立场正确性做任何保证或承诺!文档内容仅供研究参考,付费前请自行鉴别。
3、如文档内容存在违规,或者侵犯商业秘密、侵犯著作权等,请点击“违规举报”。

碎片内容

混凝土分项工程混凝土施工检验批质量验收记录----TJ27

您可能关注的文档

确认删除?
VIP
微信客服
  • 扫码咨询
会员Q群
  • 会员专属群点击这里加入QQ群
客服邮箱
回到顶部