电脑桌面
添加小米粒文库到电脑桌面
安装后可以在桌面快捷访问

混凝土外掺料

混凝土外掺料_第1页
1/11
混凝土外掺料_第2页
2/11
混凝土外掺料_第3页
3/11
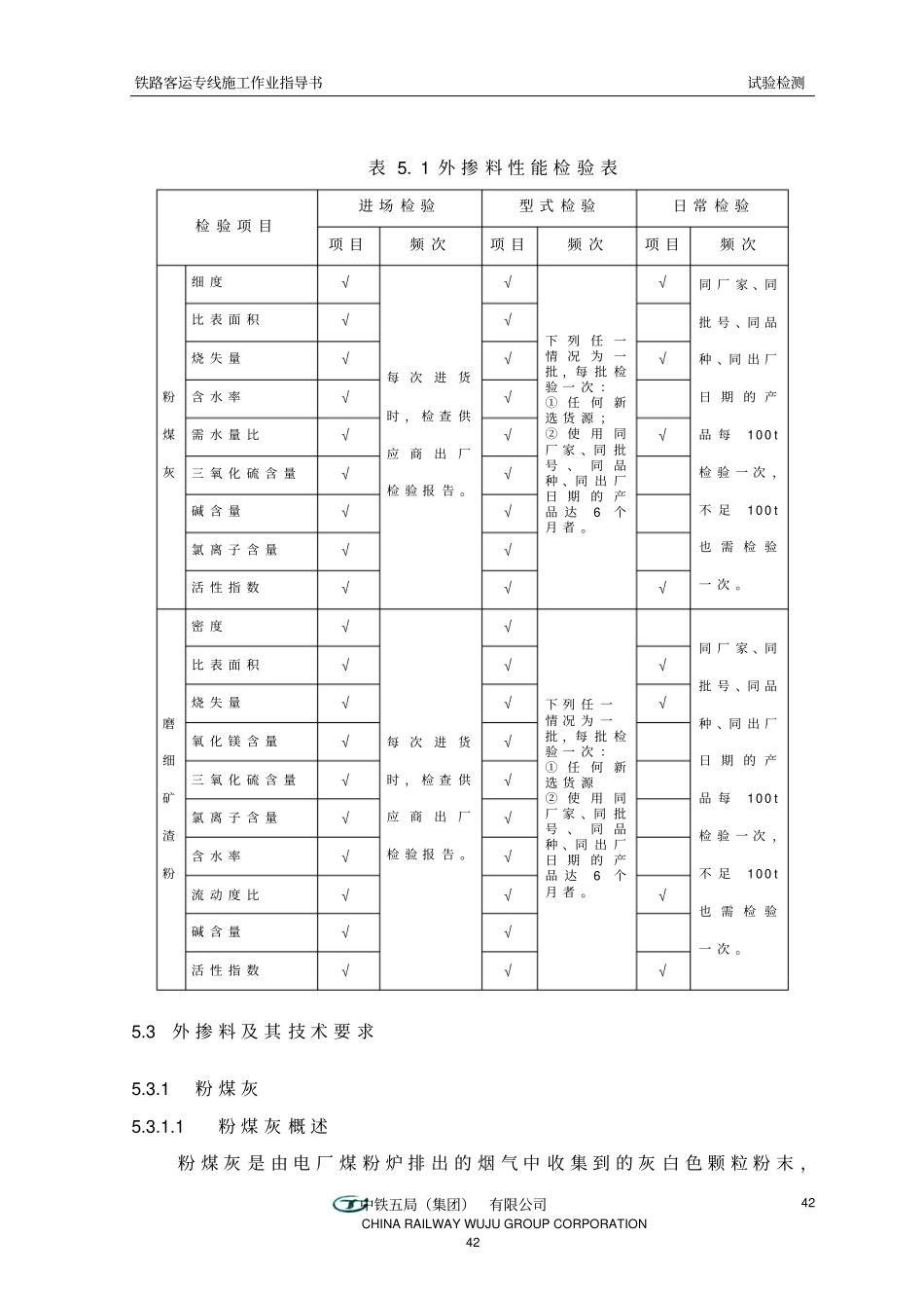
铁路客运专线施工作业指导书试验检测中铁五局(集团)有限公司CHINA RAILWAY WUJU GROUP CORPORATION 40 40 5 混 凝 土 外 掺 料5.1混 凝 土 外 掺 料 的 定 义 及 作 用5.1.1混 凝 土 外 掺 料 的 定 义混 凝 土 生 产 中 为 改 善 其 某 些 性 能( 特 别 是 改 善 混 凝 土 耐 久 性 行 不通 )、 而 加 入 的 矿 物 材 料 。外 掺 料 可 分 为 活 性 掺 合 料 和 非 活 性 掺 合 料 。活 性 掺 合 料 是 指 某 些 自 身 具 有 水 硬 性 的 材 料( 如 碱 性 粒 化 高 炉 矿渣 、 增 钙 液 态 渣 、 烧 页 岩 灰 等 ) 或 某 些 自 身 不 具 有 水 硬 性 、 但 经 磨 细与 石 灰 或 与 石 灰 和 石 膏 拌 合 在 一 起 、加 水 后 能 在 常 温 下 具 有 胶 凝 性 的水 化 产 物 、既 能 在 水 中 又 能 在 空 气 中 硬 化 的 掺 合 料( 如 酸 性 粒 化 高 炉矿 渣 、 硅 粉 、 沸 石 粉 、 粉 煤 灰 、 烧 页 岩 、 火 山 灰 质 材 料 等 )。非 活 性 掺 合 料 是 指 某 些 不 具 有 水 硬 性 或 活 性 甚 低 的 人 造 或 天 然矿 物 材 料 ,一 般 与 水 泥 不 起 化 学 反 应 或 很 难 反 应 ,掺 入 混 凝 土 中 主 要起 填 充 作 用 或 改 善 混 凝 土 的 和 易 性 ,如 磨 细 石 英 砂 、石 灰 石 、粘 土 等 。5.1.2混 凝 土 外 掺 料 的 作 用当 外 掺 料 加 入 混 凝 土 中 与 水 泥 一 同 搅 拌 后 , 不 会 立 即 发 生 反 应 ,而 要 到 时 水 泥 水 化 反 应 进 行 到 一 定 程 度 ,水 化 产 物 氢 氧 化 钙 达 到 一 定浓 度 之 后 ,才 会 反 应 ,这 称 为 二 次 反 应 。二 次 反 应 的 产 生 会 填 充 混 凝土 中 的 孔 隙 ,使 混 凝 土 更 加 密 实 ,从 而 提 高 混 凝 土 的 耐 久 性 性 能 。当然 ,外 掺 料 还 可 以 改 善 混 凝 土 的 和 易 性 ,这 是 众 所 周 知 的 ,这 里 来 再强 调 。在 混 凝 土 技 术 发 展 到 现 阶...

1、当您付费下载文档后,您只拥有了使用权限,并不意味着购买了版权,文档只能用于自身使用,不得用于其他商业用途(如 [转卖]进行直接盈利或[编辑后售卖]进行间接盈利)。
2、本站所有内容均由合作方或网友上传,本站不对文档的完整性、权威性及其观点立场正确性做任何保证或承诺!文档内容仅供研究参考,付费前请自行鉴别。
3、如文档内容存在违规,或者侵犯商业秘密、侵犯著作权等,请点击“违规举报”。

碎片内容

混凝土外掺料

您可能关注的文档

确认删除?
VIP
微信客服
  • 扫码咨询
会员Q群
  • 会员专属群点击这里加入QQ群
客服邮箱
回到顶部