电脑桌面
添加小米粒文库到电脑桌面
安装后可以在桌面快捷访问

混凝土工序三检表

混凝土工序三检表_第1页
1/3
混凝土工序三检表_第2页
2/3
混凝土工序三检表_第3页
3/3
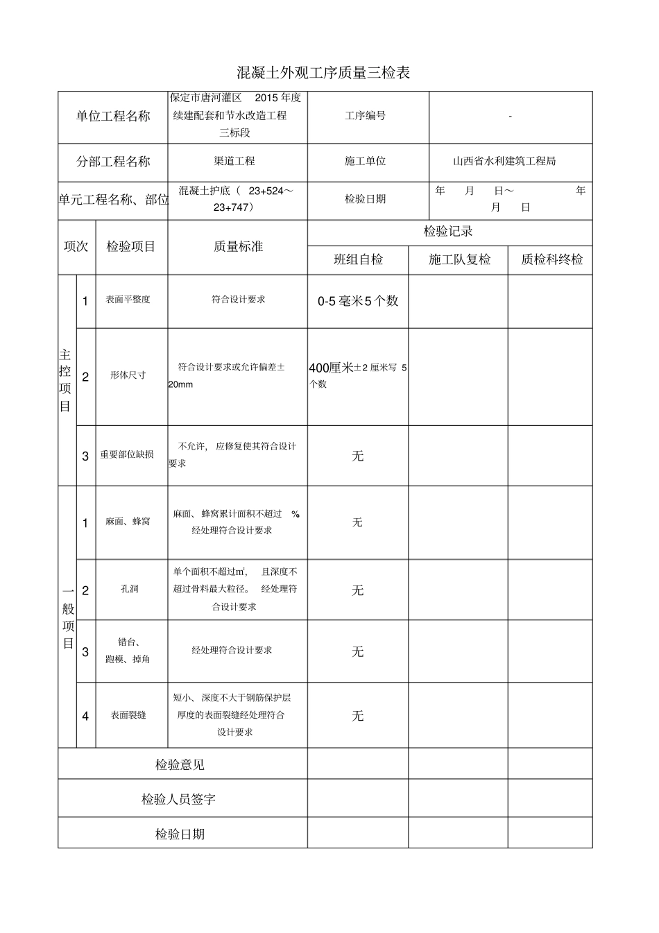
混凝土浇筑工序施工质量质量三检表单位工程名称保定市唐河灌区2015 年度续建配套和节水改造工程三标段工序编号-分部工程名称渠道工程施工单位山西省水利建筑工程局单元工程名称、部位混凝土护底( 23+524~23+747)检验日期年月日~年月日项次检验项目质量标准检验记录班组自检施工队复检质检科终检主控项目1入仓混凝土料无不合格料入仓。 如有少量不合格料入仓,应及时处理至达到要求无不合格料入仓2平仓分层厚度不大于振捣棒有效长度的90%,铺设均匀, 分层清楚, 无骨料集中现象---3混凝土振捣振捣器垂直插入下层5cm,有次序,间距、 留振时间合理, 无漏振、 无超振平板器从坡脚向上振捣4铺筑间歇时间符合要求,无初凝现象-5浇筑温度(指有温控要求的混凝土)满足设计要求-6混凝土养护表面保持湿润; 连续养护时间基本满足设计要求连续养护 28 天一般项目1砂浆铺筑厚度宜为2~ 3cm,均匀平整,无漏铺均匀平整,无漏铺2积水和泌水无外部水流入,泌水排除及时无3插筋、管路等埋设件以及模板的保护保护好,符合设计要求-4混凝土表面保护保护时间、 保温材料质量符合设计要求苫盖5脱模脱模时间符合施工技术规范或设计要求强度达到 50%以上胶模检验意见检验人员签字检验日期表基础面或混凝土施工缝处理工序三检表单位工程名称保定市唐河灌区2015 年度续建配套和节水改造工程三标段工序名称-分部工程名称渠道工程施工单位山西省水利建筑工程局单元工程名称、部位混凝土衬砌( 5+750~5+875)检验日期年月日~年月日项次检 查 项 目质 量 标 准检 验 记 录班组自检施工队复检质检处(科)终检1基础岩面( 1)△建基面无松动岩块-( 2)△地表水和地下水妥善引排或封堵-( 3)岩面清洗清洗洁净, 无积水, 无积渣杂物-2混凝土施工缝( 1)△表面处理无乳皮、成毛面-( 2)混凝土表面清洗清洗洁净,无积水,无积渣杂物-3( 1)△建基面预留保护层已挖除,地质符合设计要求预留保护层已挖除( 2)垫层铺填符合设计要求-( 3)基础面清理无乱石、杂物、坑洞分层回填夯实无乱石、杂物、坑洞分层回填夯实检验意见检验人员签字检验日期混凝土外观工序质量三检表单位工程名称保定市唐河灌区2015 年度续建配套和节水改造工程三标段工序编号-分部工程名称渠道工程施工单位山西省水利建筑工程局单元工程名称、部位混凝土护底( 23+524~23+747)检验日期年月日~年月日项次检验项目质量标准检验记录班组自检施工队复检质检...

1、当您付费下载文档后,您只拥有了使用权限,并不意味着购买了版权,文档只能用于自身使用,不得用于其他商业用途(如 [转卖]进行直接盈利或[编辑后售卖]进行间接盈利)。
2、本站所有内容均由合作方或网友上传,本站不对文档的完整性、权威性及其观点立场正确性做任何保证或承诺!文档内容仅供研究参考,付费前请自行鉴别。
3、如文档内容存在违规,或者侵犯商业秘密、侵犯著作权等,请点击“违规举报”。

碎片内容

混凝土工序三检表

您可能关注的文档

确认删除?
VIP
微信客服
  • 扫码咨询
会员Q群
  • 会员专属群点击这里加入QQ群
客服邮箱
回到顶部