电脑桌面
添加小米粒文库到电脑桌面
安装后可以在桌面快捷访问

混凝土挡土墙施工方案边坡

混凝土挡土墙施工方案边坡_第1页
1/10
混凝土挡土墙施工方案边坡_第2页
2/10
混凝土挡土墙施工方案边坡_第3页
3/10
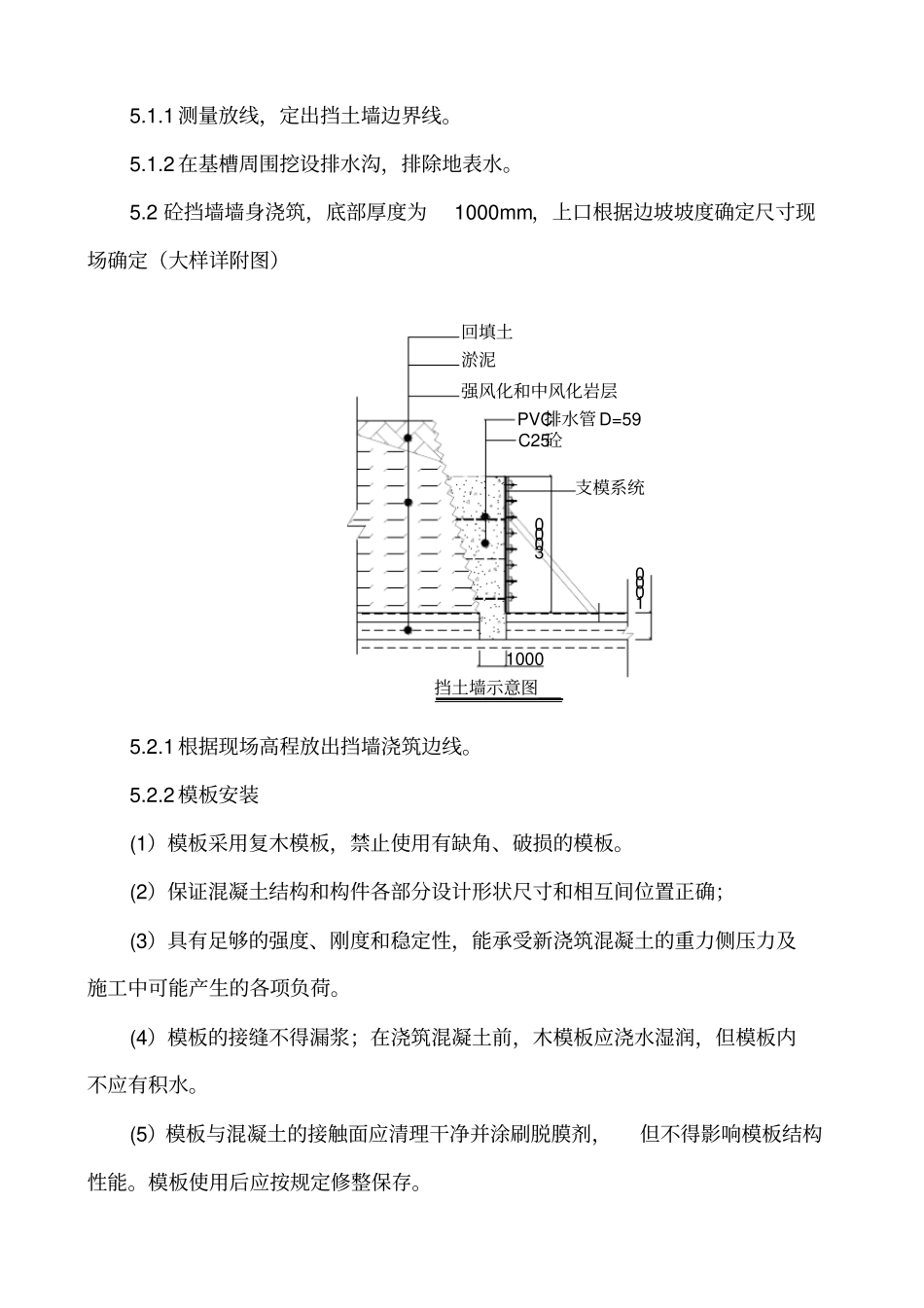
目录1.工程概况 .................................................................................................................... 2 2.编制依据 .................................................................................................................... 2 3.施工组织 .................................................................................................................... 2 4.施工工艺流程 ............................................................................................................ 2 5.施工方案 .................................................................................................................... 2 6.安全措施 .................................................................................................................... 7 7.质量控制措施 ............................................................................................................ 7 8.工程质量 .................................................................................................................... 8 9.质量检验 .................................................................................................................... 81.工程概况工作船码头工程位XXXX上游 1.5 公里处,红水河北岸2 级阶地阶坡处。场地地形为北面为阶坡坡顶,南面为阶坡坡脚,地形起伏大。工程基础抛石基础。砼墙总长20m,墙高度为 5m,挡土墙墙身采用C25 混凝土。2.编制依据1.1:施工场为素填土,强风化岩泥,土方开挖过程中可能会出现土方垮塌。基坑土方开挖线底部达到设计要求后,基坑外边坡底部存在淤泥较厚。为保证安全固采用砼挡墙加以支护。1.2 我公司相似工程施工中成熟的施工技术和管理经验,及相关项目管理办法。3.施工组织3.1 施工准备3.1.1 根据施工现场实际情况确定施工方案,准备材料。3.1.2 选用 C25 自拌混凝土。3.1.3 修建临时施工便道、砼浇筑采用斗车浇筑(因挡土墙砼浇筑量较大,无法从办公区域进行浇筑,只能从基坑下进行浇筑)。4.施工工艺流程施工准备测量放线基槽开挖立模加固安装泄水孔做滤水层浇筑混凝土拆除模板养护。5.施工方案5.1 施工场地准备5.1.1 测量放线,定出挡土墙...

1、当您付费下载文档后,您只拥有了使用权限,并不意味着购买了版权,文档只能用于自身使用,不得用于其他商业用途(如 [转卖]进行直接盈利或[编辑后售卖]进行间接盈利)。
2、本站所有内容均由合作方或网友上传,本站不对文档的完整性、权威性及其观点立场正确性做任何保证或承诺!文档内容仅供研究参考,付费前请自行鉴别。
3、如文档内容存在违规,或者侵犯商业秘密、侵犯著作权等,请点击“违规举报”。

碎片内容

混凝土挡土墙施工方案边坡

您可能关注的文档

确认删除?
VIP
微信客服
  • 扫码咨询
会员Q群
  • 会员专属群点击这里加入QQ群
客服邮箱
回到顶部