电脑桌面
添加小米粒文库到电脑桌面
安装后可以在桌面快捷访问

混凝土结构基本原理试验课程作业梁受剪性能试验方案

混凝土结构基本原理试验课程作业梁受剪性能试验方案_第1页
1/5
混凝土结构基本原理试验课程作业梁受剪性能试验方案_第2页
2/5
混凝土结构基本原理试验课程作业梁受剪性能试验方案_第3页
3/5
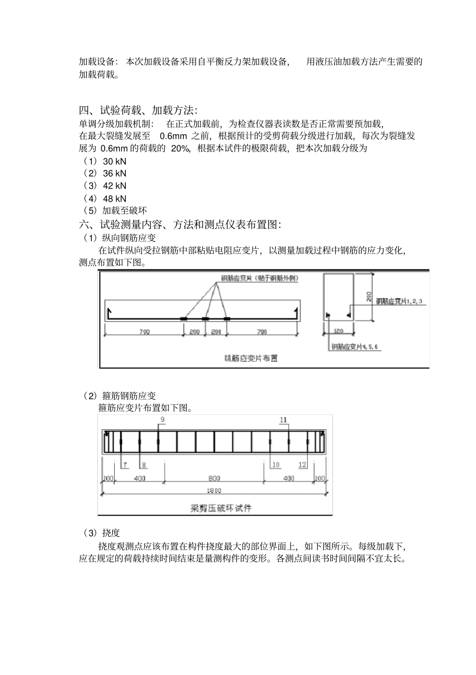
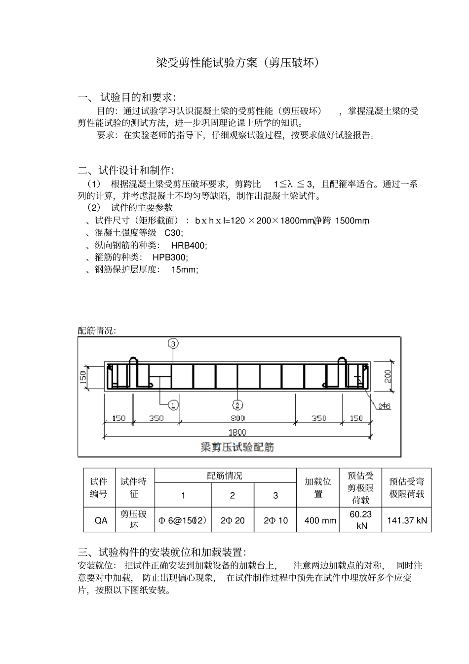
L ENGINEERING《混凝土结构基本原理》试验课程作业梁受剪性能试验方案试验课教师黄庆华姓名杜正磊学号1150987理论课老师熊学玉日期2013 年 12 月 25 日梁受剪性能试验方案(剪压破坏)一、 试验目的和要求:目的:通过试验学习认识混凝土梁的受剪性能(剪压破坏),掌握混凝土梁的受剪性能试验的测试方法,进一步巩固理论课上所学的知识。要求:在实验老师的指导下,仔细观察试验过程,按要求做好试验报告。二、试件设计和制作:(1) 根据混凝土梁受剪压破坏要求,剪跨比1≦λ ≦ 3,且配箍率适合。通过一系列的计算,并考虑混凝土不均匀等缺陷,制作出混凝土梁试件。(2) 试件的主要参数、试件尺寸(矩形截面) :bⅹhⅹl=120 ×200×1800mm,净跨 1500mm;、混凝土强度等级C30; 、纵向钢筋的种类: HRB400; 、箍筋的种类: HPB300; 、钢筋保护层厚度: 15mm; 配筋情况:三、试验构件的安装就位和加载装置:安装就位: 把试件正确安装到加载设备的加载台上,注意两边加载点的对称, 同时注意要对中加载, 防止出现偏心现象, 在试件制作过程中预先在试件中埋放好多个应变片,按照以下图纸安装。试件编号试件特征配筋情况加载位置预估受剪极限荷载预估受弯极限荷载1 2 3 QA 剪压破坏Ф 6@150(2)2Ф 20 2Ф 10 400 mm 60.23 kN 141.37 kN 加载设备: 本次加载设备采用自平衡反力架加载设备,用液压油加载方法产生需要的加载荷载。四、试验荷载、加载方法:单调分级加载机制: 在正式加载前,为检查仪器表读数是否正常需要预加载,在最大裂缝发展至0.6mm 之前,根据预计的受剪荷载分级进行加载,每次为裂缝发展为 0.6mm 的荷载的 20%,根据本试件的极限荷载,把本次加载分级为(1)30 kN (2)36 kN (3)42 kN (4)48 kN (5)加载至破坏六、试验测量内容、方法和测点仪表布置图:(1)纵向钢筋应变在试件纵向受拉钢筋中部粘贴电阻应变片,以测量加载过程中钢筋的应力变化,测点布置如下图。(2)箍筋钢筋应变箍筋应变片布置如下图。(3)挠度挠度观测点应该布置在构件挠度最大的部位界面上,如下图所示。每级加载下,应在规定的荷载持续时间结束是量测构件的变形。各测点间读书时间间隔不宜太长。(4)裂缝为便于查找和标记裂缝,试验前用石灰浆将梁表面刷白,并绘制 50 mm×50 mm 的网格。构件开裂后,对裂缝的宽度、长度和裂缝的间距进行描述和记录。五、理论极限荷载计算书:kNN...

1、当您付费下载文档后,您只拥有了使用权限,并不意味着购买了版权,文档只能用于自身使用,不得用于其他商业用途(如 [转卖]进行直接盈利或[编辑后售卖]进行间接盈利)。
2、本站所有内容均由合作方或网友上传,本站不对文档的完整性、权威性及其观点立场正确性做任何保证或承诺!文档内容仅供研究参考,付费前请自行鉴别。
3、如文档内容存在违规,或者侵犯商业秘密、侵犯著作权等,请点击“违规举报”。

碎片内容

混凝土结构基本原理试验课程作业梁受剪性能试验方案

爱的疯狂+ 关注
实名认证
内容提供者

该用户很懒,什么也没介绍

确认删除?
VIP
微信客服
  • 扫码咨询
会员Q群
  • 会员专属群点击这里加入QQ群
客服邮箱
回到顶部