电脑桌面
添加小米粒文库到电脑桌面
安装后可以在桌面快捷访问

HDH型钢混凝土施工综合方案宿迁恒大悦龙台园工程

HDH型钢混凝土施工综合方案宿迁恒大悦龙台园工程_第1页
1/48
HDH型钢混凝土施工综合方案宿迁恒大悦龙台园工程_第2页
2/48
HDH型钢混凝土施工综合方案宿迁恒大悦龙台园工程_第3页
3/48
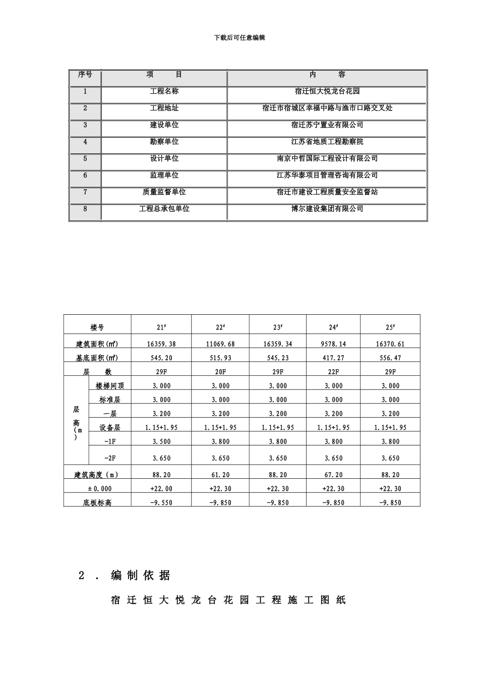
下载后可任意编辑HDH 型钢混凝土施工综合方案宿迁恒大悦龙台园工程下载后可任意编辑1. 工 程 概 况恒 大 悦 龙 台 花 园 工 程 , 包 含 B、 C地 块 :C地 块 总 用 地 面 积 为 : 24036m2; 总 建 筑 面 积 为 :98023m2; 其 中 : 地 上 建 筑 面 积 为 : 65245m2( 包 括 :21-25# 高 层 住 宅 楼 5幢 : 62169m2; 2F 商 业 2幢 :2213m2 ) ; 地 下 建 筑 面 积 为 : 32469m2( 包 括 : -2F 地下 车 库 及 人 防 : 5509m2 , 地 下 车 库 24373m2, 非 机 动车 库 及 地 下 储 藏 室 8096m2 ) ; B地 块 总 用 地 面 积为 : 44009m2; 总 建 筑 面 积 为 : 74374m2; 其 中 : 地 上建 筑 面 积 为 : 42165m2( 包 括 : 3F 别 墅 : 13870m2; 商业 : 23263m2) ; B地 块 别 墅 区 地 下 车 库 建 筑 面 积为 : 7277m2 ( -1F ) ; B地 块 商 业 区 及 别 墅 施 工 详图 待 定 。 本 工 程 劲 性 H钢 柱 ( GZ1-GZ7) 混 凝 土 剪力 墙 为 21#-25# 高 层 结 构 从 桩 筏 基 础 到 11F/15F部 分 。下载后可任意编辑2. 编 制 依 据宿 迁 恒 大 悦 龙 台 花 园 工 程 施 工 图 纸序号项 目内 容1工程名称宿迁恒大悦龙台花园2工程地址宿迁市宿城区幸福中路与渔市口路交叉处3建设单位宿迁苏宁置业有限公司4勘察单位江苏省地质工程勘察院5设计单位南京中哲国际工程设计有限公司6监理单位江苏华泰项目管理咨询有限公司7质量监督单位宿迁市建设工程质量安全监督站8工程总承包单位博尔建设集团有限公司楼号21#22#23#24#25#建筑面积(㎡)16359.3811069.6816359.349578.1416370.61基底面积(㎡)545.20515.93545.23417.27556.47层 数29F20F29F22F29F层高(m)楼梯间顶3.0003.0003.0003.0003.000标准层3.0003.0003.0003.0003.000一层3.2003.2003.2003.2003.200设备层1.15+1.951.15+1.951.15+1.951.15+1.951.15+1.95-1F3.5003.8003.8003.8003.800-2F3.6503.6503.6503.6503.650建筑高度(m)88.2061.2088.2067.2088.20±0.000+22.00+22.30+22.30+22.30+22.30底板标高-9.550-9.850-9.850-9.850-9.850下载后可任意编辑宿 迁 恒 大 悦 龙 台 花 园 H型 钢 混 凝 土 柱 结 构深 化 ...

1、当您付费下载文档后,您只拥有了使用权限,并不意味着购买了版权,文档只能用于自身使用,不得用于其他商业用途(如 [转卖]进行直接盈利或[编辑后售卖]进行间接盈利)。
2、本站所有内容均由合作方或网友上传,本站不对文档的完整性、权威性及其观点立场正确性做任何保证或承诺!文档内容仅供研究参考,付费前请自行鉴别。
3、如文档内容存在违规,或者侵犯商业秘密、侵犯著作权等,请点击“违规举报”。

碎片内容

HDH型钢混凝土施工综合方案宿迁恒大悦龙台园工程

您可能关注的文档

确认删除?
VIP
微信客服
  • 扫码咨询
会员Q群
  • 会员专属群点击这里加入QQ群
客服邮箱
回到顶部