电脑桌面
添加小米粒文库到电脑桌面
安装后可以在桌面快捷访问

关于压力表分类的说明

关于压力表分类的说明_第1页
1/8
关于压力表分类的说明_第2页
2/8
关于压力表分类的说明_第3页
3/8
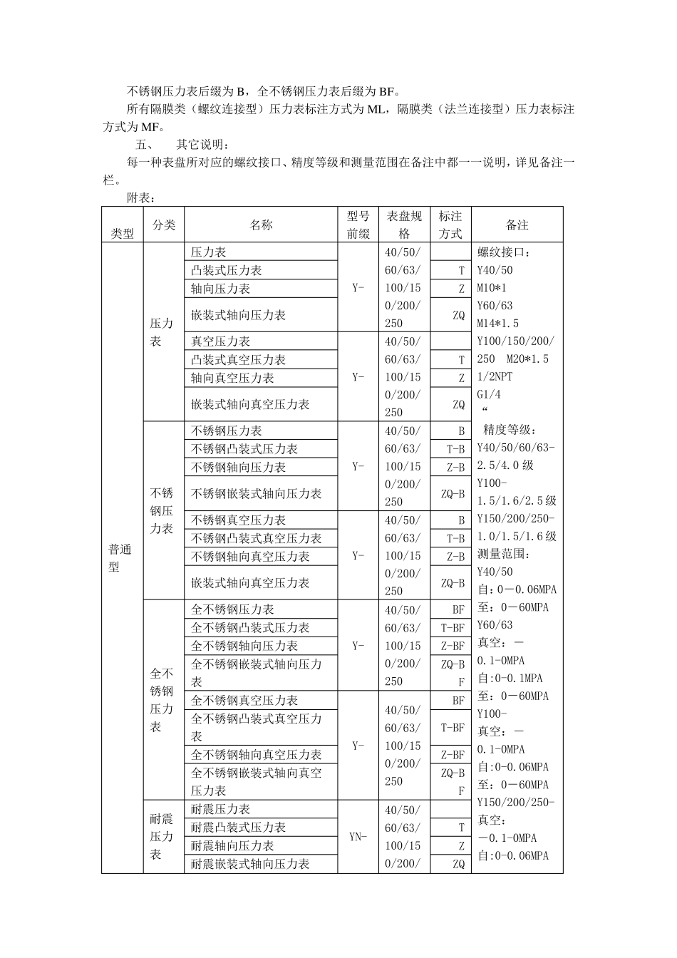
关于国产压力表分类的说明 因国产压力表规格型号的标注方式所执行的标准大多是各企业标准,个性化较强,无法统一,按规格型号区分很容易出错,所以在电子物资库中国产压力表的分类原则主要遵照中文名称分类: 压力表主要分为六大类:普通型压力表、隔膜类(螺纹连接型)压力表、隔膜类(法兰连接型)压力表 、电接点压力表、其它类压力表、精密压力表、其他等。 一、 以普通型压力表为例说明分类: 普通型压力表分为:普通压力表、不锈钢压力表、全不锈钢压力表、耐震压力表、不锈钢耐震压力表、全不锈钢耐震压力表。 每一款压力表又分为正压类和真空类。如正压类分为:压力表、凸装式压力表、轴向压力表、嵌装式轴向压力表。真空类分为:真空压力表、真空凸装式压力表、真空轴向压力表、真空嵌装式轴向压力表。详细名称分类见附表中名称一栏。 注:凸装式压力表是俗称带后边的压力表,轴向压力表就是不带边的压力表,嵌装式轴向压力表就是带前边的压力表。其标注方式在附表中和名称一一对应。 二、 材质说明: 普通型中压力表的材质为铜质;不锈钢压力表的材质是 1 铬 18 镍 9 钛;全不锈钢压力表的材质为316L 。耐震压力表、不锈钢耐震压力表、全不锈钢耐震压力表材质和以上压力表相对应。 在隔膜类压力表中隔膜压力表材质为碳钢;不锈钢隔膜压力表的材质是 1 铬 18 镍 9钛;全不锈钢隔膜压力表的材质为316L 。耐震隔膜压力表、不锈钢耐震隔膜压力表、全不锈钢耐震隔膜压力表材质和以上压力表相对应。 三、 表盘规格说明: 每一种压力表表盘规格分为:40、50、60、63、100、150、200、250。 表盘规格为表盘直径。 四、 标注方式说明: 不锈钢压力表后缀为B,全不锈钢压力表后缀为BF。 所有隔膜类(螺纹连接型)压力表标注方式为M L,隔膜类(法兰连接型)压力表标注方式为M F。 五、 其它说明: 每一种表盘所对应的螺纹接口、精度等级和测量范围在备注中都一一说明,详见备注一栏。 附表: 类型 分类 名称 型号前缀 表盘规格 标注方式 备注 普通型 压力表 压力表 Y- 40/50/60/63/100/150/200/250 螺纹接口: Y40/50 M10*1 Y60/63 M14*1.5 Y100/150/200/250 M20*1.5 1/2NPT G1/4“ 精度等级: Y40/50/60/63-2.5/4.0 级 Y100- 1.5/1.6/2.5 级 Y150/200/250- 1.0/1.5/1.6 级 测量范围: Y40/50 自:0-0.06MPA 至:0-60MPA Y60/63 真空:-0.1-0MPA 自:0-0.1MPA 至:0...

1、当您付费下载文档后,您只拥有了使用权限,并不意味着购买了版权,文档只能用于自身使用,不得用于其他商业用途(如 [转卖]进行直接盈利或[编辑后售卖]进行间接盈利)。
2、本站所有内容均由合作方或网友上传,本站不对文档的完整性、权威性及其观点立场正确性做任何保证或承诺!文档内容仅供研究参考,付费前请自行鉴别。
3、如文档内容存在违规,或者侵犯商业秘密、侵犯著作权等,请点击“违规举报”。

碎片内容

关于压力表分类的说明

确认删除?
VIP
微信客服
  • 扫码咨询
会员Q群
  • 会员专属群点击这里加入QQ群
客服邮箱
回到顶部