电脑桌面
添加小米粒文库到电脑桌面
安装后可以在桌面快捷访问

利达华信自动报警系统常见接线图

利达华信自动报警系统常见接线图_第1页
1/9
利达华信自动报警系统常见接线图_第2页
2/9
利达华信自动报警系统常见接线图_第3页
3/9
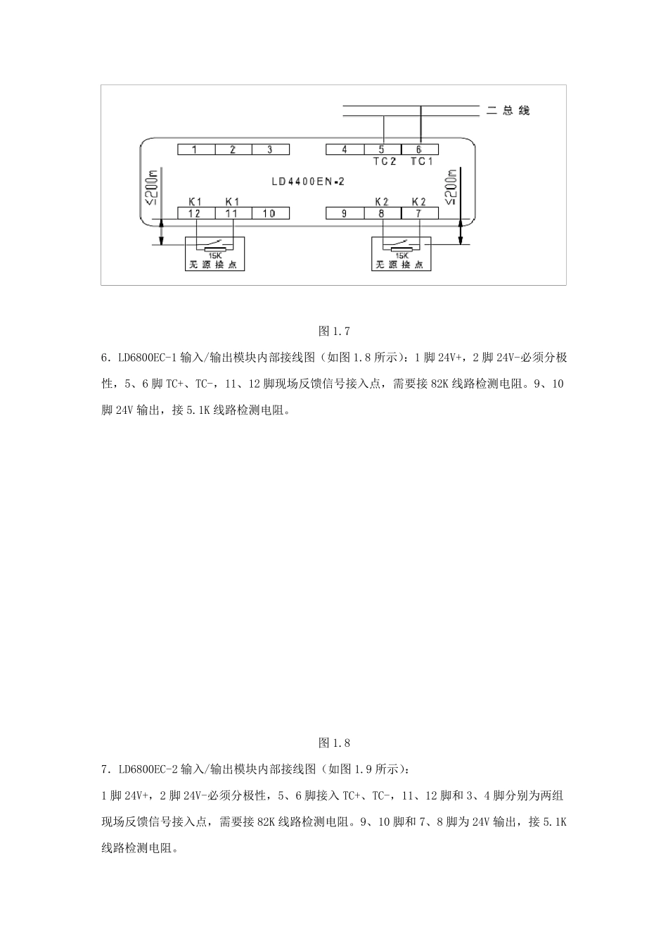
利达华信自动报警系统常见接线图 一.现场经常用到的几种探头的技术支持 1.LD10EN 底座:用于LD3000EN/A、LD3300EN 等探测器,采用二总线并联接线方式,TC+,TC-端子不分正负极。 图1.1 2.LD2000E-A 手动火灾报警按钮内部接线图(如图1.2 所示):3、4 脚是二总线端子,TC2、TC1 无极性,1、2 脚是一组无源常开接点,通过电压小于30V 通过电流 100MA,5 脚 6 脚是备用消防电话接口,配合电话手柄使用。如使用总线电话需要配合总线电话模块使用。 图1.2 3.LD2001EN 消火栓按钮内部接线图(如图1.3 所示):3、4 脚是二总线端子,TC2、TC1 无极性,1、2 脚是一组无源常开接点,接直接启泵线(图1.4),通过电压小于30V 通过电流 100MA,7 脚是 24V+,8 脚是消防泵的反馈线。 图1.3 图1.4 4. LD3101/B 点型可燃气体探测器内部接线示意图(如图1.5 所示):TC+,TC-,24V+,24V-四个端子。3101/B 点型可燃气体探测器探头编码方式是将TC+与24V+短接,TC-与24V-短接,用编码器的红色夹子夹在TC+上,黑色夹子夹在TC-上进行编码。 图1.5 5.LD4400EN-1/2 输入模块端子图与接线图示例(如图1.6、1.7 所示):6 脚 5 脚是二总线TC+,TC-原则上不分正负极,11 脚 12 脚是一组无源长开点,8 脚 7 脚是一组无源长开点。端子现场设备上需要加 15K 线路检测电阻。 图1.6 图1.7 6.LD6800EC-1 输入/输出模块内部接线图(如图1.8 所示):1 脚24V+,2 脚24V-必须分极性,5、6 脚TC+、TC-,11、12 脚现场反馈信号接入点,需要接82K 线路检测电阻。9、10脚24V 输出,接5.1K 线路检测电阻。 图1.8 7.LD6800EC-2 输入/输出模块内部接线图(如图1.9 所示): 1 脚24V+,2 脚24V-必须分极性,5、6 脚接入TC+、TC-,11、12 脚和 3、4 脚分别为两组现场反馈信号接入点,需要接82K 线路检测电阻。9、10 脚和 7、8 脚为 24V 输出,接5.1K线路检测电阻。 图1.9 二.主机柜的技术支持 主要针对的主机、手动盘、电话系统、广播系统、气体灭火盘、联动电源系统等。 1.主机类: LD128E(Q)火灾报警控制器(联动型)接线端子图: 2.手动盘接线端子示意图: 三.消防电话系统: 1.总线消防电话系统:HY5711B 有总线接口和单路输出接口。总线接口可接HY5716B总线电话分机和HY5714B总线电话插孔。单路输出可接入 30 部 HY2712D 多线电话分机和HY2714D 多线电话插孔。 2.多线消防电话系统:YJG3040 3.广播系统: 4.气体灭火系统 LD5502ENI 5.LD5500EN 气体灭火盘

1、当您付费下载文档后,您只拥有了使用权限,并不意味着购买了版权,文档只能用于自身使用,不得用于其他商业用途(如 [转卖]进行直接盈利或[编辑后售卖]进行间接盈利)。
2、本站所有内容均由合作方或网友上传,本站不对文档的完整性、权威性及其观点立场正确性做任何保证或承诺!文档内容仅供研究参考,付费前请自行鉴别。
3、如文档内容存在违规,或者侵犯商业秘密、侵犯著作权等,请点击“违规举报”。

碎片内容

利达华信自动报警系统常见接线图

小辰7+ 关注
实名认证
内容提供者

出售各种资料和文档

确认删除?
VIP
微信客服
  • 扫码咨询
会员Q群
  • 会员专属群点击这里加入QQ群
客服邮箱
回到顶部