电脑桌面
添加小米粒文库到电脑桌面
安装后可以在桌面快捷访问

力士乐a4vg高压柱塞泵

力士乐a4vg高压柱塞泵_第1页
1/28
力士乐a4vg高压柱塞泵_第2页
2/28
力士乐a4vg高压柱塞泵_第3页
3/28
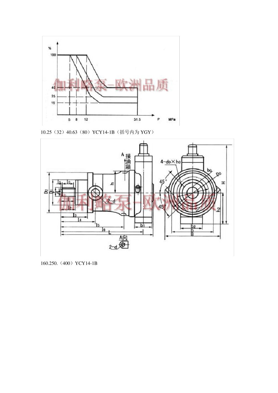
力 士 乐 a4vg高 压 柱 塞 泵 胡 锦 涛 在 当 天 晚 宴 的 致 辞 中 再 次 表 示 ,只 要 中 美 双 方 始 终 从 战 略 高 度 和 长 远 角 度 审 视 和处 理 中 美 关 系 , 牢 牢 把 握 两 国 的 共 同 战 略 利 益 , 相 互 尊 重 , 平 等 相 待 , 加 强 交 流 , 发 展 合 作 ,就 一 定 能 够 实 现 互 利 共 赢 。 此 前 , 胡 锦 涛 在 下 榻 酒 店 会 见 了 葛 瑞 格 尔 。 胡 锦 涛 说 , 华 盛 顿 州 是 美 国 大 陆 距 离 中 国 最 近的 地 方 , 在 发 展 对 华 关 系 方 面 走 在 前 列 。 他 欢 迎 华 盛 顿 州 工 商 等 各 界 朋 友 同 中 方 加 强 交 流 ,使 该 州 同 中 国 各 领 域 的 合 作 不 断 取 得 新 成 果。 葛 瑞 格 尔 说 , 在 华 盛 顿 州 的 发 展 过程中 , 华 人作 出了 重 要 贡献, 中 国 文化在 该 州 的 影响很大 ,已经很好地 融入当 地 文化。 该 州 为同 中 国 在 经贸等 领 域 形成 的 强 有力 的 关 系 感到鼓舞, 希望不 断 深化和 扩大 双 方 在 经贸、卫生、教 育 、科 技 等 领 域 的 合 作 。 YCY 型 轴 向 柱 塞 泵 结 构 原 理 简 述 该 种 变 量 形式 的 轴 向 柱 塞 泵 是 靠 泵 本 身 压 力 自 动 控 制 , 如 上 图 高 压 油 流 通 过通 道 ( a)、(b)、( c), 进 入变 量 壳 体 ( 302) 的 下 腔 ( d), 由 此 经过通 道 (e) 分 别 进 入通 道 (f)和 ( h), 当弹 簧 的 作 用 力 大 于 由 通 道 ( f) 进 入伺 服 活 塞 ( 309) 下 端 环 形面 积 的 液 压 推 力 时 , 则 油 液 经( h) 进 入上 腔 ( g), 推 动 变 量 活 塞 ( 301) 向 下 移 动 , 使 泵 的 流 量 增 加 。 反 之 , 当 泵 的 压 力 克 服 弹 簧 力 使 伺 服 活 塞 向 上 动 时 , 堵 塞 通 道 ( h), 使 ( g) 腔 油 通 过( i)而 卸 压 , 此 时 变 量 活 塞 上 移 , 泵 的 流 量 减 小 。 下 图 表 示 YC...

1、当您付费下载文档后,您只拥有了使用权限,并不意味着购买了版权,文档只能用于自身使用,不得用于其他商业用途(如 [转卖]进行直接盈利或[编辑后售卖]进行间接盈利)。
2、本站所有内容均由合作方或网友上传,本站不对文档的完整性、权威性及其观点立场正确性做任何保证或承诺!文档内容仅供研究参考,付费前请自行鉴别。
3、如文档内容存在违规,或者侵犯商业秘密、侵犯著作权等,请点击“违规举报”。

碎片内容

力士乐a4vg高压柱塞泵

您可能关注的文档

小辰2+ 关注
实名认证
内容提供者

出售各种资料和文档

确认删除?
VIP
微信客服
  • 扫码咨询
会员Q群
  • 会员专属群点击这里加入QQ群
客服邮箱
回到顶部