电脑桌面
添加小米粒文库到电脑桌面
安装后可以在桌面快捷访问

渠道衬砌防护工程施工工艺方案

渠道衬砌防护工程施工工艺方案_第1页
1/9
渠道衬砌防护工程施工工艺方案_第2页
2/9
渠道衬砌防护工程施工工艺方案_第3页
3/9
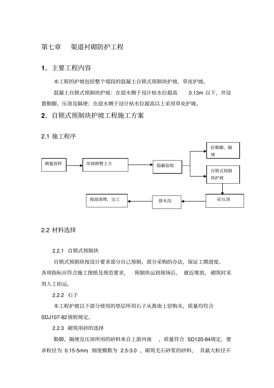
第七章渠道衬砌防护工程1、主要工程内容本工程的护坡包括整个堤段的混凝土自锁式预制块护坡、草皮护坡。混凝土自锁式预制块护坡:在迎水侧于设计枯水位超高0.13m 以下,并设置勒脚、压顶及隔埂;在迎水侧于设计枯水位超高以上采用草皮护坡。2、自锁式预制块护坡工程施工方案2.1 施工程序2.2 材料选择2.2.1 自锁式预制块自锁式预制块按设计要求部分自己预制、部分采购的办法,保证工期进度。各项指标应符合施工图纸及规范要求,预制块运到现场后, 就近堆放, 砌筑时采用人工抬运。2.2.2 石子本工程护坡以下部分使用的垫层所用石子从淮南上窑购买,质量均符合SDJ107-82规程规定。2.2.3 砌筑用砂的选择勒脚、隔埂及压顶所用的砂料来自上游河南,质量符合 SD120-84规定,要求粒径为 0.15-5mm,细度模数为 2.5-3.0 ,砌筑毛石砂浆的砂料, 其最大粒径不测量放样岸坡修整土方隐蔽验收自锁式预制块护坡砼压顶排水沟坡面清理、完工砼勒脚、隔埂大于 5mm。2.2.4 水泥和水选择⑴砌筑工程采用的水泥品种为32.5 级普通硅酸盐水泥,现场水泥按品种、标号、出厂日期分别堆放,现场设临时仓库。⑵拌制砼的水直接采用灌区的水。2.2.5 冬、雨季施工冬季气温在 00C~50C时,对砌筑后的砌体,进行覆盖保温,当气温在00C以下时或最高气温超过300C,停止施工。无防雨棚的仓面,遇大雨应立即停止施工,妥善保护表面;雨后应先安排除积水,并及时处理受雨水冲刷的部位。2.2.6 砼养护砌体外露面在砌筑后12~18小时之间及时洒水养护, 经常保护外露面湿润。养护时间不少于 14 天,每天浇水次数2~9 次。2.3 碎石垫层施工修坡结束后, 报监理工程师验收合格后立即进行碎石垫层铺填,为保证碎石铺填均匀,须打控制桩、带线进行铺填,回填均匀铺装,并用专用工具夯实。2.3.1 填筑碎石层应在基底检验合格后进行。2.3.2 碎石垫层的位置、尺寸、材料级配、含泥量等应符合规定。2.3.3铺筑时,应使垫层料处于湿润状态,以免颗粒分离,并防止杂物或不同规格的料物混入。2.3.4相邻层面必须拍打平整,保证层次清楚,互不混杂;每层厚度不得小于设计厚度的 85%。2.3.5分段铺筑时,应将接头处各层铺成阶梯状,防止层间错位、间断、混杂。2.4 预制块施工由于预制块护坡量较大,为保证进度,可安排在堤身整平到一定量后进行。铺砌预制块之前按设计所要求的坡度修正边坡,修正后的边坡及时平整夯实, 铺设垫层,预制块砌筑前先进行砼护脚及砼格硬施工(砌石施工...

1、当您付费下载文档后,您只拥有了使用权限,并不意味着购买了版权,文档只能用于自身使用,不得用于其他商业用途(如 [转卖]进行直接盈利或[编辑后售卖]进行间接盈利)。
2、本站所有内容均由合作方或网友上传,本站不对文档的完整性、权威性及其观点立场正确性做任何保证或承诺!文档内容仅供研究参考,付费前请自行鉴别。
3、如文档内容存在违规,或者侵犯商业秘密、侵犯著作权等,请点击“违规举报”。

碎片内容

渠道衬砌防护工程施工工艺方案

确认删除?
VIP
微信客服
  • 扫码咨询
会员Q群
  • 会员专属群点击这里加入QQ群
客服邮箱
回到顶部