电脑桌面
添加小米粒文库到电脑桌面
安装后可以在桌面快捷访问

湖北安全防范设施验收VIP专享

湖北安全防范设施验收_第1页
1/8
湖北安全防范设施验收_第2页
2/8
湖北安全防范设施验收_第3页
3/8
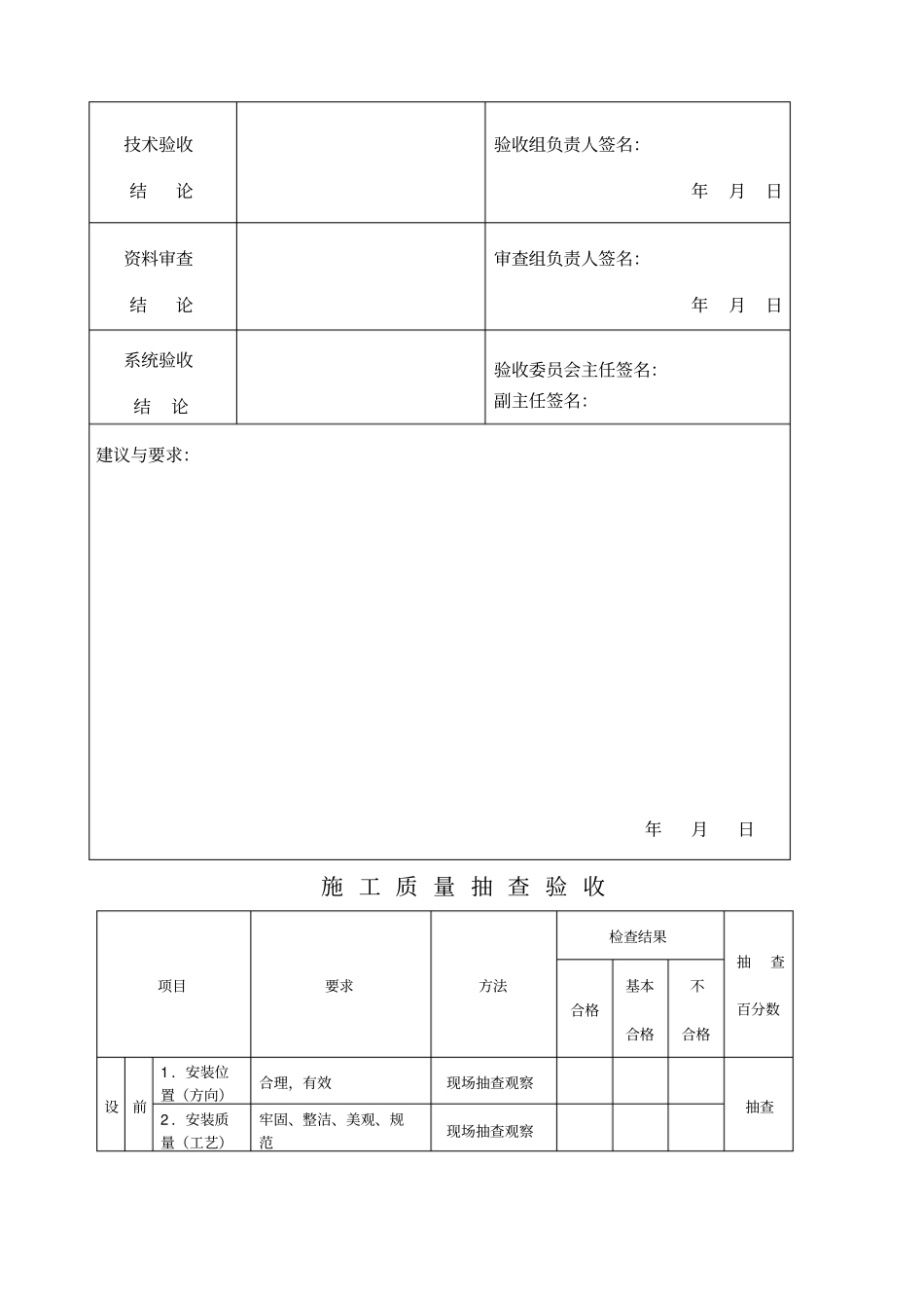
湖北省安全防范设施验收审 批 表设施名称建设单位联 系 人电话设计、施工单位联 系 人电话验收时间湖北省公安厅安全技术防范管理办公室制填表说明1、本表验收委员会或验收小组填写,由受理机关审批。2、 在检查结果栏,按实际情况在相应空格内打“√”(左列打“√”,视为合格,中列打“√”,视为基本合格;右列打“√”,视为不合格)。3、检查结果统计:Kj (合格率) =[ 合格数 +基本合格数× 0.6]/项目检查数(项目检查数如无要求或实际缺项未检查的,不计在内)。4、检查结论: Kj (合格率)≥ 0.8 ,判于通过; 0.8 >Kj ≥0.6 ,判为基本通过;Kj <0.6 ,判为不通过,必要时作简要说明。5、在技术验收表中,带“★”的为重点项目,检查结果只要有一项不合格,即判为不通过。6、对三级安全防范工程,序号第3、 4、 10 项内容可简略。7、验收结论一律填写“通过”或“基本通过”或“不通过”。验 收 结 论 汇 总 表施工质量验收结论验收组负责人签名:年月日技术验收结论验收组负责人签名:年月日资料审查结论审查组负责人签名:年月日系统验收结论验收委员会主任签名:副主任签名:建议与要求:年月日施 工 质 量 抽 查 验 收项目要求方法检查结果抽查百分数合格基本合格不合格设前1 .安装位置(方向)合理,有效现场抽查观察抽查2 .安装质量(工艺)牢固、整洁、美观、规范现场抽查观察备安装质量端设备3 .线缆连接视频电缆一线到位,接插件可靠,电源线与信号线、控制线分开、走向顺直,无扭绞复核、抽查或对照图纸4.通电工作正常现场通电检查100% 控制设备5 .机架、操作台安装平稳、合理、便于维护现场观察抽查6 .控制设备安装操作方便、安全现场观察7 .开关、按钮灵活、方便、安全现场观察、 询问8 .机架、设备接地接地规范、安全现场观察、 询问9 .接地电阻 及 雷 电防护措施符合第 3.9.3 及 3.9.5条相关要求对照检验报告、第 6. 3.6 条,核对检验报告,现场观察10.机架电缆 线 扎 及标识整齐,有明显编号、标识并牢靠现场检查抽查11. 电源引入线缆标识引入线端标识清晰、牢靠现场检查抽查12.通电工作正常现场通电检查100% 管线敷设质量13.明敷管线牢固美观、与室内装饰协调,抗干扰现场观察、 询问抽查1~2 处14 . 接 线盒、线缆接头垂直与水平交叉处有分线盒,线缆安装固定、规范现场观察、 询问抽查1~2 处检查结果K S(合格率)统计...

1、当您付费下载文档后,您只拥有了使用权限,并不意味着购买了版权,文档只能用于自身使用,不得用于其他商业用途(如 [转卖]进行直接盈利或[编辑后售卖]进行间接盈利)。
2、本站所有内容均由合作方或网友上传,本站不对文档的完整性、权威性及其观点立场正确性做任何保证或承诺!文档内容仅供研究参考,付费前请自行鉴别。
3、如文档内容存在违规,或者侵犯商业秘密、侵犯著作权等,请点击“违规举报”。

碎片内容

湖北安全防范设施验收

确认删除?
VIP
微信客服
  • 扫码咨询
会员Q群
  • 会员专属群点击这里加入QQ群
客服邮箱
回到顶部