电脑桌面
添加小米粒文库到电脑桌面
安装后可以在桌面快捷访问

滑坡抗滑桩设计计算

滑坡抗滑桩设计计算_第1页
1/17
滑坡抗滑桩设计计算_第2页
2/17
滑坡抗滑桩设计计算_第3页
3/17
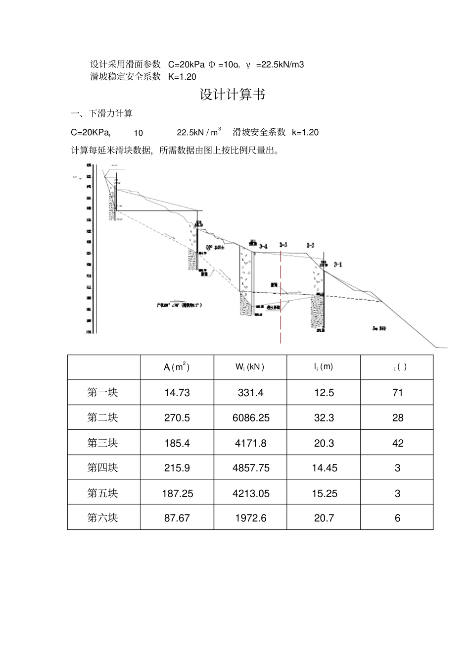
抗滑桩设计一:设计题目某高速公路K15+620~K15+880 滑坡处治设计。二:设计资料1:概述某高速公路 K15+620~K15+880 位于崩坡积块石土斜坡前缘,原设计为路堑墙支挡块石土, 泥岩已护面墙防护。 开挖揭露地质情况与设计差异较大,在坡题前缘全断面开挖临空后,受预计暴雨作用块石土形成牵引式滑坡。滑坡发生后,对该滑坡进行施工图勘测, 并结合工程地质勘测报告, 对该滑坡提出处置的方案。K15+620~K15+880 滑坡采用“清方 +支档 +截排水”综合处理,滑坡处治平面布置图见附图 1,要求对抗滑桩进行设计。2:工程地质条件该高速公路K15+620~K15+880 滑坡区位于条状低山斜坡中上部,沿该段公路左侧展布, 前缘高程 304m 左右,后缘高程 355m 左右,地形坡角约 30 度。滑体纵向长约 105 米,宽 200~300 米,滑体厚度 8~20 米,面积接近 1.5×104m2,体积约 15×104m3。主滑动方向 202° ,属于大型牵引式块石土滑坡。通过地质测绘及钻探揭露,滑体物质主要由崩坡积块石土(Q4c+dl)组成。块石土呈紫红、灰褐等色,稍湿~湿,松散~稍密,成份主要为砂岩、少量粉砂质泥岩,多为中等风化,棱角状,粒径20cm~50cm,约占 60%,次为小块石,约占 10%,其间由紫红色低液限粘土充填。在滑体后部相对较薄,厚5~8m;在滑体中部、前端分布较厚,厚9~24m。滑动带(面)多为块石土与基岩的接触带,滑带厚0.2~0.6m 左右,滑带土中小块石含量较低(<5%) ,低液限粘土湿、可塑~软塑,有搓揉现象,见镜面、擦痕等。滑床物质主要为侏罗系沙溪庙组泥岩、砂岩。泥岩多为紫红色,主要由粘土矿物组成,砂质含量不均,局部富集,泥质结构、厚层状构造;砂岩多为灰白色,主要由长石、石英、云母等矿物组成,泥、钙质胶结,细粒结构,厚层状构造。岩层产状265o~290o∠15o~28o,基岩顶面的产状近似于岩层产状。岩体内见节理、裂隙发育,裂隙产状273o∠72o、210o∠65o。该滑坡的变形迹象明显,包括拉张裂缝、滑塌、地裂缝等。拉张裂缝主要沿后缘基岩陡壁的壁脚分布,分布高程一般在340~350m 左右,缝宽一般 10~20cm,长度一般 6~15m,一般无下错,可见深度 30cm,延伸方向 100o左右。随着滑坡变形发展,该滑坡可分为I、II 级。I 级滑坡主要位于路线左侧的第一级块石堆积坡体,为滑坡的主要推力来源。该段滑体深厚,下滑变形强烈,裂缝密集,前缘溜塌、鼓出明显。 II 级滑坡位于整个滑坡的右后缘块石堆积坡体上,滑体厚度...

1、当您付费下载文档后,您只拥有了使用权限,并不意味着购买了版权,文档只能用于自身使用,不得用于其他商业用途(如 [转卖]进行直接盈利或[编辑后售卖]进行间接盈利)。
2、本站所有内容均由合作方或网友上传,本站不对文档的完整性、权威性及其观点立场正确性做任何保证或承诺!文档内容仅供研究参考,付费前请自行鉴别。
3、如文档内容存在违规,或者侵犯商业秘密、侵犯著作权等,请点击“违规举报”。

碎片内容

滑坡抗滑桩设计计算

文库当当响+ 关注
实名认证
内容提供者

该用户很懒,什么也没介绍

确认删除?
VIP
微信客服
  • 扫码咨询
会员Q群
  • 会员专属群点击这里加入QQ群
客服邮箱
回到顶部