电脑桌面
添加小米粒文库到电脑桌面
安装后可以在桌面快捷访问

滚动轴承的寿命计算

滚动轴承的寿命计算_第1页
1/8
滚动轴承的寿命计算_第2页
2/8
滚动轴承的寿命计算_第3页
3/8
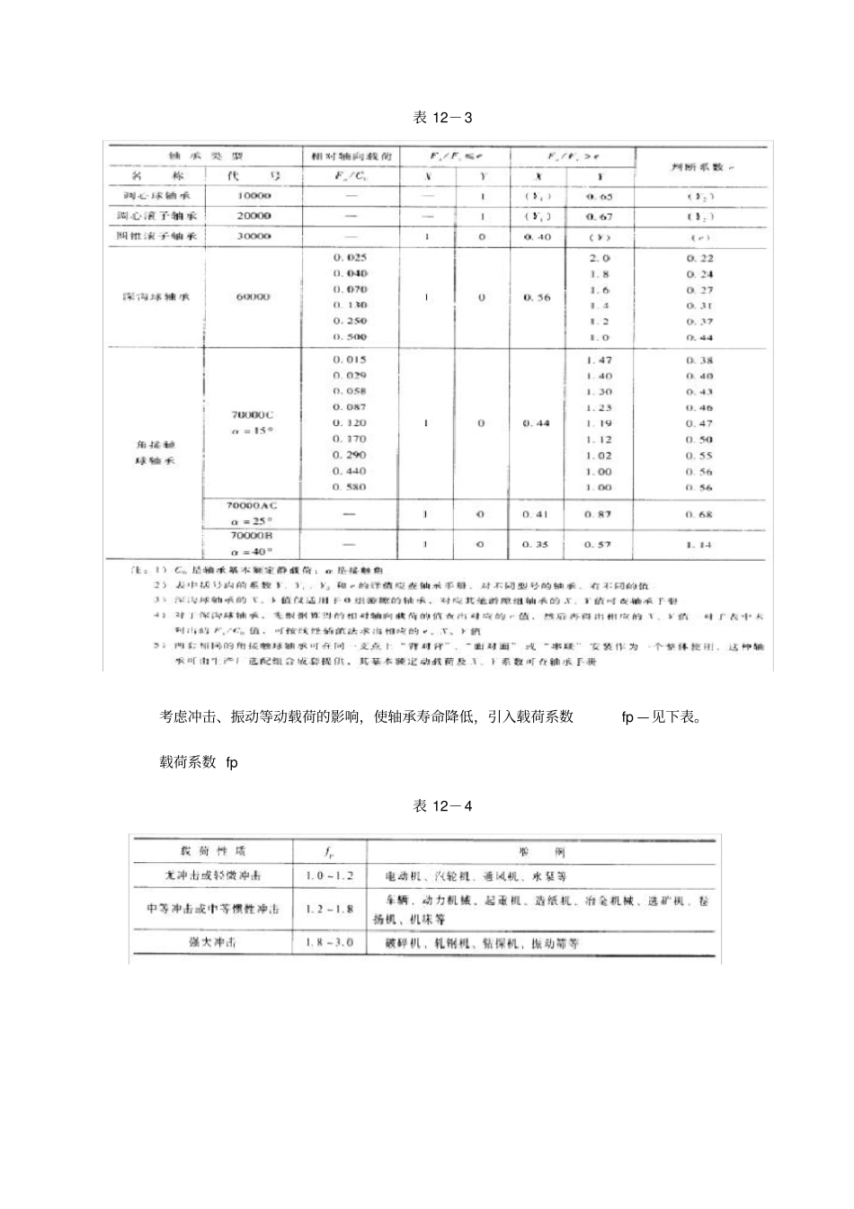
滚动轴承的寿命计算一、基本额定寿命和基本额定动载荷1、基本额定寿命L10轴承寿命 :单个滚动轴承中任一元件出现疲劳点蚀前运转的总转数或在一定转速下的工作小时数称轴承寿命。由于材料、加工精度、热处理与装配质量不可能相同, 同一批轴承在同样的工作条件下,各个轴承的寿命有很大的离散性,所以,用数理统计的办法来处理。基本额定寿命L10——同一批轴承在相同工作条件下工作,其中 90%的轴承在产生疲劳点蚀前所能运转的总转数(以 106 为单位)或一定转速下的工作时数。 (失效概率10%)。2、基本额定动载荷C轴承的基本额定寿命L10=1(106转)时,轴承所能承受的载荷称基本额定动载荷C。在基本额定动载荷作用下,轴承可以转106 转而不发生点蚀失效的可靠度为90%。基本额定动载荷C (1)向心轴承的C是纯径向载荷;(2)推力轴承的C是纯轴向载荷;(3)角接触球轴承和圆锥滚子轴承的C 是指引起套圈间产生相对径向位移时载荷的径向分量。二、滚动轴承的当量动载荷P定义:将实际载荷转换为作用效果相当并与确定基本额定动载荷的载荷条件相一致的假想载荷,该假想载荷称为当量动载荷P,在当量动载荷P作用下的轴承寿命与实际联合载荷作用下的轴承寿命相同。1.对只能承受径向载荷R 的轴承( N、滚针轴承)P=Fr2.对只能承受轴向载荷A的轴承(推力球(5)和推力滚子( 8))P= Fa3.同时受径向载荷R和轴向载荷A的轴承P=X Fr+Y FaX——径向载荷系数,Y——轴向载荷系数,X、Y——见下表。径向动载荷系数X和轴向动载荷系数表 12-3 考虑冲击、振动等动载荷的影响,使轴承寿命降低,引入载荷系数fp —见下表。载荷系数 fp 表 12-4 三、滚动轴承的寿命计算公式图 12-9 载荷与寿命的关系曲线载荷与寿命的关系曲线方程为:=常数(12-3)3 球轴承ε ——寿命指数10/3 ——滚子轴承根据定义: P=C,轴承所能承受的载荷为基本额定功载荷时,∴∴(106r ) (12-2)按小时计的轴承寿命:(h)(12-3 )考虑当工作t>120 ℃时,因金属组织硬度和润滑条件等的变化,轴承的基本额定动载荷 C有所下降,∴引入温度系数f t ——下表——对C 修正表 12 -5( 106r )(12-4)(h)(12-5)当 P、n 已知,预期寿命为Lh′ ,则要求选取的轴承的额定动载荷C 为 N ——选轴承型号和尺寸!(12-6 )不同的机械上要求的轴承寿命推荐使用期见下表。表 12 -6 四、角接触球轴承和圆锥滚子轴承的轴向载荷Fa的计算。该类轴承受Fr→产...

1、当您付费下载文档后,您只拥有了使用权限,并不意味着购买了版权,文档只能用于自身使用,不得用于其他商业用途(如 [转卖]进行直接盈利或[编辑后售卖]进行间接盈利)。
2、本站所有内容均由合作方或网友上传,本站不对文档的完整性、权威性及其观点立场正确性做任何保证或承诺!文档内容仅供研究参考,付费前请自行鉴别。
3、如文档内容存在违规,或者侵犯商业秘密、侵犯著作权等,请点击“违规举报”。

碎片内容

滚动轴承的寿命计算

您可能关注的文档

文库响当当+ 关注
实名认证
内容提供者

该用户很懒,什么也没介绍

相关文档

确认删除?
VIP
微信客服
  • 扫码咨询
会员Q群
  • 会员专属群点击这里加入QQ群
客服邮箱
回到顶部