电脑桌面
添加小米粒文库到电脑桌面
安装后可以在桌面快捷访问

化工设计习题及解答2

化工设计习题及解答2_第1页
1/18
化工设计习题及解答2_第2页
2/18
化工设计习题及解答2_第3页
3/18
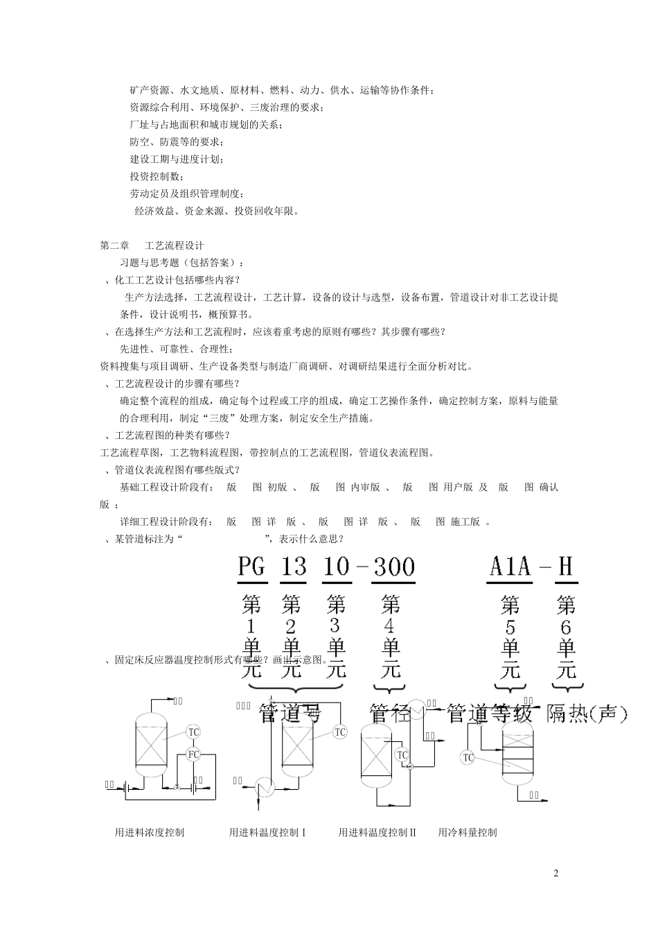
1 《化工设计》习题及解答 第一章 化工设计概论 1、化工设计的种类有哪些? 根据项目性质化工设计可分为:新建项目设计、重复建设项目设计、已有装置的改造设计。 根据化工过程开发程序化工设计可分为:概念设计、中试设计、基础设计和工程设计;其中工程设计又包括:初步设计、扩大初步设计和施工图设计。 2、请画出化工厂设计的工作程序示意图。 3、可行性研究报告包含哪些内容? 1.总论。包括项目名称、可行性研究的主办单位和负责人,可行性研究编制的依据和原则,可行性研究的依据,项目提出的背景、投资必要性和经济意义,研究的范围和主要过程;研究的简要综合结论,存在的主要问题和建议。 2.市场预测。包括国内外市场情况预测和产品的价格分析。 3.产品方案及生产规模。对于老厂改、扩建和技术改造项目要结合企业现有内部和外部条件,对产品方案和生产规模要作方案比较,进行优选。 4.工艺技术方案。包括工艺技术方案的选择、工艺流程和消耗定额、自控技术方案、主要设备的选择和标准化等内容。 5.原料、原料、辅助材料及燃料的供应。 6.建厂条件和厂址方案。 7.公用工程和辅助设施方案。 8.节能。包括能耗指标及分析、节能措施综述、单项节能工程等内容。 9.环境保护与劳动安全。 10.工厂组织和劳动定员。 11.项目实施规划。包括建设周期的规划实施进度规划等内容。 12.投资估算和资金筹措。 13.财务、经济评价及社会效益评价。 14.结论。包括综合评价和研究报告的结论等内容。 4、设计任务书的内容主要包括哪些内容? 1.项目设计的目的和依据; 2.生产规模、产品方案、生产方法或工艺原则; 2 3.矿产资源、水文地质、原材料、燃料、动力、供水、运输等协作条件; 4.资源综合利用、环境保护、三废治理的要求; 5.厂址与占地面积和城市规划的关系; 6.防空、防震等的要求; 7.建设工期与进度计划; 8.投资控制数; 9.劳动定员及组织管理制度; 10.经济效益、资金来源、投资回收年限。 第二章 工艺流程设计 习题与思考题(包括答案): 1、化工工艺设计包括哪些内容? 生产方法选择,工艺流程设计,工艺计算,设备的设计与选型,设备布置,管道设计对非工艺设计提条件,设计说明书,概预算书。 2、在选择生产方法和工艺流程时,应该着重考虑的原则有哪些?其步骤有哪些? 先进性、可靠性、合理性; 资料搜集与项目调研、生产设备类型与制造厂商调研、对调研结果进行全面分析对比。 3、工艺流程...

1、当您付费下载文档后,您只拥有了使用权限,并不意味着购买了版权,文档只能用于自身使用,不得用于其他商业用途(如 [转卖]进行直接盈利或[编辑后售卖]进行间接盈利)。
2、本站所有内容均由合作方或网友上传,本站不对文档的完整性、权威性及其观点立场正确性做任何保证或承诺!文档内容仅供研究参考,付费前请自行鉴别。
3、如文档内容存在违规,或者侵犯商业秘密、侵犯著作权等,请点击“违规举报”。

碎片内容

化工设计习题及解答2

您可能关注的文档

确认删除?
VIP
微信客服
  • 扫码咨询
会员Q群
  • 会员专属群点击这里加入QQ群
客服邮箱
回到顶部