电脑桌面
添加小米粒文库到电脑桌面
安装后可以在桌面快捷访问

焊缝焊接质量检查记录表

焊缝焊接质量检查记录表_第1页
1/3
焊缝焊接质量检查记录表_第2页
2/3
焊缝焊接质量检查记录表_第3页
3/3
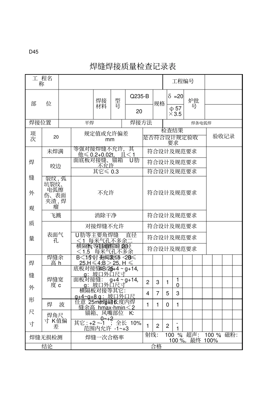
D45 焊缝焊接质量检查记录表工 程名称工程编号部位焊接材料型号Q235-B 规格δ =20炉批号20 φ 57×3.5焊接位置平焊焊接方法焊条电弧焊项次20 规定值或允许偏差mm 检查结果验收记录是否符合设计规定验收要求焊缝外观质量未焊满等强对接焊缝不允许,其他≤ 0.2+0.02t,且< 1 符合设计及规范要求咬边面底板对接缝、锚箱U肋不允许符合设计及规范要求其它≤ 0.3 符合设计及规范要求裂纹 , 弧坑裂纹、电弧擦伤、表面夹渣 , 焊瘤不允许符合设计及规范要求飞溅消除干净符合设计及规范要求表面气孔对接焊缝不允许符合设计及规范要求U肋等主要角焊缝直径<1 每米气孔不多余二个,孔间距≥ 20 符合设计及规范要求横隔板等其他焊缝直径<1.5 每米气孔不多余二个,孔间距≥ 20 符合设计及规范要求焊缝外形尺寸焊缝余高 h B<15 时 H≤3;15 <B≤25,H≤4;B> 25, H ≤4B/25 焊缝宽度 c 底板对接缝: g+4 ~ g+14,g:坡口外口尺寸面板对接缝: g+4 ~ g+14,g:坡口外口尺寸2 3 1 10 横隔板对接等其它:g+4~g+8 g:坡口外口尺寸 g=16 4 7 5 3 焊波任意 25mm焊缝长度内焊缝余高 hmax-hmin<2 1 1 0 1 焊角尺寸 K值偏差锚箱、风嘴部位K:0~+2 其它 : +2 ~-1;全长 10%范围内允许 -1~+3 1 2 2 -1 焊缝无损检测焊缝一次合格率射线: 100 %;超声: 100 %;磁粉:100 %。最终 100% 结论合格施工单位检查评定结果项目质检员:年月日监理(建设)单位验收结论监理工程师:(建设单位项目技术负责人)年月日D45 焊缝焊接质量检查记录表工 程名称青岛中学周边水系景观及公共配套二期工程工程编号部位滨海花园区廊架焊接材料型号Q235-B 规格δ =20炉批号20 φ 57×3.5焊接位置平焊焊接方法焊条电弧焊项次20 规定值或允许偏差mm 检查结果验收记录是否符合设计规定验收要求焊缝外观质量未焊满等强对接焊缝不允许,其他≤ 0.2+0.02t,且< 1 符合设计及规范要求咬边面底板对接缝、锚箱U肋不允许符合设计及规范要求其它≤ 0.3 符合设计及规范要求裂纹 , 弧坑裂纹、电弧擦伤、表面夹渣 , 焊瘤不允许符合设计及规范要求飞溅消除干净符合设计及规范要求表面气孔对接焊缝不允许符合设计及规范要求U肋等主要角焊缝直径<1 每米气孔不多余二个,孔间距≥ 20 符合设计及规范要求横隔板等其他焊缝直径<1.5 每米气孔不多余二个,孔间距≥ 20 符合设计及规范要求焊缝外形尺寸焊缝余高...

1、当您付费下载文档后,您只拥有了使用权限,并不意味着购买了版权,文档只能用于自身使用,不得用于其他商业用途(如 [转卖]进行直接盈利或[编辑后售卖]进行间接盈利)。
2、本站所有内容均由合作方或网友上传,本站不对文档的完整性、权威性及其观点立场正确性做任何保证或承诺!文档内容仅供研究参考,付费前请自行鉴别。
3、如文档内容存在违规,或者侵犯商业秘密、侵犯著作权等,请点击“违规举报”。

碎片内容

焊缝焊接质量检查记录表

确认删除?
VIP
微信客服
  • 扫码咨询
会员Q群
  • 会员专属群点击这里加入QQ群
客服邮箱
回到顶部