电脑桌面
添加小米粒文库到电脑桌面
安装后可以在桌面快捷访问

焊缝超声波检测工艺卡

焊缝超声波检测工艺卡_第1页
1/12
焊缝超声波检测工艺卡_第2页
2/12
焊缝超声波检测工艺卡_第3页
3/12
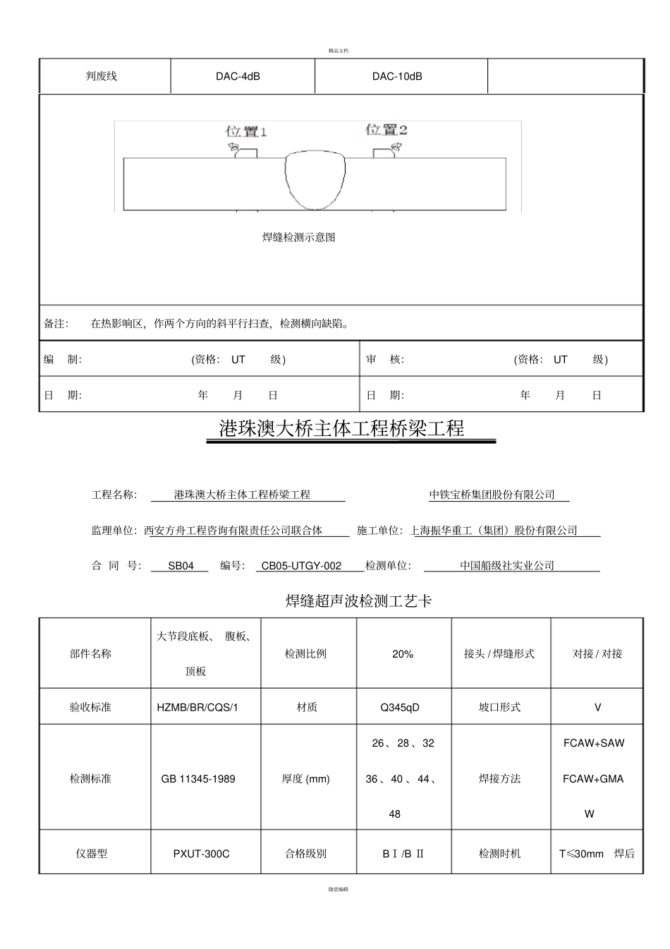
精品文档随意编辑港珠澳大桥主体工程桥梁工程工程名称:港珠澳大桥主体工程桥梁工程中铁宝桥集团股份有限公司监理单位:西安方舟工程咨询有限责任公司联合体施工单位:上海振华重工(集团)股份有限公司合 同 号:SB04 编号:CB05-UTGY-001 检测单位:中国船级社实业公司焊缝超声波检测工艺卡部件名称大节段底板、 腹板、顶板检测比例20%接头 / 焊缝形式对接 / 对接验收标准HZMB/BR/CQS/1材质Q345qD坡口形式V检测标准GB 11345-1989厚度 (mm)16 、18 、 2024焊接方法FCAW+SAWFCAW+GMAW仪器型号/编号PXUT-300C/R61200合格级别BⅠ检测时机焊后 24h试块型号CSK-ZB ,RB-2耦合剂化学浆糊表面处理符合检测要求检测对象纵向缺陷横向缺陷检测位置1,21,2探头2.5P13 ×13K2.52.5P13 ×13K2.5扫查线调节深度 60mm深度 60mm耦合补偿4dB4dB参考反射体Ф 3×40Ф 3×40评定线DAC-16dBDAC-22dB定量线DAC-10dBDAC-16dB精品文档随意编辑判废线DAC-4dBDAC-10dB焊缝检测示意图备注:在热影响区,作两个方向的斜平行扫查,检测横向缺陷。编制:(资格: UT 级) 审核:(资格: UT 级) 日期:年月日日期:年月日港珠澳大桥主体工程桥梁工程工程名称:港珠澳大桥主体工程桥梁工程中铁宝桥集团股份有限公司监理单位:西安方舟工程咨询有限责任公司联合体施工单位:上海振华重工(集团)股份有限公司合 同 号:SB04 编号:CB05-UTGY-002 检测单位:中国船级社实业公司焊缝超声波检测工艺卡部件名称大节段底板、 腹板、顶板检测比例20%接头 / 焊缝形式对接 / 对接验收标准HZMB/BR/CQS/1材质Q345qD坡口形式V检测标准GB 11345-1989厚度 (mm)26 、28 、3236 、40 、44 、48焊接方法FCAW+SAWFCAW+GMAW仪器型PXUT-300C合格级别BⅠ/B Ⅱ检测时机T≤30mm焊后精品文档随意编辑号/编号/R6120024hT>30mm焊后48h试块型号CSK-ZB ,RB-2耦合剂化学浆糊表面处理符合检测要求检测对象纵向缺陷横向缺陷检测位置1,21,2探头2.5P13 ×13K22.5P13 ×13K2扫查线调节深度 130mm深度 130mm耦合补偿4dB4dB参考反射体Ф 3×40Ф 3×40评定线DAC-16dBDAC-22dB定量线DAC-10dBDAC-16dB判废线DAC-4dBDAC-10dB焊缝检测示意图备注:在热影响区,作两个方向的斜平行扫查,检测横向缺陷。编制:(资格: UT 级) 审核:(资格: UT 级) 日期:年月日日期:年月日港珠澳大桥主体工程桥梁工程精品文档随意编辑工程名称:港珠澳大桥主体工程桥梁工程中铁宝...

1、当您付费下载文档后,您只拥有了使用权限,并不意味着购买了版权,文档只能用于自身使用,不得用于其他商业用途(如 [转卖]进行直接盈利或[编辑后售卖]进行间接盈利)。
2、本站所有内容均由合作方或网友上传,本站不对文档的完整性、权威性及其观点立场正确性做任何保证或承诺!文档内容仅供研究参考,付费前请自行鉴别。
3、如文档内容存在违规,或者侵犯商业秘密、侵犯著作权等,请点击“违规举报”。

碎片内容

焊缝超声波检测工艺卡

确认删除?
VIP
微信客服
  • 扫码咨询
会员Q群
  • 会员专属群点击这里加入QQ群
客服邮箱
回到顶部