电脑桌面
添加小米粒文库到电脑桌面
安装后可以在桌面快捷访问

煤矿用特殊型铅酸蓄电池使用维护指导手册

煤矿用特殊型铅酸蓄电池使用维护指导手册_第1页
1/12
煤矿用特殊型铅酸蓄电池使用维护指导手册_第2页
2/12
煤矿用特殊型铅酸蓄电池使用维护指导手册_第3页
3/12
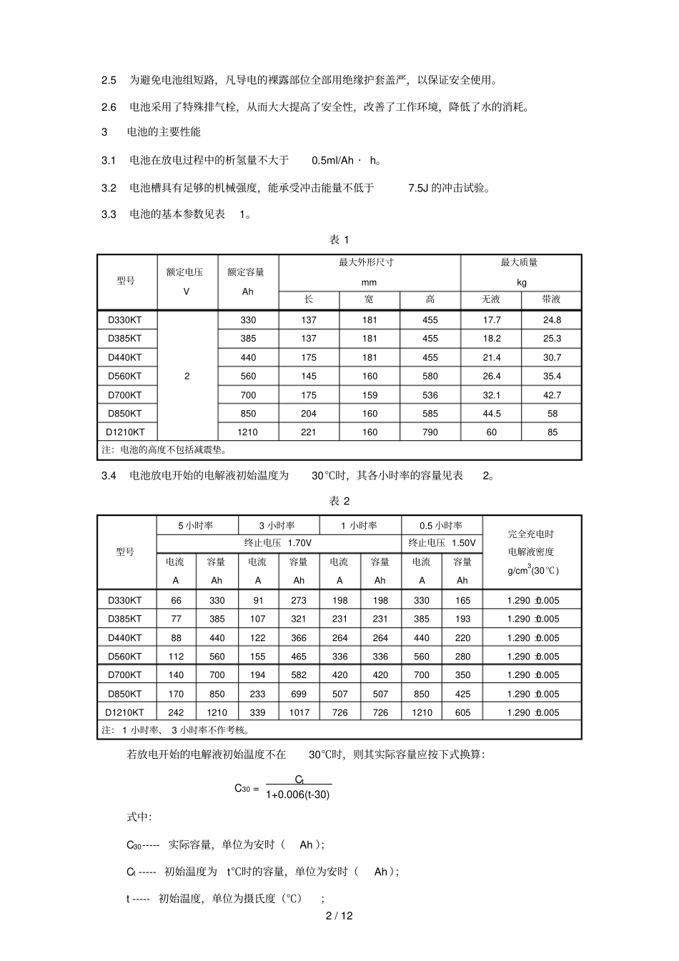
1 / 12 煤矿用特殊型铅酸蓄电池使用维护手册1 概述1.1 应用范围1.1.1 煤矿用特殊型铅酸蓄电池(以下简称电池)根据中华人民共和国煤炭行业标准MT 658-2011《煤矿用特殊型铅酸蓄电池》研制生产,是供作煤矿电力牵引车辆和与煤矿同级别条件下的其它场所物料搬运设备用防爆电源装置中的直流电源。电池组、 电源箱、 连接导线(或连接条) 及矿用隔爆型连接装置组成煤矿铅酸蓄电池防爆特殊型电源装置,防爆型式为“ ExsⅠ”。1.1.2 海拔高度不超过1200m。1.1.3 环境温度不超过(-20~ +40)℃。1.1.4 周围介质中无足以腐蚀金属和破坏绝缘的气体及导电尘埃。1.1.5 相对于车辆的垂向、横向和纵向具有频率f 为( 1~50)Hz 的正弦振动,其振幅A 不大于:a)当 f 为(1~10)Hz 时, A=25/f 2单位为毫米 (mm);b)当 f 为(10~50)Hz 时, A=250/f 2单位为毫米 (mm) 。1.1.6 相对于车辆的纵向,具有加速度不大于30m/s2 的冲击。1.1.7 执行标准: MT658-2011 《煤矿用特殊型铅酸蓄电池》。1.2 型号及含义D□KT 2 电池的结构及特点2.1 电池主要由正极板、负极板、电解液、隔板、电池槽、电池盖、极柱、特殊排气栓等组成。电池槽与电池盖之间热熔密封。2.2 电池的正极板设有耐酸绝缘护套,以提高电池的安全性和可靠性。2.3 电池为双极柱(即两个正极柱与两个负极柱)结构,每个极柱都具有单独承受回路电流的导电性能。2.4 单体电池组合成电池组时,采用焊接连接,以防止产生火花并减小接触电阻,保证其安全使用及线路畅通。矿用特殊型(特殊使用环境代号)额定容量( 5 小时率)蓄电池车用(蓄电池类型代号)2 / 12 2.5 为避免电池组短路,凡导电的裸露部位全部用绝缘护套盖严,以保证安全使用。2.6 电池采用了特殊排气栓,从而大大提高了安全性,改善了工作环境,降低了水的消耗。3 电池的主要性能3.1 电池在放电过程中的析氢量不大于0.5ml/Ah ·h。3.2 电池槽具有足够的机械强度,能承受冲击能量不低于7.5J 的冲击试验。3.3 电池的基本参数见表1。表 1 型号额定电压V 额定容量Ah 最大外形尺寸mm 最大质量kg 长宽高无液带液D330KT 2 330 137 181 455 17.7 24.8 D385KT 385 137 181 455 18.2 25.3 D440KT 440 175 181 455 21.4 30.7 D560KT 560 145 160 580 26.4 35.4 D700KT 700 175 159 536 32.1 42.7 D850KT 850 204 160 585 44.5 58 D1210KT 1210 2...

1、当您付费下载文档后,您只拥有了使用权限,并不意味着购买了版权,文档只能用于自身使用,不得用于其他商业用途(如 [转卖]进行直接盈利或[编辑后售卖]进行间接盈利)。
2、本站所有内容均由合作方或网友上传,本站不对文档的完整性、权威性及其观点立场正确性做任何保证或承诺!文档内容仅供研究参考,付费前请自行鉴别。
3、如文档内容存在违规,或者侵犯商业秘密、侵犯著作权等,请点击“违规举报”。

碎片内容

煤矿用特殊型铅酸蓄电池使用维护指导手册

您可能关注的文档

文库当当响+ 关注
实名认证
内容提供者

该用户很懒,什么也没介绍

确认删除?
VIP
微信客服
  • 扫码咨询
会员Q群
  • 会员专属群点击这里加入QQ群
客服邮箱
回到顶部