电脑桌面
添加小米粒文库到电脑桌面
安装后可以在桌面快捷访问

爬架安装检查验收记录表

爬架安装检查验收记录表_第1页
1/3
爬架安装检查验收记录表_第2页
2/3
爬架安装检查验收记录表_第3页
3/3
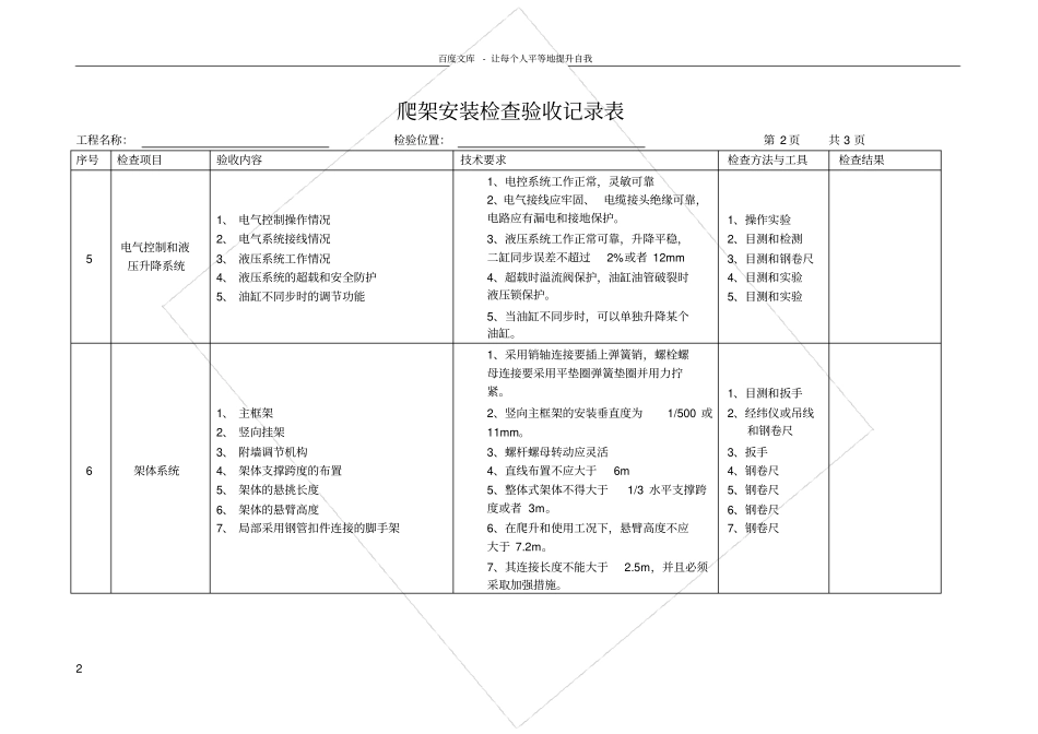
百度文库- 让每个人平等地提升自我1 爬架安装检查验收记录表工程名称:延吉新一代天气雷达塔检验位置:第 1 页共 3 页序号检查项目验收内容技术要求检查方法与工具检查结果1 附墙装置1.附墙装置的安装位置2.拉接螺栓与附墙座和固定套的安装情况3.附墙装置与导轨和主框架的安装情况。1、 水平偏差± 5mm。2、 螺杆螺栓应露出螺母3 扣以上, 并用力拧紧。3、应插上锁定板,导轨挂钩在附墙装置的承力板上。1、钢卷尺2、目测3、目测2 后移装置1.后移装置底座与架体连接牢固。2.后移架体灵活性。1、 所有的连接螺栓应露出螺母3 扣以上,并用力拧紧。2、 后移架体用扳手拧动灵活。1、目测2、目测或者手感3 爬升机构1.导轨和上爬升箱的安装情况2.爬升箱1、 上爬升箱内的承力块下爪部位应支撑在导轨的方形踏块上平面2、 上下爬升箱内的定位销、限位器、导向板、承力块等组装件应转动灵活,定为正确可靠。1、目测或者手感2、目测和用手搬动4 防倾、 防坠装置1、 导轨的垂直度和挠度2、 爬升箱与导轨的间隙3、 防坠装置是否有效1、导轨的垂直度为5/1000 或者 30mm,工作状态中的最大挠度应小于1/500 或者6.6mm。2、防倾装置的导向间隙应小于5mm 3、防坠装置必须灵敏、可靠、其下坠制动距离不得大于50mm。1、目测或者手感2、目测和用手搬动百度文库- 让每个人平等地提升自我2 爬架安装检查验收记录表工程名称:检验位置:第 2 页共 3 页序号检查项目验收内容技术要求检查方法与工具检查结果5 电气控制和液压升降系统1、 电气控制操作情况2、 电气系统接线情况3、 液压系统工作情况4、 液压系统的超载和安全防护5、 油缸不同步时的调节功能1、电控系统工作正常,灵敏可靠2、电气接线应牢固、 电缆接头绝缘可靠,电路应有漏电和接地保护。3、液压系统工作正常可靠,升降平稳,二缸同步误差不超过2%或者 12mm 4、超载时溢流阀保护,油缸油管破裂时液压锁保护。5、当油缸不同步时,可以单独升降某个油缸。1、操作实验2、目测和检测3、目测和钢卷尺4、目测和实验5、目测和实验6 架体系统1、 主框架2、 竖向挂架3、 附墙调节机构4、 架体支撑跨度的布置5、 架体的悬挑长度6、 架体的悬臂高度7、 局部采用钢管扣件连接的脚手架1、采用销轴连接要插上弹簧销,螺栓螺母连接要采用平垫圈弹簧垫圈并用力拧紧。2、竖向主框架的安装垂直度为1/500 或11mm。3、螺杆螺母转动应灵活4、直线布置不应大于6m 5、整体式架体...

1、当您付费下载文档后,您只拥有了使用权限,并不意味着购买了版权,文档只能用于自身使用,不得用于其他商业用途(如 [转卖]进行直接盈利或[编辑后售卖]进行间接盈利)。
2、本站所有内容均由合作方或网友上传,本站不对文档的完整性、权威性及其观点立场正确性做任何保证或承诺!文档内容仅供研究参考,付费前请自行鉴别。
3、如文档内容存在违规,或者侵犯商业秘密、侵犯著作权等,请点击“违规举报”。

碎片内容

爬架安装检查验收记录表

确认删除?
VIP
微信客服
  • 扫码咨询
会员Q群
  • 会员专属群点击这里加入QQ群
客服邮箱
回到顶部