电脑桌面
添加小米粒文库到电脑桌面
安装后可以在桌面快捷访问

公司年度安全技术措施计划表

公司年度安全技术措施计划表_第1页
1/10
公司年度安全技术措施计划表_第2页
2/10
公司年度安全技术措施计划表_第3页
3/10
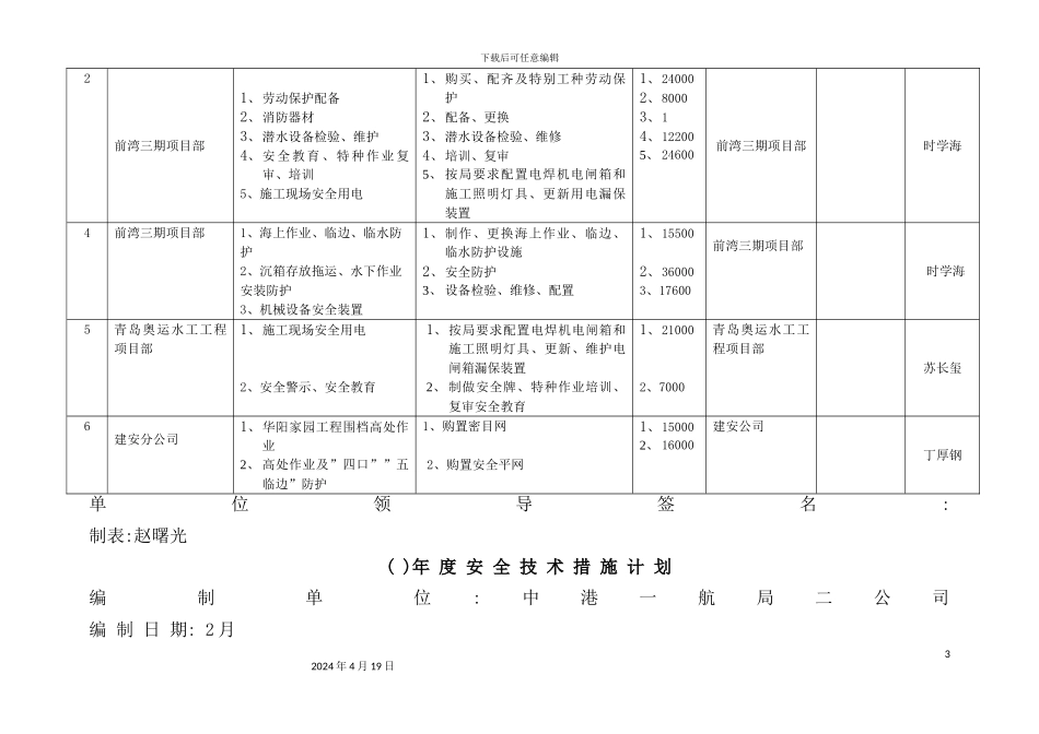
下载后可任意编辑公司年度安全技术措施计划表12024 年 4 月 19 日下载后可任意编辑( )年 度 安 全 技 术 措 施 计 划编 制 单 位:中港一航局二公司 编 制 日 期: 2 月 序号工 程 名 称项 目 或 问 题采 取 措 施金 额 (元)执行单位完 成 情 况检 查 人1海南实华 30 万吨油码头工程项目部1、新建工程项目、配齐劳动保护防护2、消防器材、安全标志3、 安全培训、安全教育、特种作业复审、培训1、购买、配齐2、制作、购买3、 培训、复审、全员安全教育1、150002、260003、 100000海南实华 30 万吨油码头工程项目部 3 月孟令德22024 年 4 月 19 日下载后可任意编辑2前湾三期项目部1、劳动保护配备2、消防器材3、潜水设备检验、维护4、安全教育、特种作业复审、培训5、施工现场安全用电1、购买、配齐及特别工种劳动保护2、配备、更换3、潜水设备检验、维修4、培训、复审5、 按局要求配置电焊机电闸箱和施工照明灯具、更新用电漏保装置1、240002、80003、1 4、122005、 24600前湾三期项目部 时学海4前湾三期项目部1、海上作业、临边、临水防护2、沉箱存放拖运、水下作业安装防护3、机械设备安全装置1、制作、更换海上作业、临边、临水防护设施2、安全防护3、 设备检验、维修、配置1、155002、360003、17600前湾三期项目部 时学海5青岛奥运水工工程项目部1、施工现场安全用电2、安全警示、安全教育1、按局要求配置电焊机电闸箱和施工照明灯具、更新、维护电闸箱漏保装置2、 制做安全牌、特种作业培训、复审安全教育1、210002、7000青岛奥运水工工程项目部 苏长玺6建安分公司1、华阳家园工程围档高处作业2、 高处作业及”四口””五临边”防护1、购置密目网2、购置安全平网1、150002、 16000建安公司 丁厚钢单位领导签名: 制表:赵曙光( )年 度 安 全 技 术 措 施 计 划编 制 单 位:中港一航局二公司 编 制 日 期: 2 月 32024 年 4 月 19 日下载后可任意编辑序号工 程 名 称项 目 或 问 题采 取 措 施金 额 (元)执行单位完 成 情 况检 查 人7建安分公司1、施工现场安全用电2、安全教育、特种作业复审、培训1、配置电焊机电闸箱和施工照明灯具及更新电闸箱2、 特种作业培训、复审安全教育1、230002、8000建安公司 丁厚钢8预拌混凝土分公司1、消防器材配置及到期更换2、防止触电购置安全防护器材3、 设备安全装置1、消防器材配置及更换2、...

1、当您付费下载文档后,您只拥有了使用权限,并不意味着购买了版权,文档只能用于自身使用,不得用于其他商业用途(如 [转卖]进行直接盈利或[编辑后售卖]进行间接盈利)。
2、本站所有内容均由合作方或网友上传,本站不对文档的完整性、权威性及其观点立场正确性做任何保证或承诺!文档内容仅供研究参考,付费前请自行鉴别。
3、如文档内容存在违规,或者侵犯商业秘密、侵犯著作权等,请点击“违规举报”。

碎片内容

公司年度安全技术措施计划表

您可能关注的文档

办公文档专营+ 关注
实名认证
内容提供者

大量办公文档,欢迎选择

确认删除?
VIP
微信客服
  • 扫码咨询
会员Q群
  • 会员专属群点击这里加入QQ群
客服邮箱
回到顶部