电脑桌面
添加小米粒文库到电脑桌面
安装后可以在桌面快捷访问

确保eps聚苯板外墙外保温施工质量qc成果secret样本

确保eps聚苯板外墙外保温施工质量qc成果secret样本_第1页
1/16
确保eps聚苯板外墙外保温施工质量qc成果secret样本_第2页
2/16
确保eps聚苯板外墙外保温施工质量qc成果secret样本_第3页
3/16
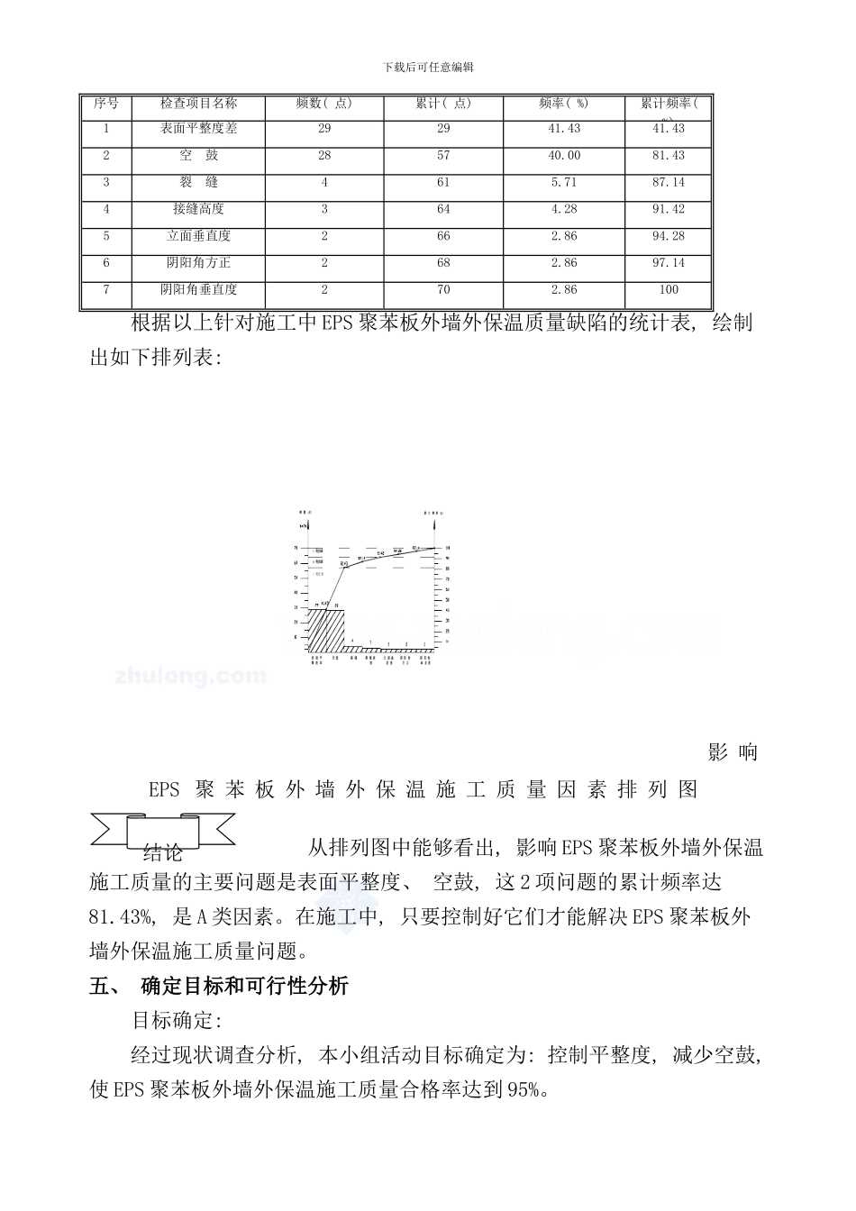
下载后可任意编辑确 保 EPS 聚 苯 板 外 墙 外 保 温 施 工 质 量****建设集团有限公司****QC 小组一、 工程概况 南 昌 市 **** 工 程 由 三 幢 16~31 层 的 高 层 组 成 , 位 于 **** 南 路 D-6 东 侧 地 块 , 结 构 类 型 为 框 剪 结 构 , 建 筑总 面 积 约 为 34000 ㎡ 。本 工 程 由 江 西 **** 房 地 产 开 发 有 限 公 司 开 发 , 南昌 **** 设 计 讨 论 院 设 计 , 江 西 省 **** 监 理 总 公 司 监 理 , **** 建 设 集 团 有 限 公 司 承 建 。外 墙 外 保 温 为 EPS 聚 苯 乙 烯 保 温 板 。二、OC 小组概况 QC 小组概况小组小 组名 称**** 建 设 集 团 有 限 公 司 ****QC 小 组课 题 类攻 关成 立 时 .11.20注 册 时 .11.21注 册 编 课 题确 保 EPS聚 苯 板 外 墙 外 保 温 施 工 质 量人 均 年41.7活 动 时 间 .11.20- .1.10平 均 TQC教 育 时65 小 时小组人员组成序 号姓 名年 性 职 务职 组 内文 化 程承 担 工 作147男项 目 经 理高 组 长本 科全 面 管 理241男项 目 副 经工 程 师顾 问大 专顾 问343男技 术 科 长工 程 师副 组大 专反 馈 信 息460男施 工 员助 组 员中 专施 工 管 理531男施 工 员助 组 员大 专施 工 管 理639男质 检 员工 程 师组 员大 专质 量 检 查753男安 全 员助 组 员大 专安 全 管 理824女资 料 员助 组 员本 科资 料 汇 编938男保 温 班 组高 级 技组 员中 专现 场 负 责活 动 方 式1 、每 周 活 动 1 次 及 不 定 期 活 动 。 2 、 坚 持 出 勤 , 有 记 录 、 有 成 果 。三、 选题理由理由一: 本企业的方针是筑精品树品牌、 时刻追求顾客满意, 防污染降能耗、 处处营造绿色环境, 查隐患除险情、 人人关注健康安全。理由二: EPS 聚苯板外墙外保温位于建筑结构外层, 不但具有良好的防火性能及耐雨水侵蚀和抗冻融能力, 能承受正、 负风压、 风振、 地震作用, 还能承受因温度、 湿度变化而产生的巨大应力变化。理由三: EPS 聚苯板外墙外保温是建筑节能的一部分, 建筑节能不但下载后可任意编辑能节约能源、 降低开支、 改进室内热环境, 而且以减少环境污...

1、当您付费下载文档后,您只拥有了使用权限,并不意味着购买了版权,文档只能用于自身使用,不得用于其他商业用途(如 [转卖]进行直接盈利或[编辑后售卖]进行间接盈利)。
2、本站所有内容均由合作方或网友上传,本站不对文档的完整性、权威性及其观点立场正确性做任何保证或承诺!文档内容仅供研究参考,付费前请自行鉴别。
3、如文档内容存在违规,或者侵犯商业秘密、侵犯著作权等,请点击“违规举报”。

碎片内容

确保eps聚苯板外墙外保温施工质量qc成果secret样本

您可能关注的文档

确认删除?
VIP
微信客服
  • 扫码咨询
会员Q群
  • 会员专属群点击这里加入QQ群
客服邮箱
回到顶部