电脑桌面
添加小米粒文库到电脑桌面
安装后可以在桌面快捷访问

联合厂房第一期土建工程施工组织设计方案模板

联合厂房第一期土建工程施工组织设计方案模板_第1页
1/35
联合厂房第一期土建工程施工组织设计方案模板_第2页
2/35
联合厂房第一期土建工程施工组织设计方案模板_第3页
3/35
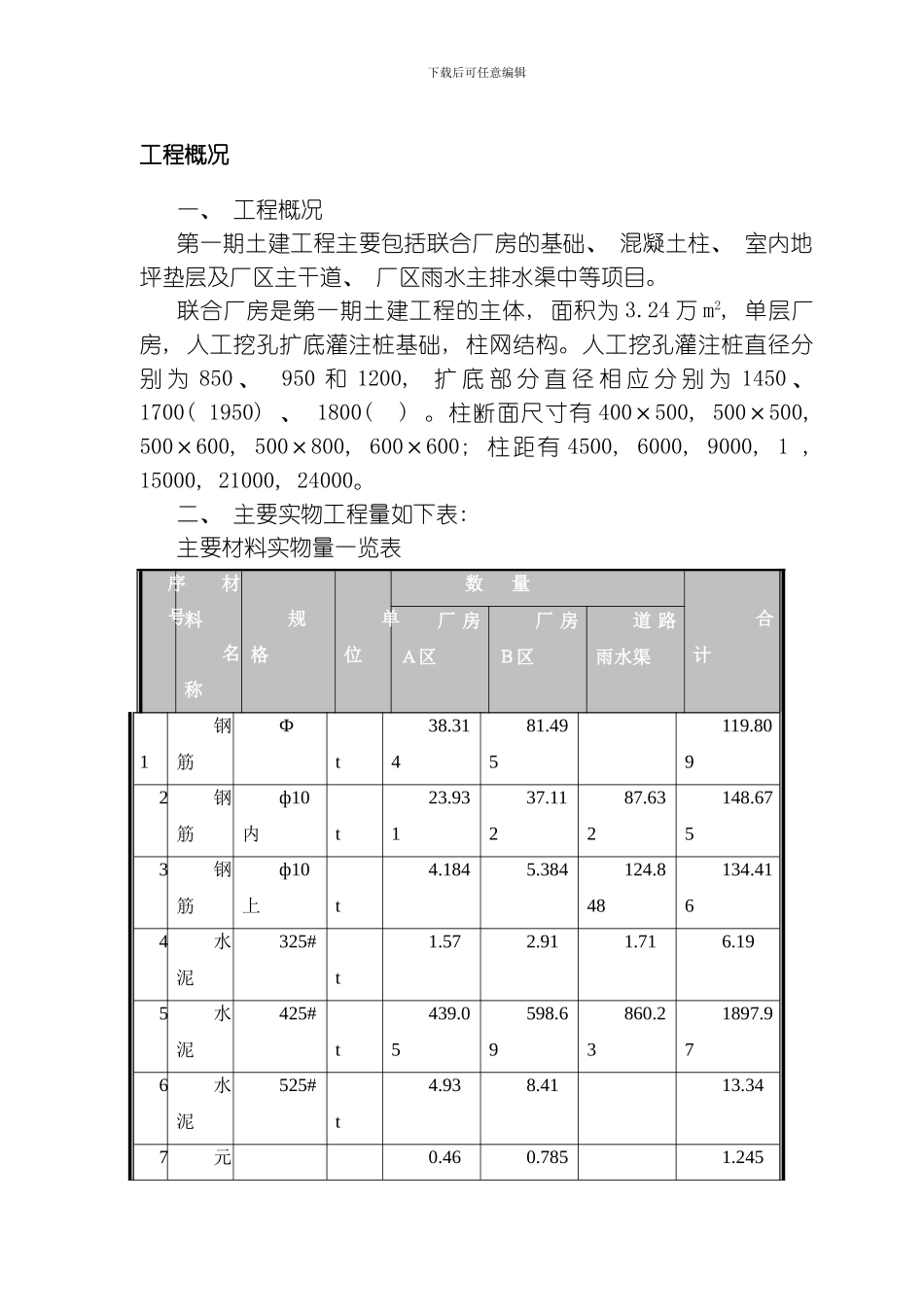
下载后可任意编辑目 录第一章 工程概况.........................................1第二章 施工总体安排.....................................3第一节 组织机构及指挥系统............................3第二节 方针目标管理..................................3第三节 施工总体安排..................................4第四节 施工进度计划安排..............................5第三章 施工准备.........................................6第一节 技术准备......................................6第二节 施工组织准备..................................6第三节 施工机械的选择配备............................6第四节 总平面布置....................................9第五节 临时用电......................................9第六节 临时用水.....................................10第七节 劳动力配备...................................11第四章 主要施工方法....................................13第一节 测量放线.....................................13第二节 厂房施工.....................................13第三节 厂区主干道路.................................21第四节 厂区雨水主排水渠.............................22第五章 主要技术保证措施................................24第一节 保证施工工期的措施...........................24第二节 保证工程质量的措施...........................25第三节 保证安全、 文明施工的措施....................26第六章 施工试验及计量管理..............................27第七章 材料进场管理制度................................28第八章 合理化建议......................................29第九章 售前售后服务....................................30第十章 工程技术档案资料管理............................31下载后可任意编辑工程概况一、 工程概况第一期土建工程主要包括联合厂房的基础、 混凝土柱、 室内地坪垫层及厂区主干道、 厂区雨水主排水渠中等项目。联合厂房是第一期土建工程的主体, 面积为 3.24 万 m2, 单层厂房, 人工挖孔扩底灌注桩基础, 柱网结构。人工挖孔灌注桩直径分别 为 850 、 950 和 1200, 扩 底 部 分 直 径 相 应 分 别 为 1450 、 1700( 1950) 、 1800( ) 。柱断面尺寸有 400×50...

1、当您付费下载文档后,您只拥有了使用权限,并不意味着购买了版权,文档只能用于自身使用,不得用于其他商业用途(如 [转卖]进行直接盈利或[编辑后售卖]进行间接盈利)。
2、本站所有内容均由合作方或网友上传,本站不对文档的完整性、权威性及其观点立场正确性做任何保证或承诺!文档内容仅供研究参考,付费前请自行鉴别。
3、如文档内容存在违规,或者侵犯商业秘密、侵犯著作权等,请点击“违规举报”。

碎片内容

联合厂房第一期土建工程施工组织设计方案模板

您可能关注的文档

确认删除?
VIP
微信客服
  • 扫码咨询
会员Q群
  • 会员专属群点击这里加入QQ群
客服邮箱
回到顶部