电脑桌面
添加小米粒文库到电脑桌面
安装后可以在桌面快捷访问

轻钢龙骨铝方通吊顶技术交底

轻钢龙骨铝方通吊顶技术交底_第1页
1/9
轻钢龙骨铝方通吊顶技术交底_第2页
2/9
轻钢龙骨铝方通吊顶技术交底_第3页
3/9
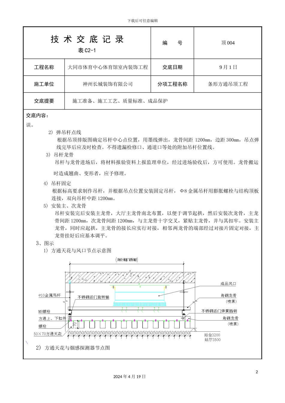
下载后可任意编辑轻钢龙骨铝方通吊顶技术交底12024 年 4 月 19 日下载后可任意编辑技 术 交 底 记 录表 C2-1编 号顶 004工程名称大同市体育中心体育馆室内装饰工程交底日期 9 月 1 日施工单位神州长城装饰有限公司分项工程名称条形方通吊顶工程交底提要施工准备、施工工艺、质量标准、成品保护交底内容:一、编制依据: 1、中华人民共和国国家标准 GB50210- 《建筑装饰装修工程质量验收法律规范》; 2、中华人民共和国国家标准 GB50300- 《建筑工程施工质量验收统一标准》; 3、中华人民共和国国家标准 GB50325- 《民用建筑工程室内环境污染控制法律规范》; 4、中华人民共和国国家标准 GB50326- 《建筑工程项目管理法律规范》; 5、施工合同、施工组织设计、装饰施工图二、施工准备 1、材料准备轻钢龙骨、配件、吊杆、膨胀螺栓、铝方通(50*100)等,进场检验合格且应有出厂合格证及材料质量证明。2、机具准备型材切割机、电动曲线锯、手电钻、电锤、自攻螺栓钻、手提电动砂纸机等。3、作业条件吊顶的范围内,机电安装均已施工完毕,各种管线均已试压合格,且已经过隐蔽验收。1)、已确定灯位、通风口及各种照明孔口的位置。2)、顶棚罩面板安装前,应作完墙、地面的湿作业工程项目。3)、搭好顶棚施工操作平台架子。4)、龙骨架顶棚在大面积施工前,应做样板间,对顶棚的起拱、灯具、烟感探测器、导向标识、风口等处进行构造处理,检查符合设计要求后再大面积施工。三、施工工艺1、工艺流程2、施工要点 1) 弹标高控制线 根据图纸及现场实际情况确定标高,并在四周墙柱面弹出标高控制线,经测量人员复核无12024 年 4 月 19 日主次龙骨安装铝方通安装细部接口处理分项验收弹标高控制弹吊杆点线吊杆固定下载后可任意编辑技 术 交 底 记 录表 C2-1编 号顶 004工程名称大同市体育中心体育馆室内装饰工程交底日期 9 月 1 日施工单位神州长城装饰有限公司分项工程名称条形方通吊顶工程交底提要施工准备、施工工艺、质量标准、成品保护交底内容:误。 2) 弹吊杆点线 根据吊顶排版图确定吊杆中心点位置,用墨线弹出,龙骨间距 1200mm,边距 300mm,吊点弹线完毕后应及时检查。不得遗漏检修口、通道口等处的附加吊杆位置线。 3) 吊杆龙骨 吊杆与龙骨进场后,将材料报验资料上报监理单位,经过进场验收后,方可使用。龙骨搬运时造成翘曲、变形者,应予修理。 4) 吊杆固定 根据标高要求制作吊...

1、当您付费下载文档后,您只拥有了使用权限,并不意味着购买了版权,文档只能用于自身使用,不得用于其他商业用途(如 [转卖]进行直接盈利或[编辑后售卖]进行间接盈利)。
2、本站所有内容均由合作方或网友上传,本站不对文档的完整性、权威性及其观点立场正确性做任何保证或承诺!文档内容仅供研究参考,付费前请自行鉴别。
3、如文档内容存在违规,或者侵犯商业秘密、侵犯著作权等,请点击“违规举报”。

碎片内容

轻钢龙骨铝方通吊顶技术交底

确认删除?
VIP
微信客服
  • 扫码咨询
会员Q群
  • 会员专属群点击这里加入QQ群
客服邮箱
回到顶部