电脑桌面
添加小米粒文库到电脑桌面
安装后可以在桌面快捷访问

大型储罐计算书

大型储罐计算书_第1页
1/18
大型储罐计算书_第2页
2/18
大型储罐计算书_第3页
3/18
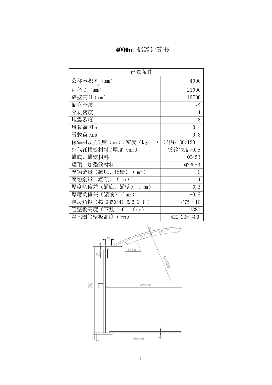
1 4000m ³储罐计算书 已知条件 公称容积VN(mm) 4000 内径Di(mm) 21000 罐壁高H(mm) 12700 储存介质 水 介质密度 1 地震烈度 8 风载荷KPa 0.4 雪载荷Kpa 0.3 保温材质/厚度(mm)/密度(kg/m³) 岩棉/100/120 外包瓦楞板材料/厚度(mm) 镀锌铁皮/0.5 罐底、罐壁材料 Q245R 罐顶、加强筋材料 Q235-B 腐蚀余量(罐底、罐壁)(mm) 2 腐蚀余量(罐顶)(mm) 1 厚度负偏差(罐底、罐壁)(mm) 0.3 厚度负偏差(罐顶)(mm) -0.6 包边角钢(按GB50341 6.2.2-1 ) ∠75×10 管壁板高度(下数 1-6)(mm) 1880 第七圈管壁板高度(mm) 1420-20=1400 2 一、 计算个圈壁板厚度 1、计算罐壁板厚度,确定罐底板、罐顶板厚度: 用GB50341-2003 中公式(6.3.1-1)计算罐壁厚度 dd][0.3)-(H9.4tD 式中:dt —储存介质条件下管壁板的计算厚度,mm D —油罐内径(m)(21m) H —计算液位高度(m),从所计算的那圈管壁板底端到罐壁包边角钢顶部的高度,或到溢流口下沿(有溢流口时)的高度(12.7m)  —储液相对密度(1.0) d][—设计温度下钢板的许用应力,查表 4.2.2(157MPa)  —焊接接头系数(0.9) 第 1 圈: mm7.89.0163.010.3)-(12.7219.4td n  =8.7+2.3=11mm 取 12mm 第 2 圈: mm38.79.0163.011.88)-0.3-(12.7219.4td n  =7.38+2.3=9.68mm 取 12mm 第 3 圈: mm06.69.0163.011.88)2-0.3-(12.7219.4td n  =6.06+2.3=8.36mm 取 10mm 第 4 圈: mm74.49.0163.011.88)3-0.3-(12.7219.4td n  =4.74+2.3=7.04mm 取 8mm 根据表 6.4.4,罐壁最小厚度得最小厚度为 6+2=8mm,故第 5、6、 3 7 圈取8mm。 i 圈(下数) 1 2 3 4 5 6 7 壁厚 12 12 10 8 8 8 8 二、罐底、罐顶厚度、表边角钢选择(按GB50341 规定) 罐底板厚度: 查表5.1.1,不包括腐蚀余量的最小公称直径为6mm,加上腐蚀余量2mm,中幅板厚度为8mm 查表5.1.2,不包括腐蚀余量的最小公称直径为11mm,加上腐蚀余量2mm,取边缘板厚度为14mm 罐顶板厚度: 查7.1.3,罐顶板不包括腐蚀余量的公称厚度不小于4.5mm,加上1mm 的腐蚀余量后取6mm 包边角钢:按GB50341 表6.2.2-1,选∠75×10 罐顶加强筋:-60×8 三、罐顶板数据计算: ①分片板中心角(半角) 55.2425200302...

1、当您付费下载文档后,您只拥有了使用权限,并不意味着购买了版权,文档只能用于自身使用,不得用于其他商业用途(如 [转卖]进行直接盈利或[编辑后售卖]进行间接盈利)。
2、本站所有内容均由合作方或网友上传,本站不对文档的完整性、权威性及其观点立场正确性做任何保证或承诺!文档内容仅供研究参考,付费前请自行鉴别。
3、如文档内容存在违规,或者侵犯商业秘密、侵犯著作权等,请点击“违规举报”。

碎片内容

大型储罐计算书

小辰3+ 关注
实名认证
内容提供者

出售各种资料和文档

确认删除?
VIP
微信客服
  • 扫码咨询
会员Q群
  • 会员专属群点击这里加入QQ群
客服邮箱
回到顶部